LEMON Manuals: Even more car manuals for everyone
Home >> Subaru >> 2003 >> Forester X, Standard >> Repair and Diagnosis >> Transmission >> Transmission Control Systems >> A/T & M/T Control Systems >> AT Shift Lock System >> Inspection >> Select Lever Shift Lock Cannot Be Released

Select Lever Shift Lock Cannot Be Released

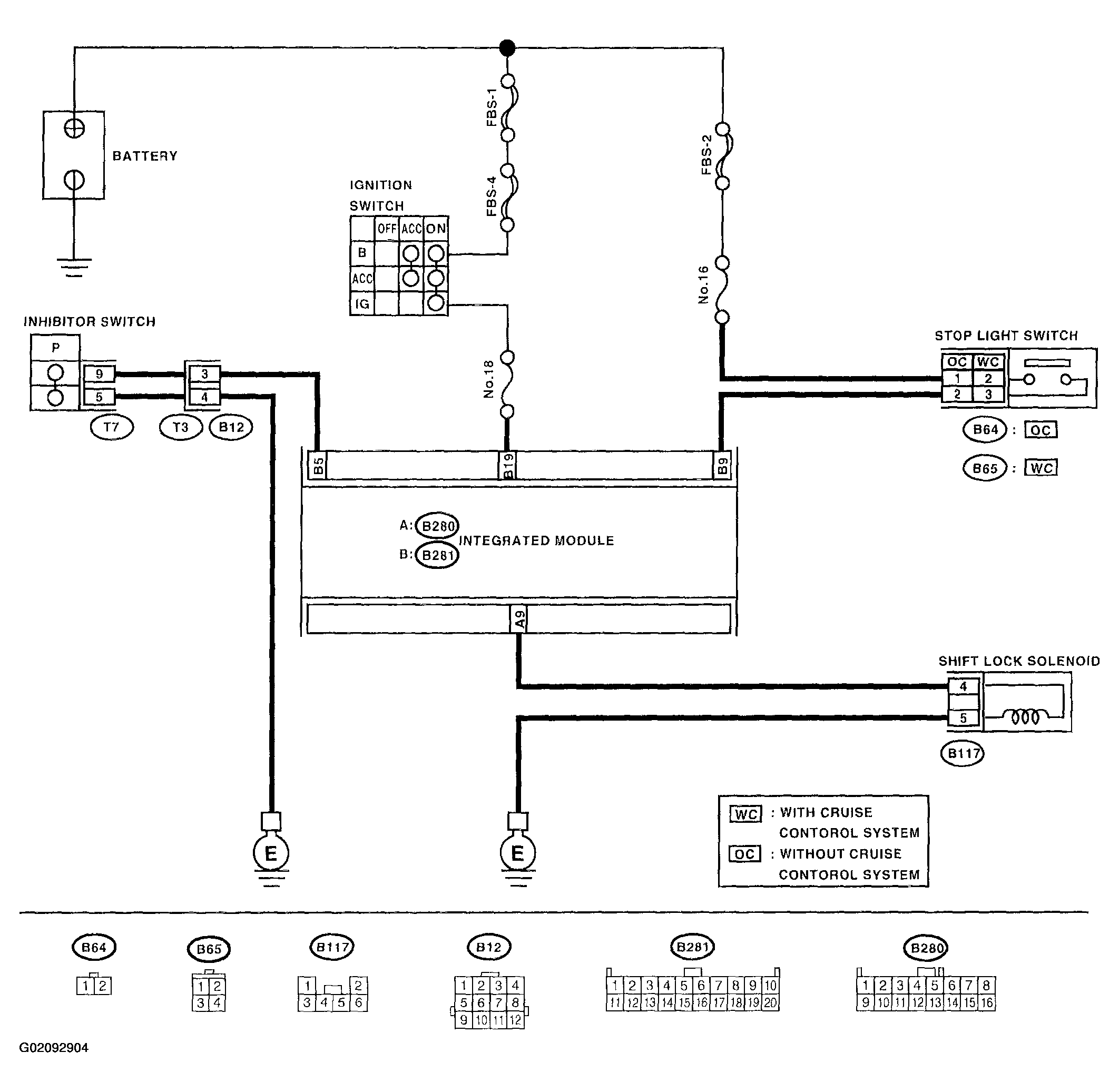
Fig 1: Select Lever Shift Lock Cannot Be Released Wiring Diagram
G02092904Courtesy of SUBARU OF AMERICA, INC.
Fig 2: Diagnostic Chart (1 Of 3)
G02092905Courtesy of SUBARU OF AMERICA, INC.
Fig 3: Diagnostic Chart (2 Of 3)
G02092906Courtesy of SUBARU OF AMERICA, INC.
Fig 4: Diagnostic Chart (3 Of 3)
G02092907Courtesy of SUBARU OF AMERICA, INC.