LEMON Manuals: Even more car manuals for everyone
Home >> Subaru >> 2003 >> Forester X, Standard >> Repair and Diagnosis >> Transmission >> Transmission Control Systems >> A/T & M/T Control Systems >> AT Shift Lock System >> Inspection >> Select Lever Cannot Be Shift Locked

Select Lever Cannot Be Shift Locked

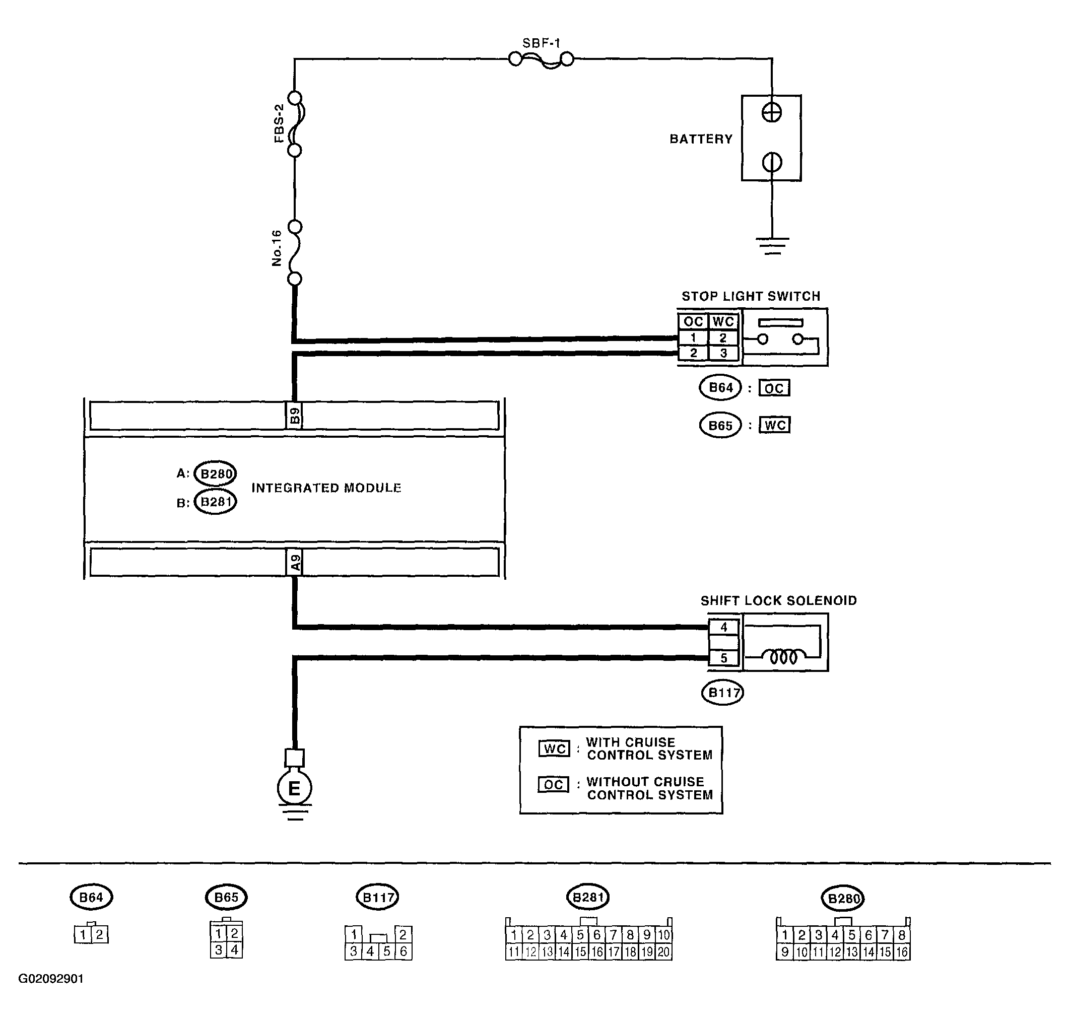
Fig 1: Select Lever Cannot Be Shift Locked Wiring Diagram
G02092901Courtesy of SUBARU OF AMERICA, INC.
Fig 2: Diagnostic Chart (1 Of 2)
G02092902Courtesy of SUBARU OF AMERICA, INC.
Fig 3: Diagnostic Chart (2 Of 2)
G02092903Courtesy of SUBARU OF AMERICA, INC.