LEMON Manuals: Even more car manuals for everyone
Home >> Subaru >> 2003 >> Forester X, Standard >> Repair and Diagnosis >> Transmission >> Transmission Control Systems >> A/T & M/T Control Systems >> AT Shift Lock System >> Inspection >> Integrated Module Power Supply And Ground Line

Integrated Module Power Supply And Ground Line

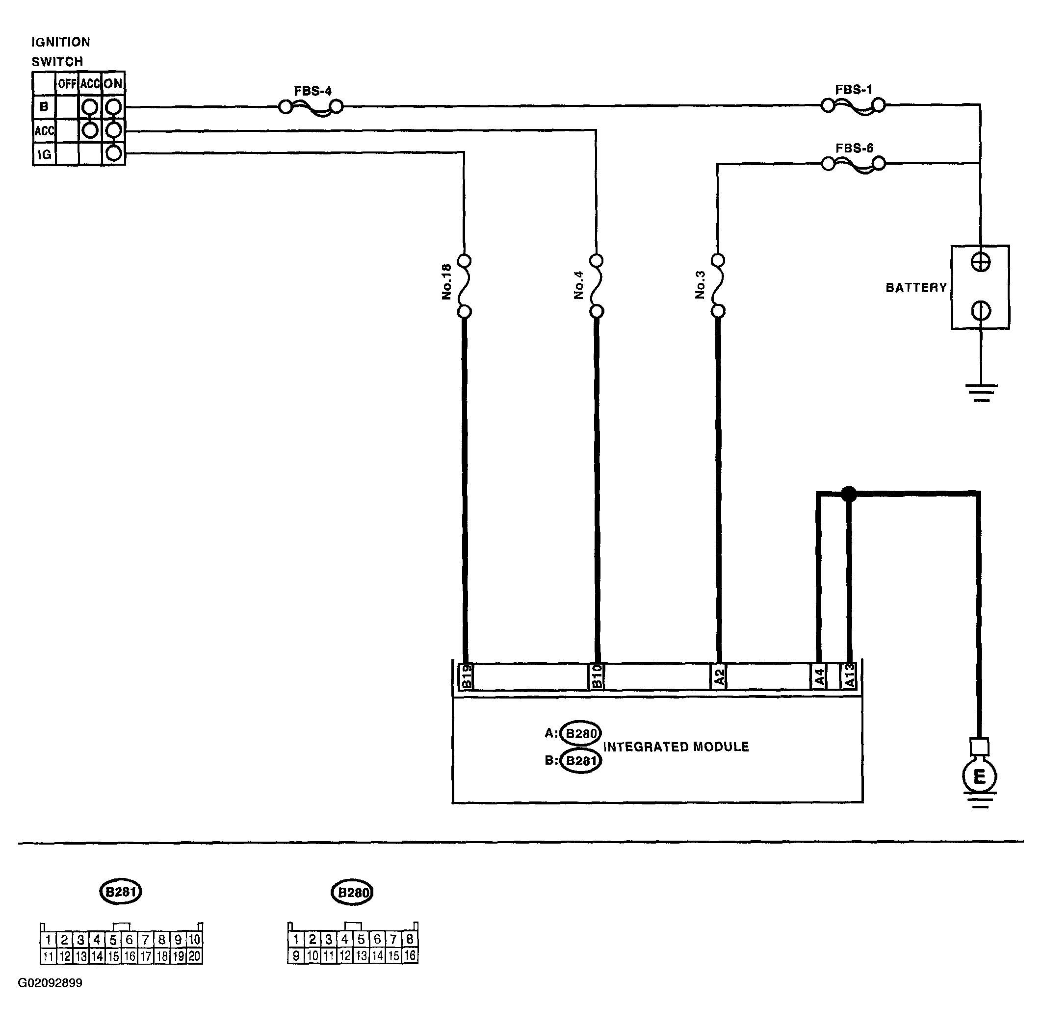
Fig 1: Integrated Module Power Supply & Ground Line Wiring Diagram
G02092899Courtesy of SUBARU OF AMERICA, INC.
Fig 2: Diagnostic Chart
G02092900Courtesy of SUBARU OF AMERICA, INC.