LEMON Manuals: Even more car manuals for everyone
Home >> Subaru >> 2002 >> Outback Base, 4D Sedan >> Repair and Diagnosis >> Transmission >> Transmission Control Systems >> A/T & M/T Control Systems >> AT Shift Lock System >> Inspection >> Key Interlock Does Not Lock Or Release

Key Interlock Does Not Lock Or Release

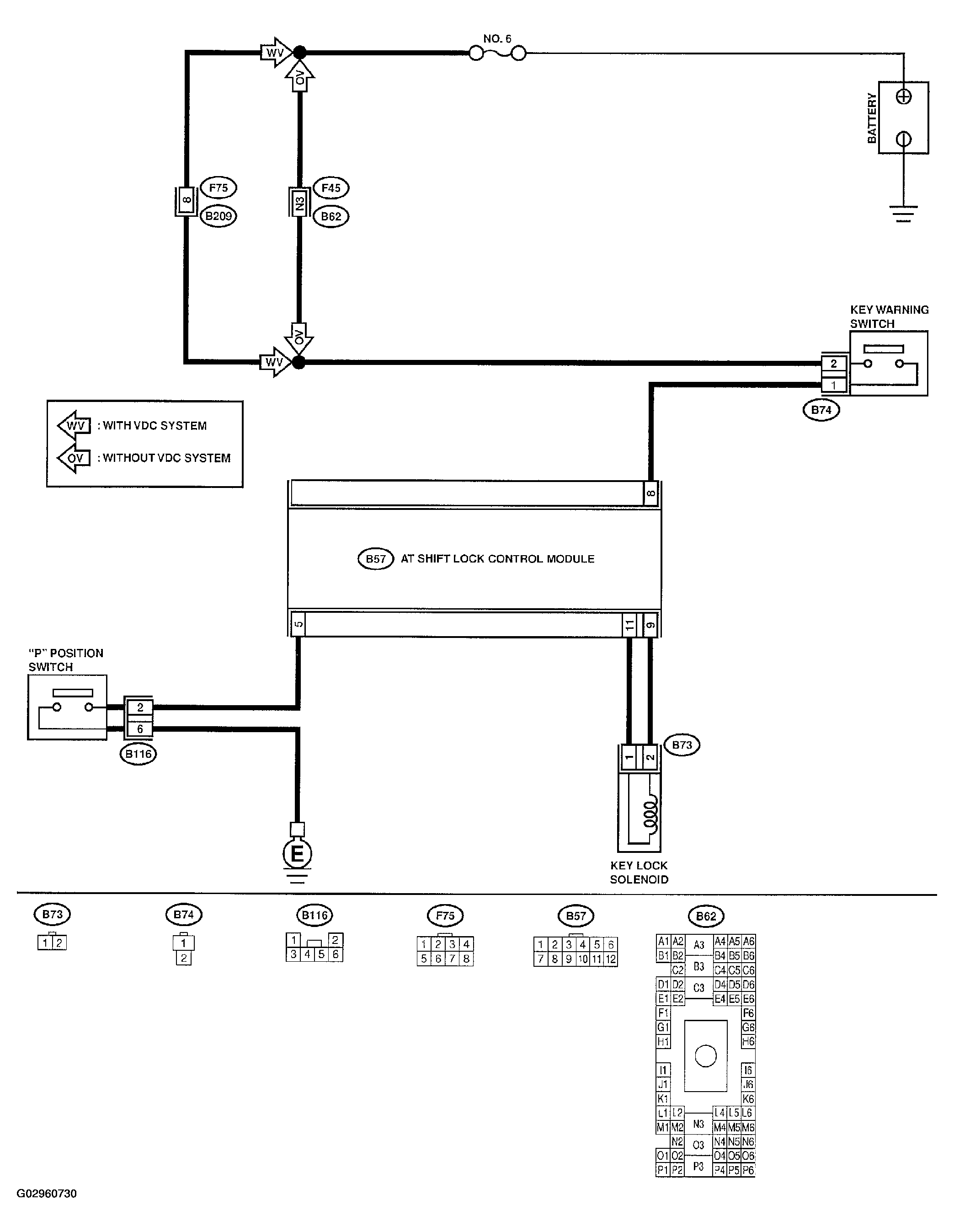
Fig 1: Key Interlock Does Not Lock Or Release Wiring Diagram
G02960730Courtesy of SUBARU OF AMERICA, INC.
Fig 2: Key Interlock Does Not Lock Or Release Inspection Chart (1 Of 3)
G02960731Courtesy of SUBARU OF AMERICA, INC.
Fig 3: Key Interlock Does Not Lock Or Release Inspection Chart (2 Of 3)
G02960732Courtesy of SUBARU OF AMERICA, INC.
Fig 4: Key Interlock Does Not Lock Or Release Inspection Chart (3 Of 3)
G02960733Courtesy of SUBARU OF AMERICA, INC.