LEMON Manuals: Even more car manuals for everyone
Home >> Subaru >> 2002 >> Forester Base >> Repair and Diagnosis >> Transmission >> Transmission Control Systems >> A/T Control Systems >> AT Shift Lock System >> Inspection >> Key Interlock Does Not Lock Or Release

Key Interlock Does Not Lock Or Release

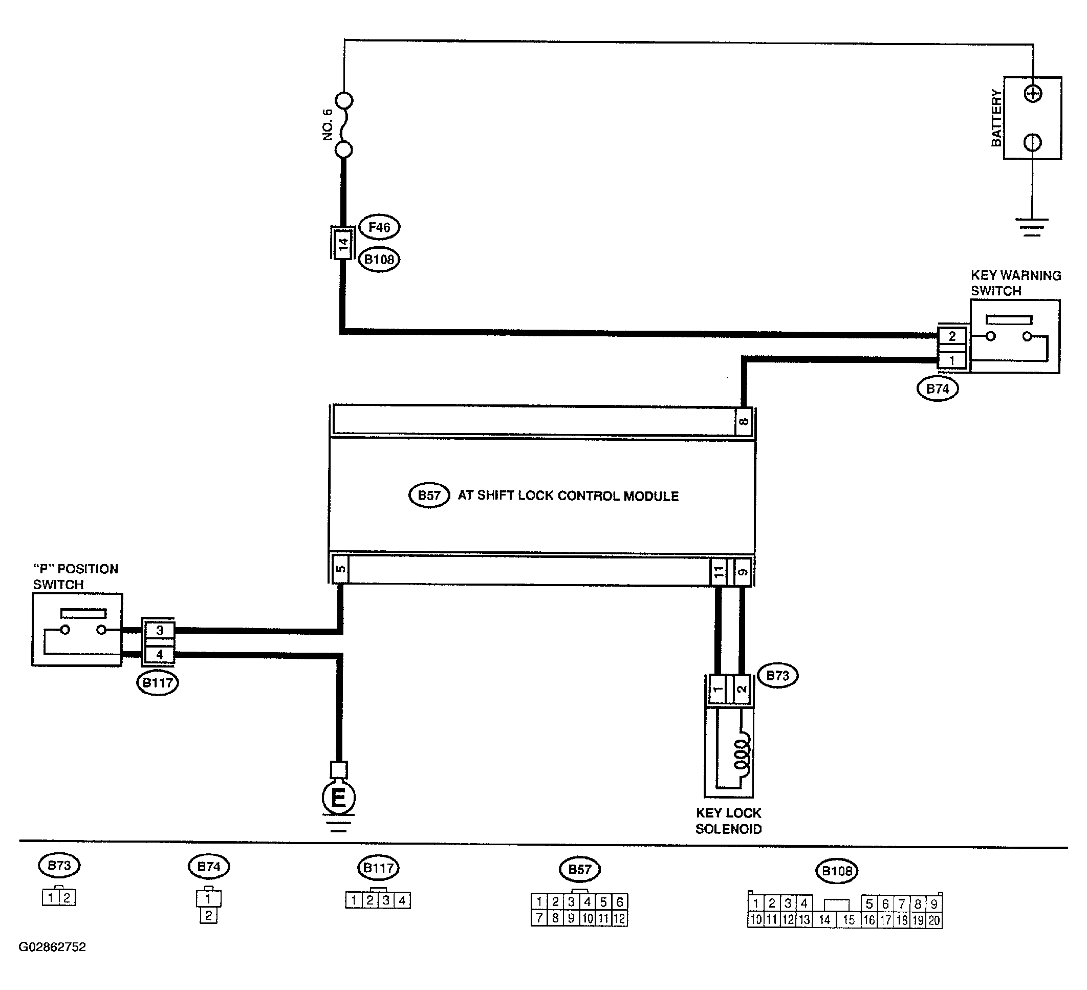
WIRING DIAGRAM: 

Fig 1: AT Shift Lock Control Module Wiring Diagram
G02862752Courtesy of SUBARU OF AMERICA, INC.
Fig 2: AT Shift Lock Control Module Inspection Chart (1 Of 3)
G02862753Courtesy of SUBARU OF AMERICA, INC.
Fig 3: AT Shift Lock Control Module Inspection Chart (2 Of 3)
G02862754Courtesy of SUBARU OF AMERICA, INC.
Fig 4: AT Shift Lock Control Module Inspection Chart (3 Of 3)
G02862755Courtesy of SUBARU OF AMERICA, INC.