LEMON Manuals: Even more car manuals for everyone
Home >> Subaru >> 2002 >> Forester Base >> Repair and Diagnosis >> External Pages >> Different car >> Section 173 (A/T Control System & M/T Control System) >> AT Shift Lock System >> Inspection >> Select Lever Shift Lock Cannot Be Released

Select Lever Shift Lock Cannot Be Released

WARNING: This page is about a different car, the 2004 Subaru Impreza. However, it is still accessible from the selected car via links, so may be relevant.
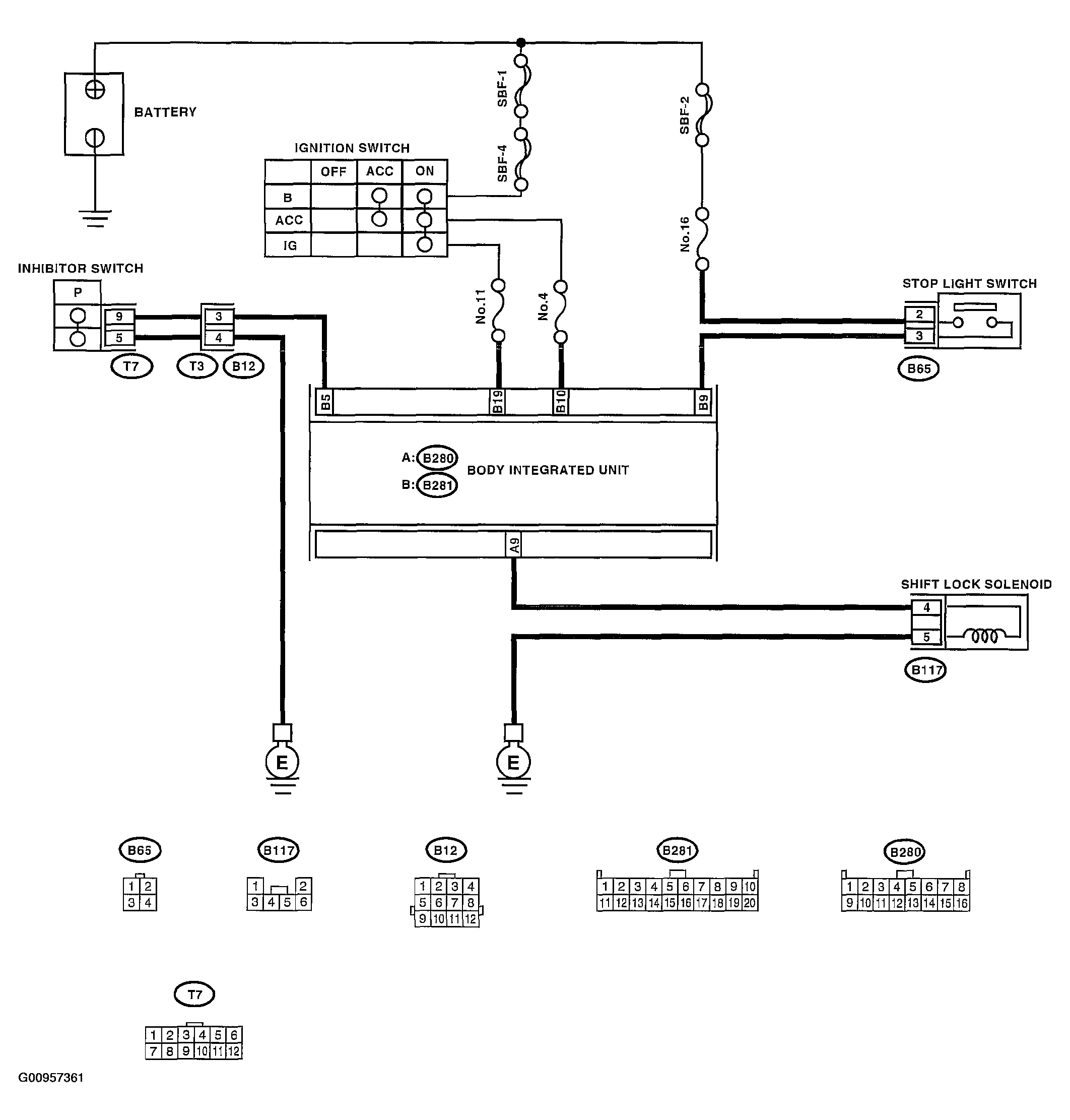
Fig 1: Schematic - Select Lever Shift Lock Cannot Be Released
G00957361Courtesy of SUBARU OF AMERICA, INC.
Fig 2: Select Lever Shift Lock Cannot Be Released Inspection Chart (1 Of 2)
G00957362Courtesy of SUBARU OF AMERICA, INC.
Fig 3: Select Lever Shift Lock Cannot Be Released Inspection Chart (2 Of 2)
G00957363Courtesy of SUBARU OF AMERICA, INC.