LEMON Manuals: Even more car manuals for everyone
Home >> Subaru >> 2002 >> Forester Base >> Repair and Diagnosis >> External Pages >> Different car >> Section 173 (A/T Control System & M/T Control System) >> AT Shift Lock System >> Inspection >> Key Interlock Does Not Lock Or Release

Key Interlock Does Not Lock Or Release

WARNING: This page is about a different car, the 2004 Subaru Impreza. However, it is still accessible from the selected car via links, so may be relevant.
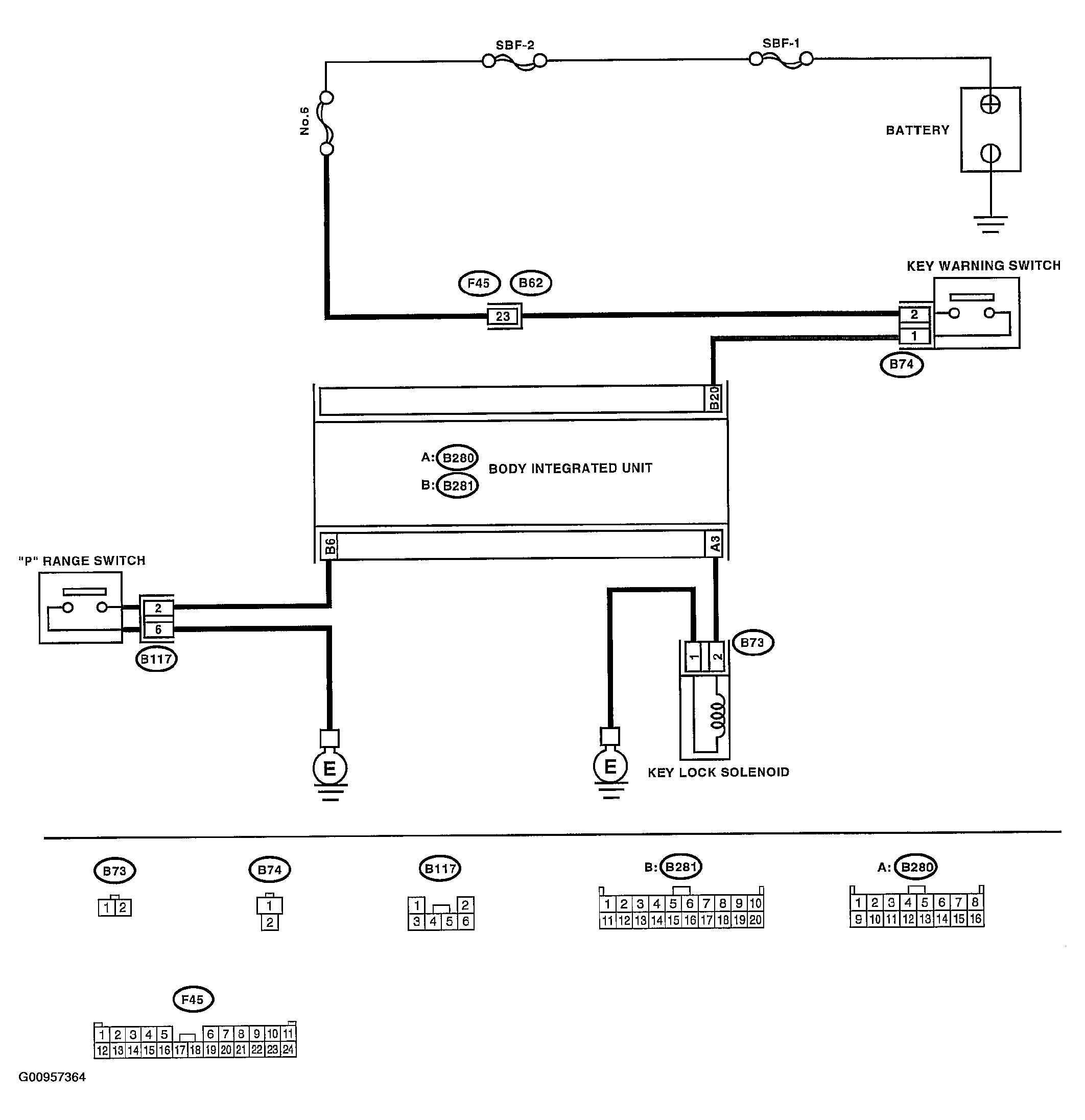
Fig 1: Schematic - Key Interlock Does Not Lock Or Release
G00957364Courtesy of SUBARU OF AMERICA, INC.
Fig 2: Key Interlock Does Not Lock Or Release Inspection Chart (1 Of 2)
G00957365Courtesy of SUBARU OF AMERICA, INC.
Fig 3: Key Interlock Does Not Lock Or Release Inspection Chart (2 Of 2)
G00957366Courtesy of SUBARU OF AMERICA, INC.