LEMON Manuals: Even more car manuals for everyone
Home >> Subaru >> 2001 >> Outback Base, Standard >> Repair and Diagnosis >> External Pages >> Different variant/trim >> Section 2 (A/T Control Systems) >> AT Shift Lock System >> Inspection >> Select Lever Shift Lock Cannot Be Released

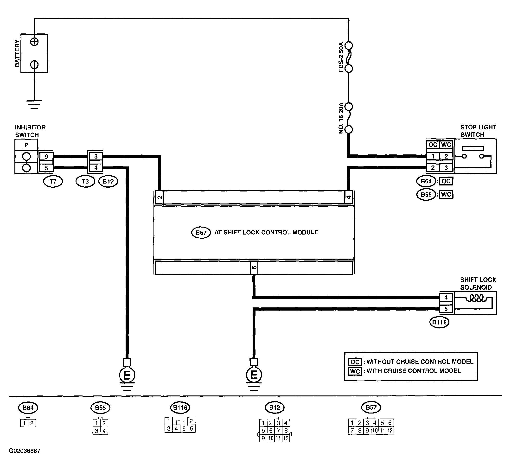
Select Lever Shift Lock Cannot Be Released

WARNING: This page is about a different variant/trim than selected.
Fig 1: Wiring Diagram
G02036887
Fig 2: AT Shift Lock Wiring & Switches Diagnostic Chart
G02036888
Fig 3: AT Shift Lock System Diagnostic Chart
G02036889