LEMON Manuals: Even more car manuals for everyone
Home >> Subaru >> 2001 >> Outback Base, Standard >> Repair and Diagnosis >> External Pages >> Different variant/trim >> Section 2 (A/T Control Systems) >> AT Shift Lock System >> Inspection >> Key Interlock Does Not Lock Or Release

Key Interlock Does Not Lock Or Release

WARNING: This page is about a different variant/trim than selected.
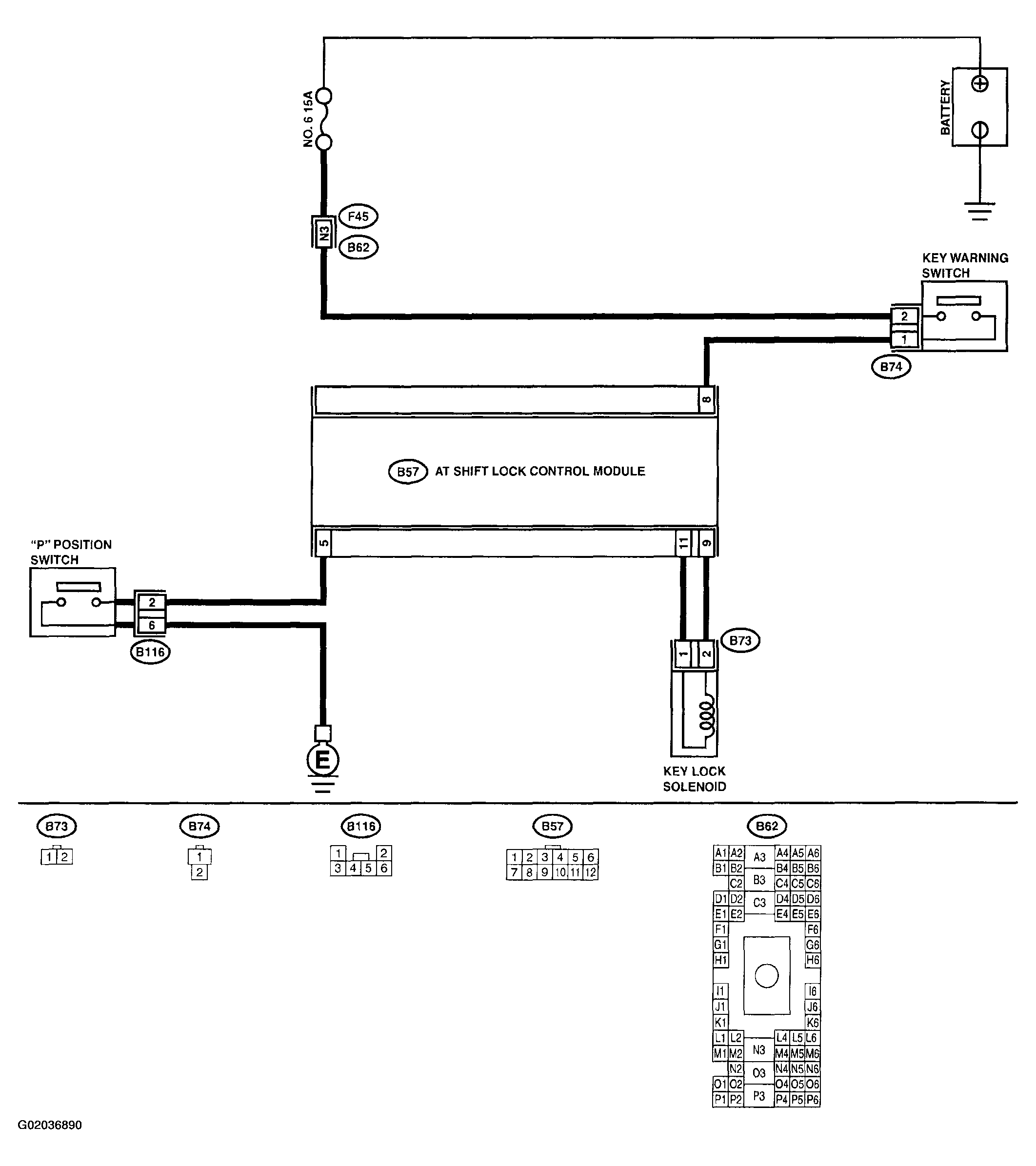
Fig 1: Wiring Diagram
G02036890
Fig 2: Key Interlock Diagnostic Chart
G02036891
Fig 3: Key Interlock Diagnostic Chart
G02036892