LEMON Manuals: Even more car manuals for everyone
Home >> Subaru >> 2001 >> Outback Base, Standard >> Repair and Diagnosis >> External Pages >> Different variant/trim >> Section 2 (A/T Control Systems) >> AT Shift Lock System >> Inspection >> At Shift Lock Control Module Power Supply And Ground Line

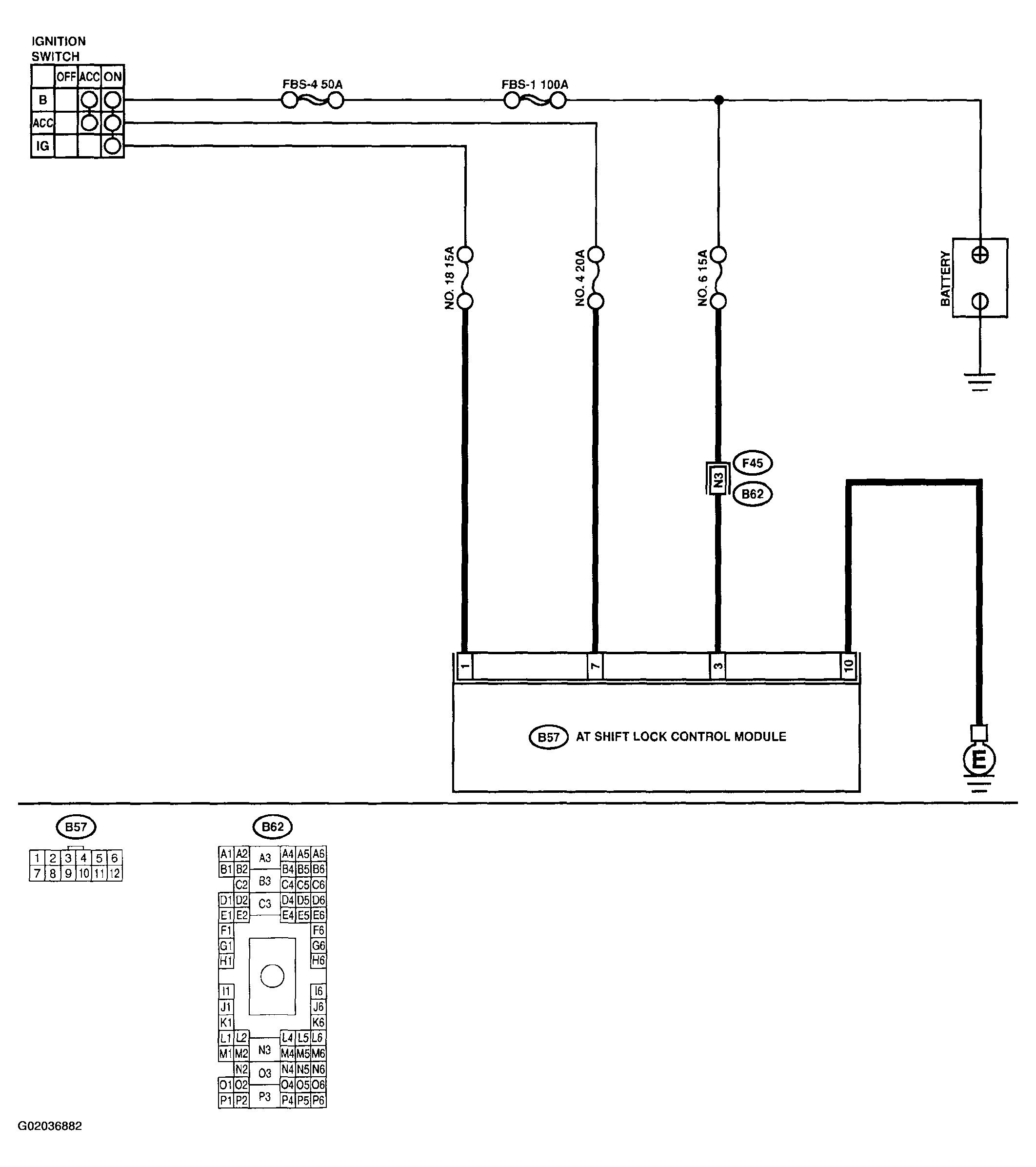
At Shift Lock Control Module Power Supply And Ground Line

WARNING: This page is about a different variant/trim than selected.
Fig 1: Wiring Diagram
G02036882
Fig 2: AT Shift Lock Power Supply Diagnostic Chart
G02036883