LEMON Manuals: Even more car manuals for everyone
Home >> Subaru >> 2001 >> Outback Base, Standard >> Repair and Diagnosis >> External Pages >> Different car >> Section 89 (A/T Control Systems) >> A/T Shift Lock System >> Select Lever Cannot Be Shift Locked

Select Lever Cannot Be Shift Locked

WARNING: This page is about a different car, the 2003 Subaru Impreza. However, it is still accessible from the selected car via links, so may be relevant.
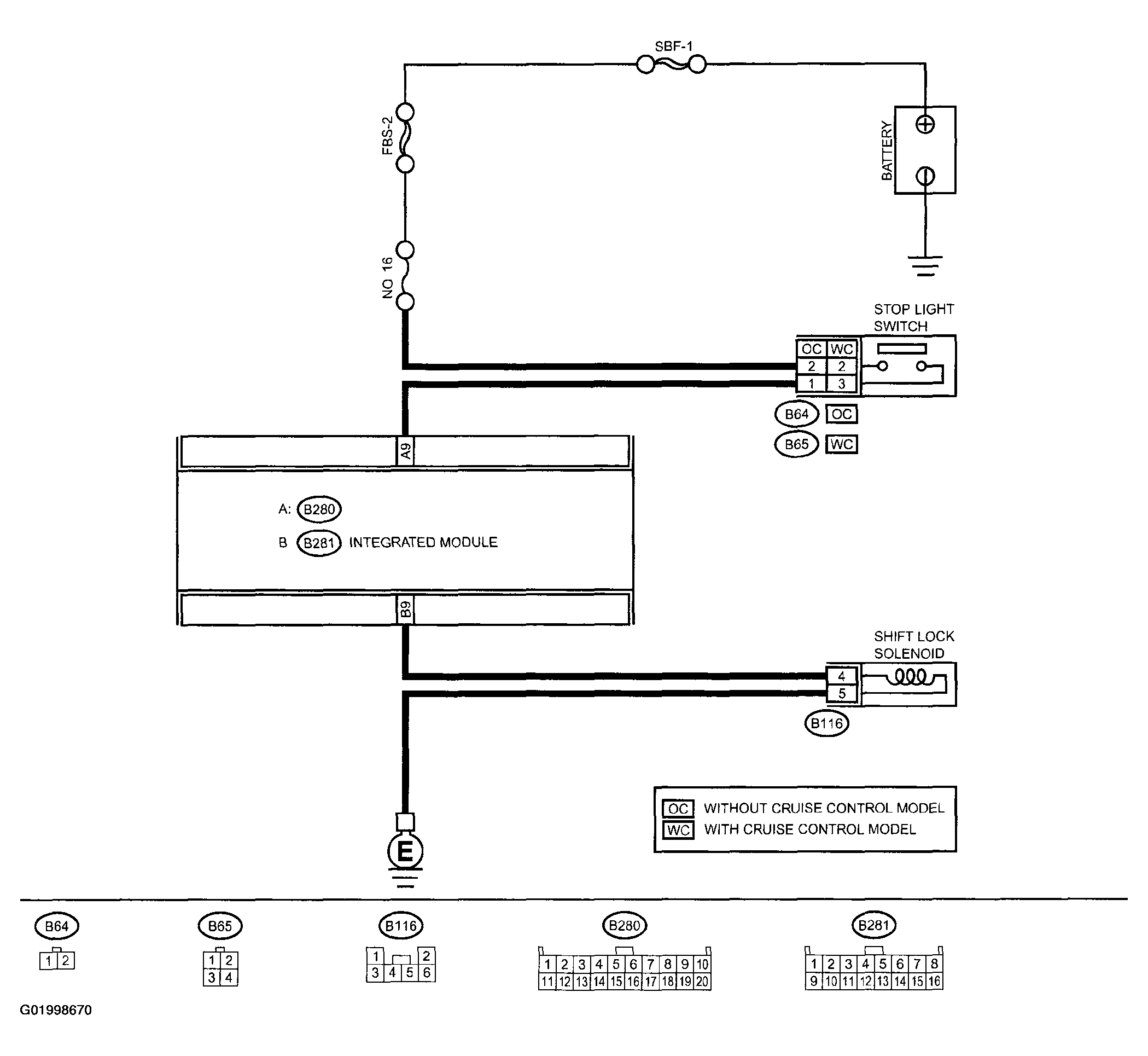
Fig 1: Select Lever Cannot Be Shift Locked Wiring Diagram
G01998670Courtesy of SUBARU OF AMERICA, INC.
Fig 2: Select Lever Cannot Be Shift Locked Trouble Shooting Chart (1 Of 2)
G01998671Courtesy of SUBARU OF AMERICA, INC.
Fig 3: Select Lever Cannot Be Shift Locked Trouble Shooting Chart (2 Of 2)
G01998672Courtesy of SUBARU OF AMERICA, INC.