LEMON Manuals: Even more car manuals for everyone
Home >> Subaru >> 2001 >> Outback Base, Standard >> Repair and Diagnosis >> External Pages >> Different car >> Section 226 (A/T Control System & M/T Control System) >> AT Shift Lock System >> Inspection >> Body Integrated Unit Power Supply And Ground Line

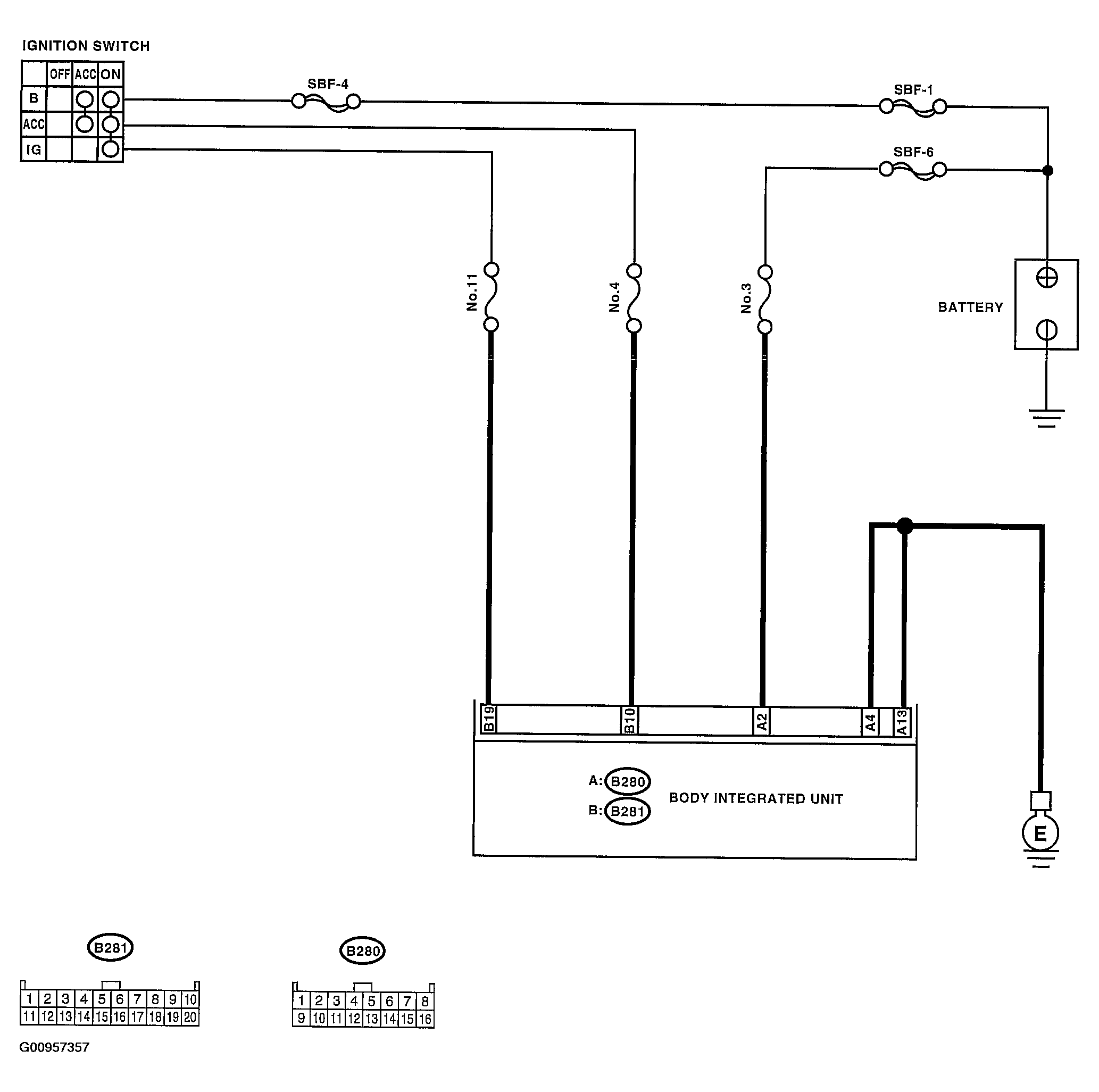
Body Integrated Unit Power Supply And Ground Line

WARNING: This page is about a different car, the 2004 Subaru Impreza. However, it is still accessible from the selected car via links, so may be relevant.
Fig 1: Schematic - Body Integrated Unit Power Supply & Ground Line
G00957357Courtesy of SUBARU OF AMERICA, INC.
Fig 2: Body Integrated Unit Power Supply & Ground Line Inspection Chart
G00957358Courtesy of SUBARU OF AMERICA, INC.