LEMON Manuals: Even more car manuals for everyone
Home >> Subaru >> 2001 >> Outback Base, Standard >> Repair and Diagnosis (Single Page) >> Brakes >> Traction Control >> Anti-Lock Braking System (Diagnostics) >> Control Module I/O Signal >> Schematic

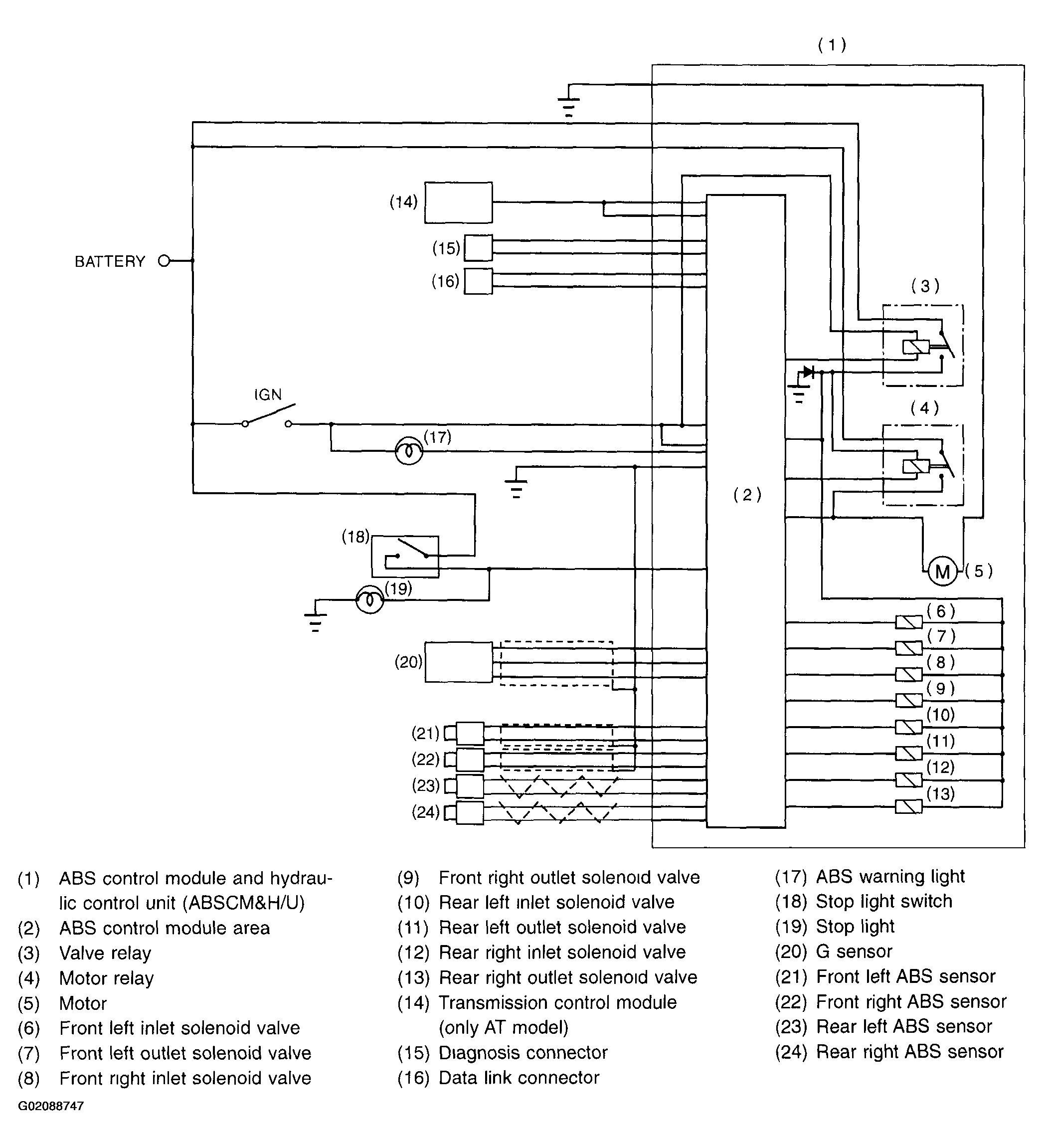
Control Module I/O Signal: Schematic

Fig 1: Electrical Schematic Chart
G02088747