LEMON Manuals: Even more car manuals for everyone
Home >> Subaru >> 2001 >> Outback Base, Standard >> Repair and Diagnosis (Single Page) >> Brakes >> Anti-Lock Brakes >> Vehicle Dynamics Control (Diagnostics) >> Diagnostics Chart With Select Monitor >> Communication For Initializing Impossible (Select Monitor Communication Failure) >> Wiring Diagram

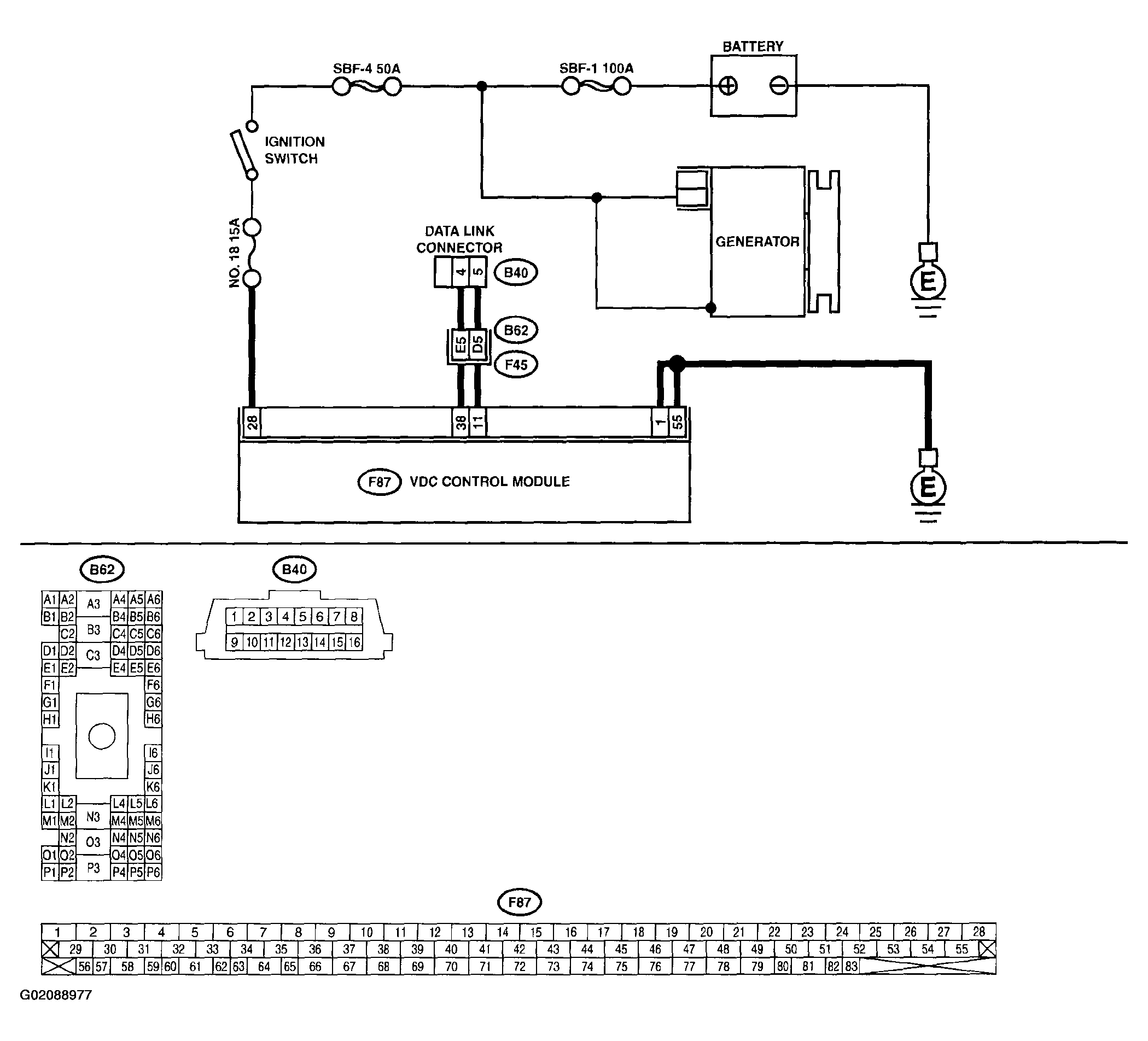
Communication For Initializing Impossible (Select Monitor Communication Failure): Wiring Diagram

Fig 1: Wiring Diagram - Select Monitor Communication Failure
G02088977