LEMON Manuals: Even more car manuals for everyone
Home >> Subaru >> 2001 >> Outback Base, Automatic >> Repair and Diagnosis >> External Pages >> Different car >> Section 89 (A/T Control Systems) >> A/T Shift Lock System >> Select Lever Shift Lock Cannot Be Released

Select Lever Shift Lock Cannot Be Released

WARNING: This page is about a different car, the 2003 Subaru Impreza. However, it is still accessible from the selected car via links, so may be relevant.
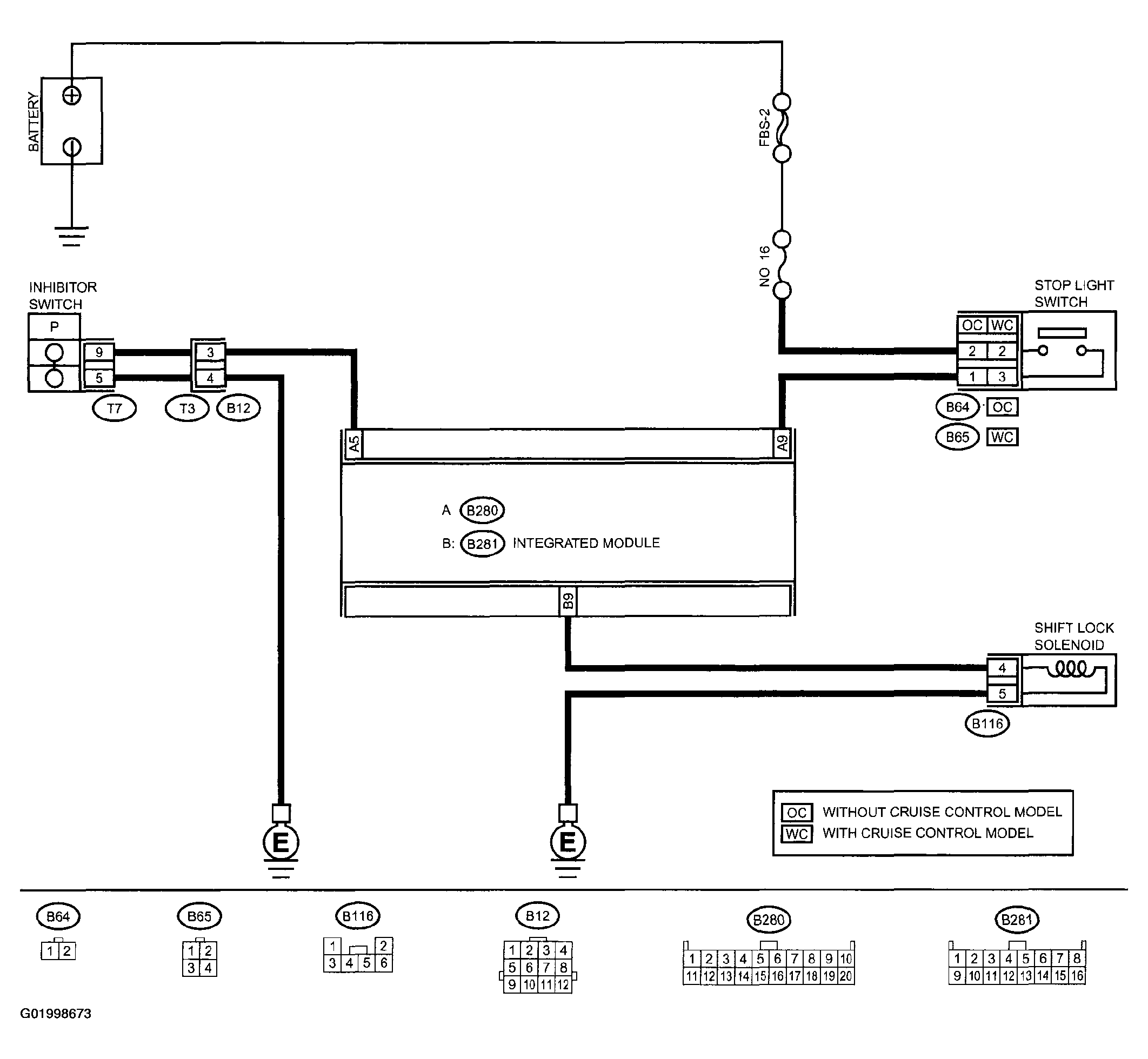
Fig 1: Select Lever Shift lock Cannot Be Released Wiring Diagram
G01998673Courtesy of SUBARU OF AMERICA, INC.
Fig 2: Select Lever Shift Lock Cannot Be Released Trouble Shooting Chart (1 Of 3)
G01998674Courtesy of SUBARU OF AMERICA, INC.
Fig 3: Select Lever Shift Lock Cannot Be Released Trouble Shooting Chart (2 Of 3)
G01998675Courtesy of SUBARU OF AMERICA, INC.
Fig 4: Select Lever Shift Lock Cannot Be Released Trouble Shooting Chart (3 Of 3)
G01998676Courtesy of SUBARU OF AMERICA, INC.