LEMON Manuals: Even more car manuals for everyone
Home >> Subaru >> 2001 >> Outback Base, Automatic >> Repair and Diagnosis >> External Pages >> Different car >> Section 89 (A/T Control Systems) >> A/T Shift Lock System >> Integrated Module Power Supply And Ground Line

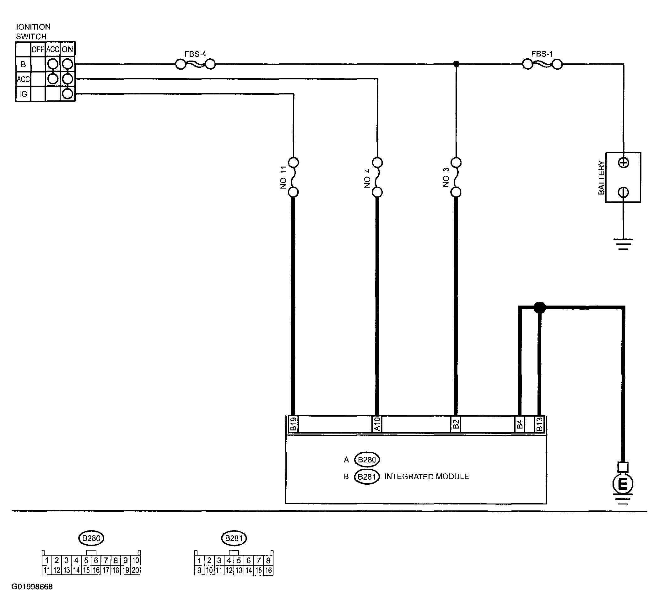
Integrated Module Power Supply And Ground Line

WARNING: This page is about a different car, the 2003 Subaru Impreza. However, it is still accessible from the selected car via links, so may be relevant.
Fig 1: Integrated Module Power Supply & Ground Line Wiring Diagram
G01998668Courtesy of SUBARU OF AMERICA, INC.
Fig 2: Integrated Module Power Supply & Ground Line Trouble Shooting Chart
G01998669Courtesy of SUBARU OF AMERICA, INC.