LEMON Manuals: Even more car manuals for everyone
Home >> Subaru >> 2001 >> Forester Base >> Repair and Diagnosis (Single Page) >> Transmission >> Automatic Trans >> Diagnostics >> Diagnostic Chart With Trouble Code >> List Of Trouble Code >> How To Read Trouble Code At Indicator Light

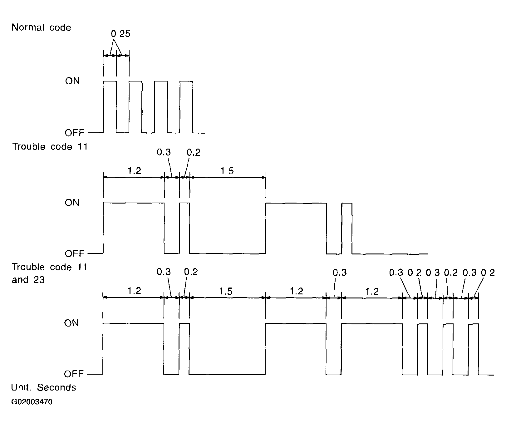
How To Read Trouble Code At Indicator Light

The AT OIL TEMP indicator light flashes the code corresponding to the faulty part.

The long segment (1.2 sec on) indicates a "ten", and the short segment (0.2 sec on) signifies a "one".

Fig 1: How To Read Trouble Codes (At The AT Oil Temp Indicator Light)
G02003470