LEMON Manuals: Even more car manuals for everyone
Home >> Subaru >> 2001 >> Forester Base >> Repair and Diagnosis (Single Page) >> Brakes >> Traction Control >> Anti-Lock Braking System - Diagnostics >> Diagnostics Chart With Select Monitor >> Trouble Code 52 Open Circuit In Motor Relay Circuit - Open Circuit In Motor Relay Circuit

Trouble Code 52 Open Circuit In Motor Relay Circuit - Open Circuit In Motor Relay Circuit

DIAGNOSIS: 

TROUBLE SYMPTOM: 

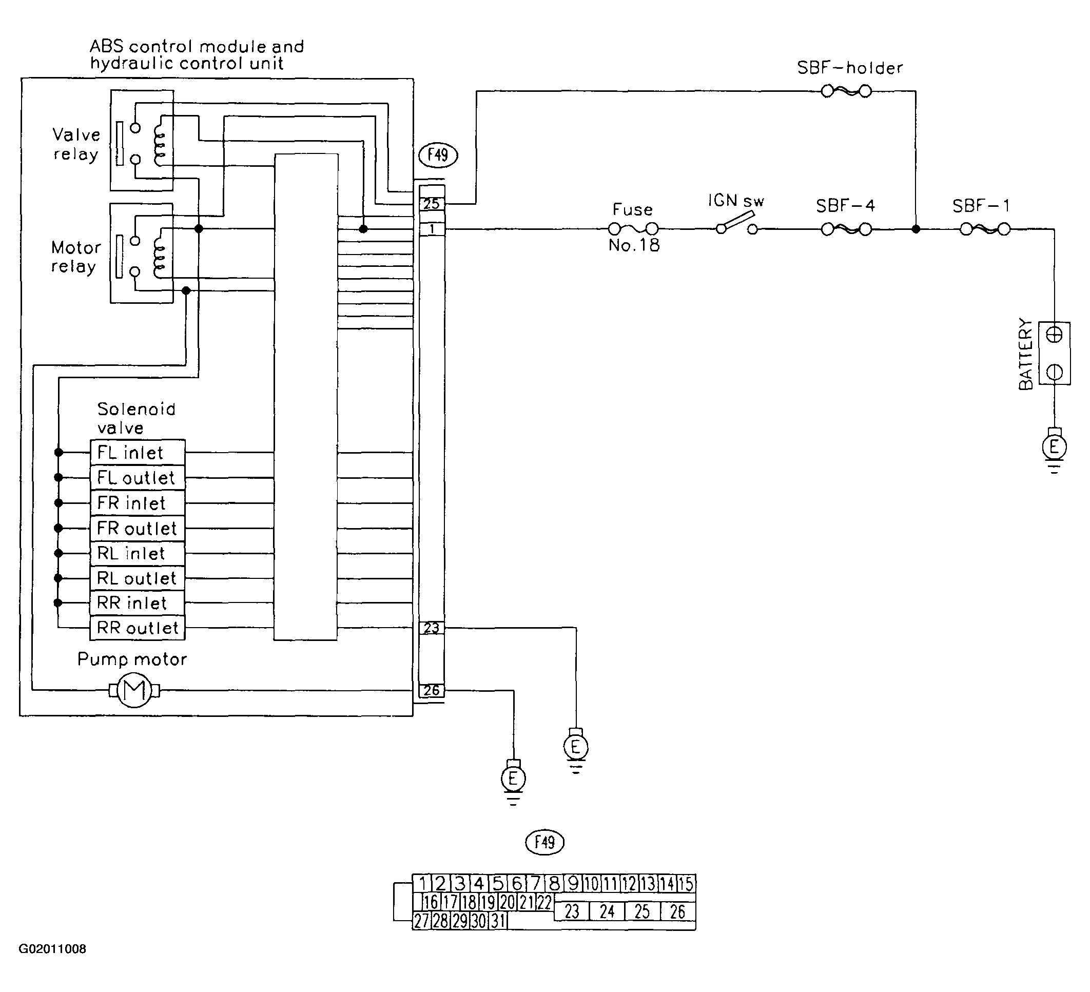
WIRING DIAGRAM: 

Fig 1: Wiring Diagram
G02011008
  1. 10AC1: CHECK INPUT VOLTAGE OF ABSCM & H/U 
    1. Turn ignition switch to OFF.
    2. Disconnect connector from ABSCM & H/U.
    3. Turn ignition switch to ON.
    4. Measure voltage between ABSCM & H/U connector and chassis ground.

    Connector & terminal 

    1. (F49) No. 25 (+) - Chassis ground (-): 
    Fig 2: Measuring Voltage Between ABSCM & H/U Connector & Chassis Ground
    G02011009

    CHECK: Is the voltage between 10 and 15 V? 

    1. YES:  Go to step 10AC2. 
    2. NO:  Repair harness/connector between battery and ABSCM & H/U and check fuse SBF-6.
  2. 10AC2: CHECK GROUND CIRCUIT OF MOTOR. 
    1. Turn ignition switch to OFF.
    2. Measure resistance between ABSCM & H/U connector and chassis ground.

    Connector & terminal 

    1. (F49) No. 26 - Chassis ground: 
    Fig 3: Measuring Resistance Between ABSCM & H/U Connector & Chassis Ground
    G02011010

    CHECK: Is the resistance less than 0.5 ohm ? 

    1. YES:  Go to step 10AC3. 
    2. NO:  Repair ABSCM & H/U ground harness.
  3. 10AC3: CHECK MOTOR OPERATION. 

    Operate the sequence control, see ABS SEQUENCE CONTROL  .

    NOTE: Use the diagnosis connector to operate the sequence control.

    CHECK: Can motor revolution noise (buzz) be heard when carrying out the check sequence? 

    1. YES:  Go to step 10AC4. 
    2. NO:  Replace ABSCM & H/U, see ABS CONTROL MODULE AND HYDRAULIC CONTROL UNIT (ABSCM & H/U)  .
  4. 10AC4: CHECK POOR CONTACT IN CONNECTORS. 

    Turn ignition switch to OFF.

    CHECK: Is there poor contact in connector between hydraulic unit, relay box and ABSCM & H/U? 

    1. YES:  Repair connector.
    2. NO:  Go to step 10AC5. 
  5. 10AC5: CHECK ABSCM & H/U. 
    1. Connect all connectors.
    2. Erase the memory.
    3. Perform inspection mode.
    4. Read out the trouble code.

    CHECK: Is the same trouble code as in the current diagnosis still being output? 

    1. YES:  Replace ABSCM & H/U, see ABS CONTROL MODULE AND HYDRAULIC CONTROL UNIT (ABSCM & H/U)  .
    2. NO:  Go to step 10AC6. 
  6. 10AC6: CHECK ANY OTHER TROUBLE CODES APPEARANCE. 

    CHECK: Are other trouble codes being output? 

    1. YES:  Proceed with the diagnosis corresponding to the trouble code.
    2. NO:  A temporary poor contact.