LEMON Manuals: Even more car manuals for everyone
Home >> Subaru >> 2001 >> Forester Base >> Repair and Diagnosis (Single Page) >> Brakes >> Traction Control >> Anti-Lock Braking System - Diagnostics >> Diagnostics Chart With Select Monitor >> Trouble Code 44 Abs-At Control (Controlled) - Abs-At Control (Controlled)

Trouble Code 44 Abs-At Control (Controlled) - Abs-At Control (Controlled)

DIAGNOSIS: 

TROUBLE SYMPTOM: 

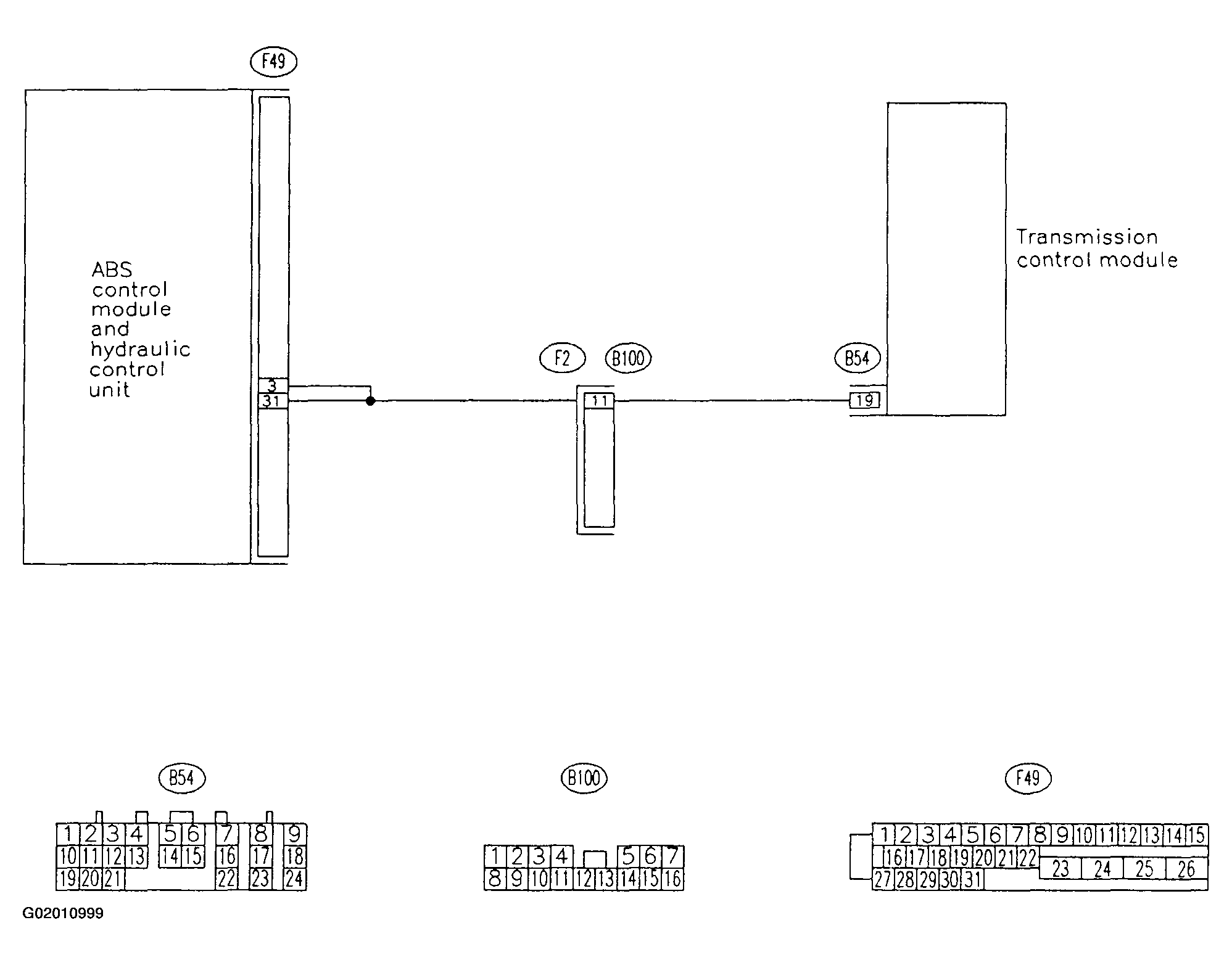
WIRING DIAGRAM: 

Fig 1: Wiring Diagram
G02010999
  1. 10Z1: CHECK BATTERY SHORT OF HARNESS. 
    1. Turn ignition switch to OFF.
    2. Disconnect the two connectors from TCM.
    3. Disconnect connector from ABSCM & H/U.
    4. Measure voltage between ABSCM & H/U connector and chasis ground.

    Connector & terminal 

    1. (F49) No. 3 (+) - Chassis ground (-): 
    Fig 2: Measuring Voltage Between ABSCM & H/U Connector & Chasis Ground
    G02011000

    CHECK: Is the voltage less than 1 V? 

    1. YES:  Go to step 10Z2. 
    2. NO:  Repair harness between TCM and ABSCM & H/U.
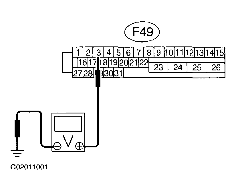
  2. 10Z2: CHECK BATTERY SHORT OF HARNESS. 
    1. Turn ignition switch to ON.
    2. Measure voltage between ABSCM & H/U connector and chassis ground.

    Connector & terminal 

    1. (F49) No. 3 (+) - Chassis ground (-): 
    Fig 3: Measuring Voltage Between ABSCM & H/U Connector & Chassis Ground
    G02011001

    CHECK: Is the voltage less than 1 V? 

    1. YES:  Go to step 10Z3. 
    2. NO:  Repair harness between TCM and ABSCM & H/U.
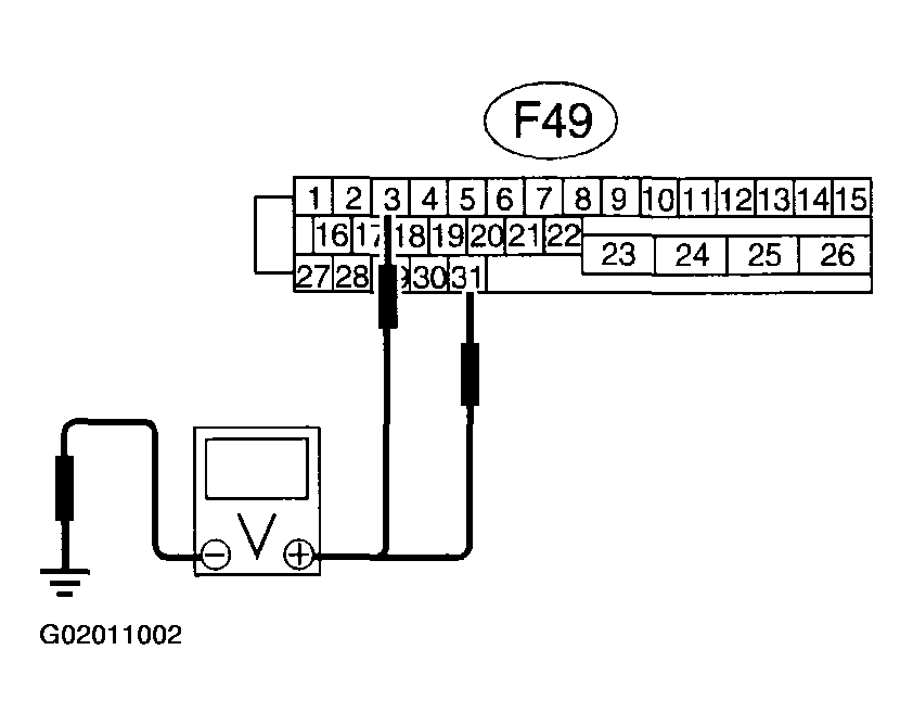
  3. 10Z3: CHECK OPEN CIRCUIT OF HARNESS. 
    1. Turn ignition switch to OFF.
    2. Connect all connectors to TCM.
    3. Turn ignition switch to ON.
    4. Measure voltage between ABSCM & H/U connector and chassis ground.

    Connector & terminal 

    1. (F49) No. 3 (+) - Chassis ground (-): 
    2. (F49) No. 31 (+) - Chassis ground (-): 
    Fig 4: Measuring Voltage Between ABSCM & H/U Connector & Chassis Ground
    G02011002

    CHECK: Is the voltage between 5.5 and 15 V? 

    1. YES:  Go to step 10Z4. 
    2. NO:  Repair harness/connector between TCM and ABSCM & H/U.
  4. 10Z4: CHECK POOR CONTACT IN CONNECTORS. 

    Turn ignition switch to OFF.

    CHECK: Is there poor contact in connectors between TCM and ABSCM & H/U? 

    1. YES:  Repair connector.
    2. NO:  Go to step 10Z5. 
  5. 10Z5: CHECK ABSCM & H/U. 
    1. Connect all connectors.
    2. Erase the memory.
    3. Perform inspection mode.
    4. Read out the trouble code.

    CHECK: Is the same trouble code as in the current diagnosis still being output? 

    1. YES:  Replace ABSCM & H/U, see ABS CONTROL MODULE AND HYDRAULIC CONTROL UNIT (ABSCM & H/U)  .
    2. NO:  Go to step 10Z6. 
  6. 10Z6: CHECK ANY OTHER TROUBLE CODES APPEARANCE. 

    CHECK: Are other trouble codes being output? 

    1. YES:  Proceed with the diagnosis corresponding to the trouble code.
    2. NO:  A temporary poor contact.