LEMON Manuals: Even more car manuals for everyone
Home >> Subaru >> 1992 >> SVX >> Repair and Diagnosis >> Engine Performance >> System >> Engine Controls - Basic Testing >> Ignition Control System Tests

Ignition Control System Tests

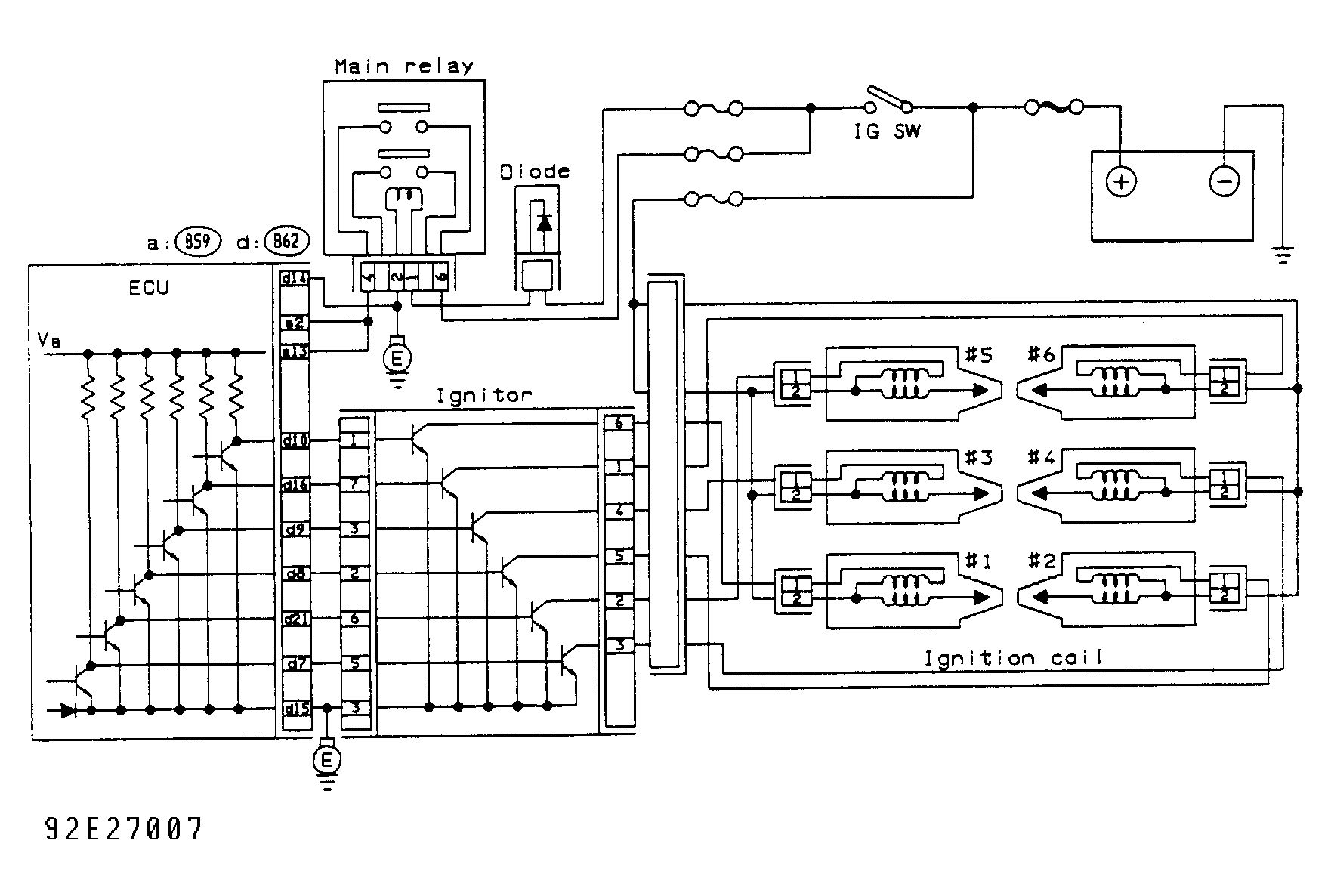
Fig 1: Ignition Control System Test, Schematic
G92E27007Courtesy of SUBARU OF AMERICA, INC.
Fig 2: Ignition Control System Test, Flow Chart
G92F27008Courtesy of SUBARU OF AMERICA, INC.