LEMON Manuals: Even more car manuals for everyone
Home >> Subaru >> 1992 >> Legacy LE >> Repair and Diagnosis >> Engine Performance >> System >> Engine Controls - Tests W/Codes >> Diagnostic Code Charts >> Code 32: Oxygen (O2) Sensor

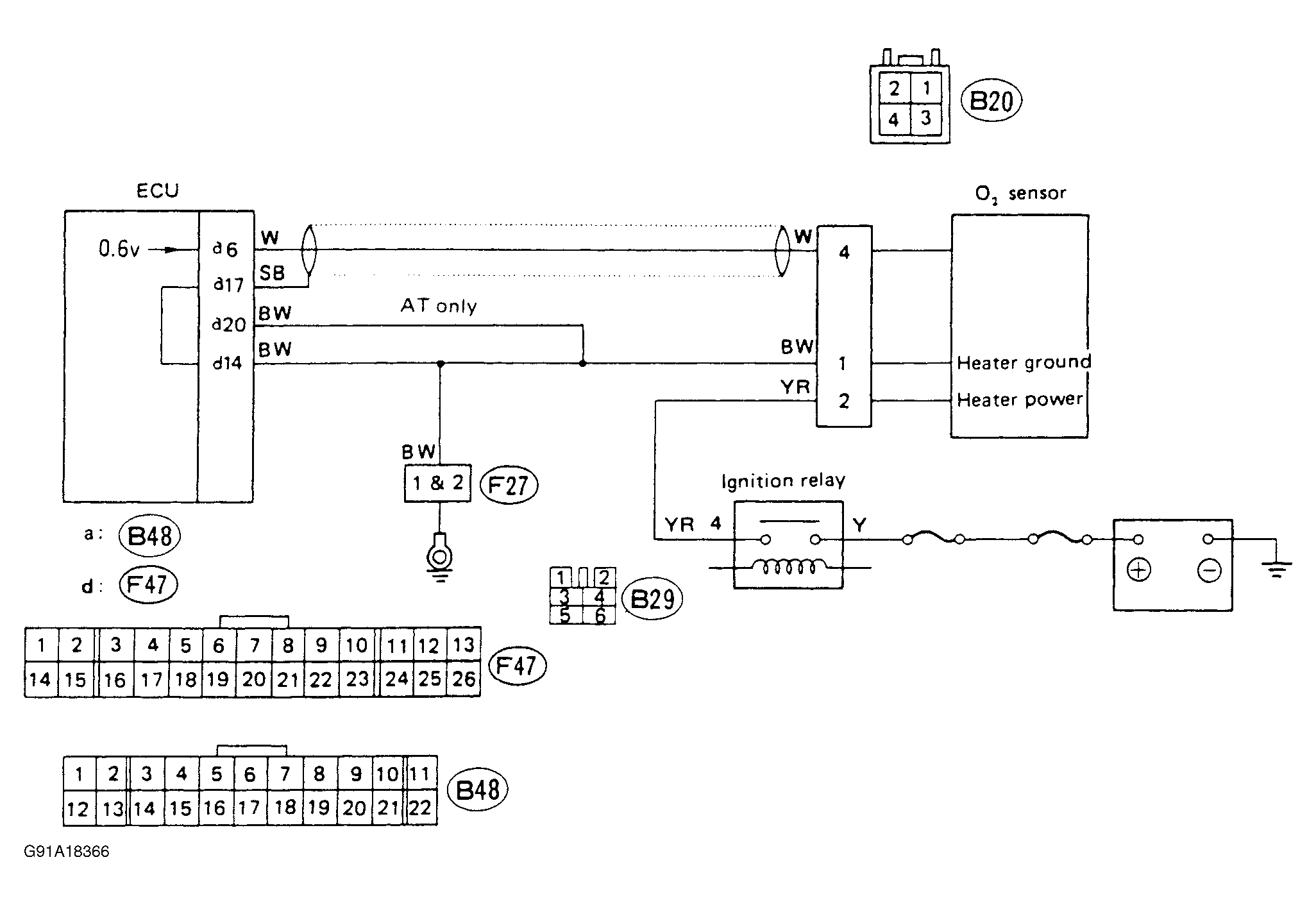
Code 32: Oxygen (O2) Sensor

Fig 1: Schematic - Code 32, Oxygen (O2) Sensor
G91A18366
Fig 2: Flow Chart - Code 32, Oxygen (O2) Sensor
G91J17581