LEMON Manuals: Even more car manuals for everyone
Home >> Subaru >> 1992 >> Legacy LE >> Repair and Diagnosis >> Engine Performance >> System >> Engine Controls - Tests W/Codes >> Diagnostic Code Charts >> Code 13: Cam Angle Sensor

Code 13: Cam Angle Sensor

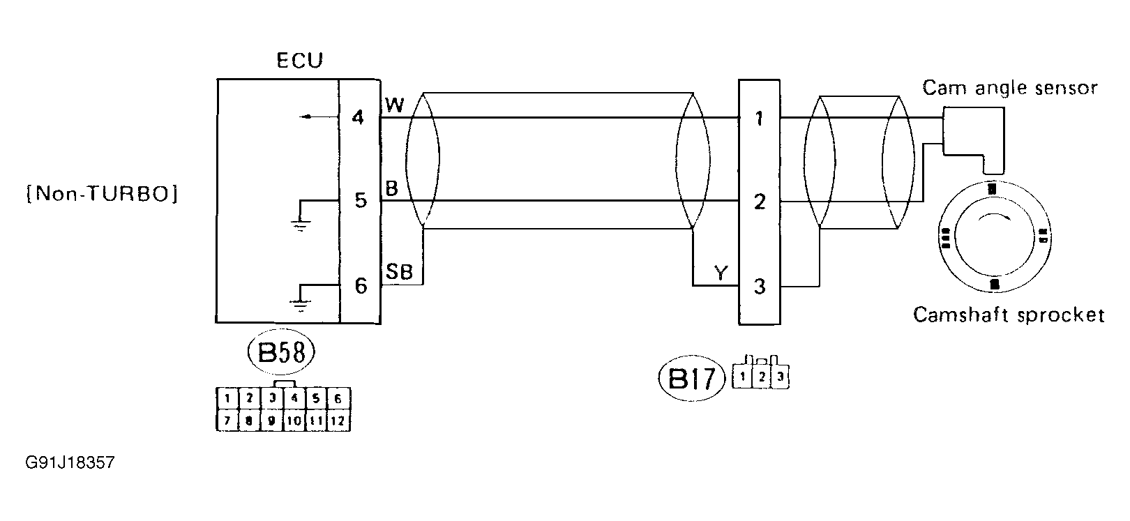
Fig 1: Schematic - Code 13, CAM Angle Sensor (Non-Turbo)
G91J18357
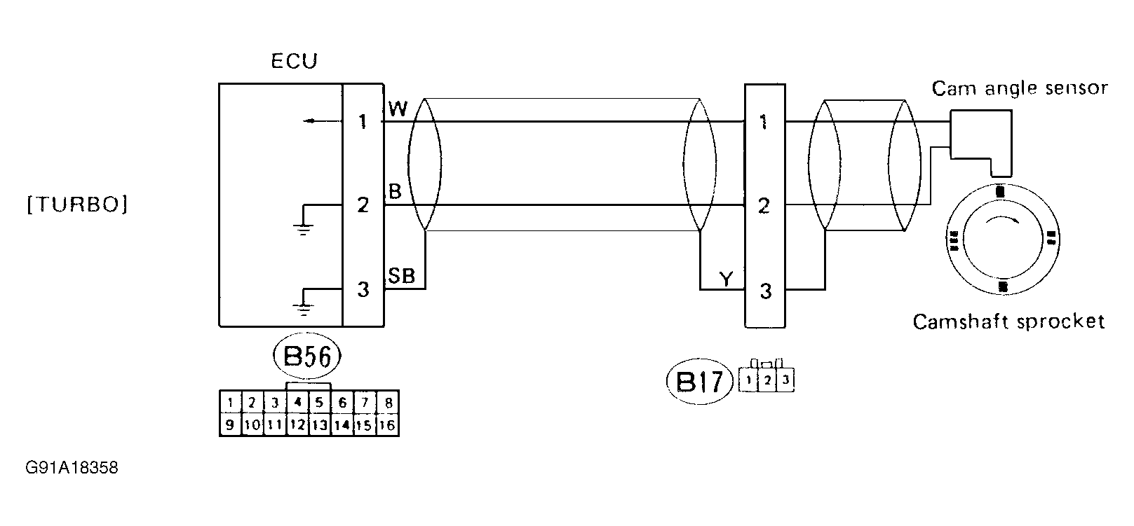
Fig 2: Schematic - Code 13, CAM Angle Sensor (Turbo)
G91A18358
Fig 3: Flow Chart - Code 13, CAM Angle Sensor
G91C17576