LEMON Manuals: Even more car manuals for everyone
Home >> Subaru >> 1992 >> Legacy LE >> Repair and Diagnosis >> Engine Performance >> System >> Engine Controls - Tests W/Codes >> Diagnostic Code Charts >> Code 11: Crank Angle Sensor

Code 11: Crank Angle Sensor

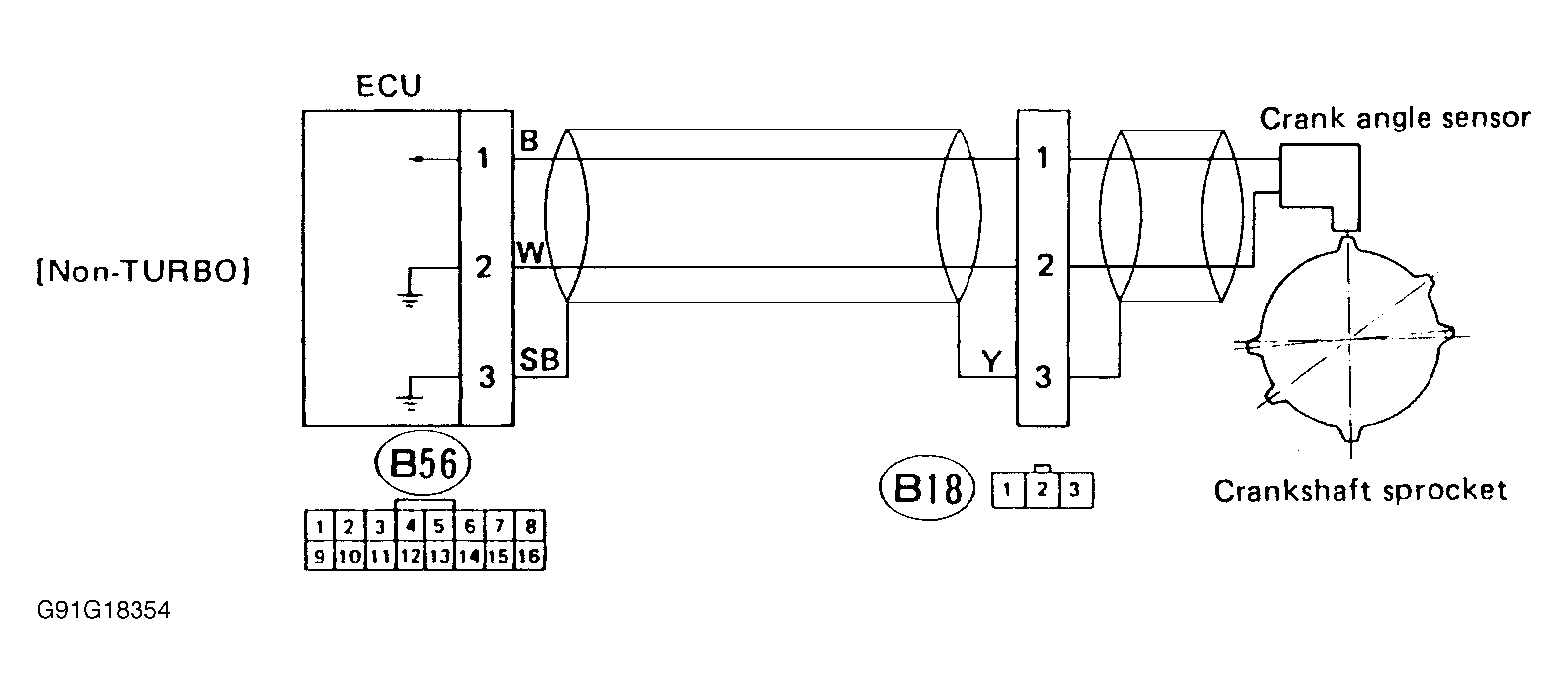
Fig 1: Schematic - Code 11, Crank Angle Sensor (Non-Turbo)
G91G18354
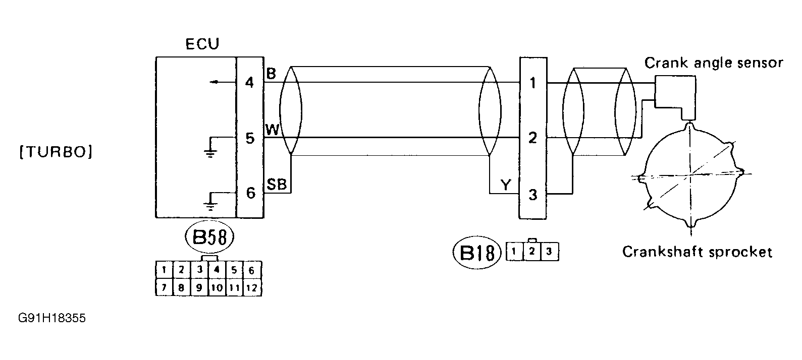
Fig 2: Schematic - Code 11, Crank Angle Sensor (Turbo)
G91H18355
Fig 3: Flow Chart - Code 11, Crank Angle Sensor
G91B17575