LEMON Manuals: Even more car manuals for everyone
Home >> Subaru >> 1991 >> XT6 AWD, Automatic >> Repair and Diagnosis >> Engine Performance >> Remove, Overhaul & Install >> Engine Controls - Remove/Install/Overhaul >> Fuel System >> Turbocharger >> Removal & Installation

Removal & Installation

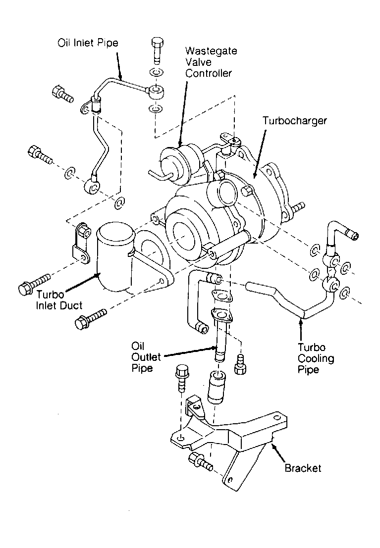
During turbocharger removal and installation, do not allow dirt and dust to enter inlet and outlet openings of turbine and blower. If foreign matter is allowed to enter, turbine and blower blades will be damaged. Turbocharger cannot be disassembled or adjusted. See Fig 1 or Fig 2 .

Fig 1: Exploded View of Turbocharger Assembly (Legacy)
G91C17592Courtesy of SUBARU OF AMERICA, INC.
Fig 2: Exploded View of Turbocharger Assembly (Loyale)
G91D17593Courtesy of SUBARU OF AMERICA, INC.