LEMON Manuals: Even more car manuals for everyone
Home >> Subaru >> 1991 >> XT Automatic >> Repair and Diagnosis >> Engine Performance >> System >> Engine Controls - Basic Testing >> XT6 Fuel Pump Circuit Tests

XT6 Fuel Pump Circuit Tests

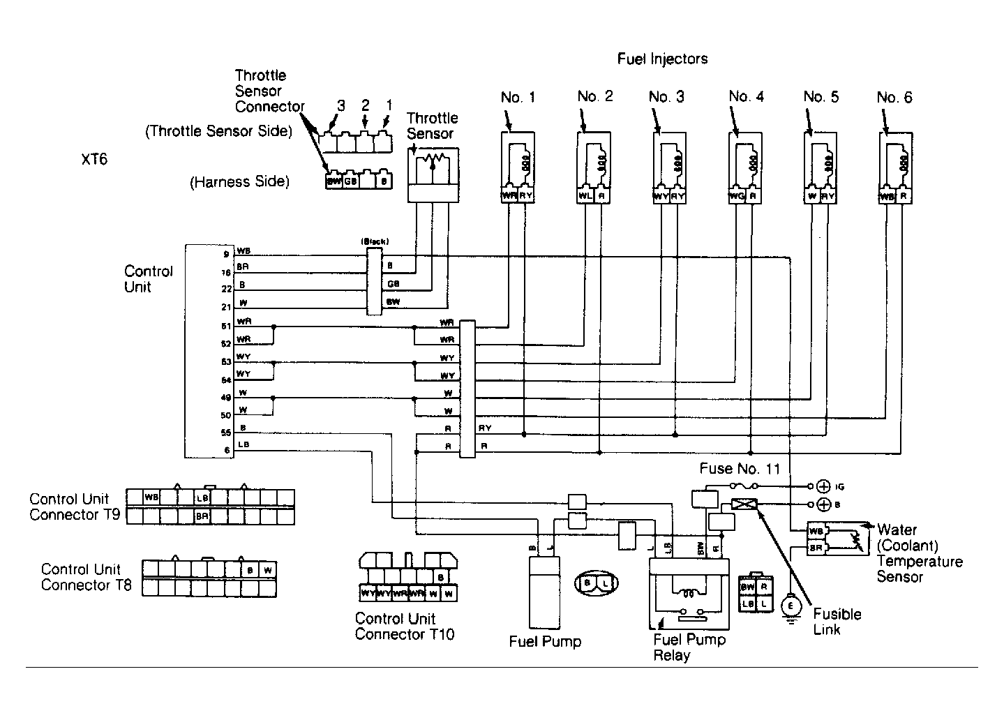
Fig 1: XT6 Fuel Pump Circuit Schematic
G118306Courtesy of SUBARU OF AMERICA, INC.
Fig 2: Flow Chart (1 of 5) - XT6 Fuel Pump Circuit
G121849Courtesy of SUBARU OF AMERICA, INC.
Fig 3: Flow Chart (2 of 5) - XT6 Fuel Pump Circuit
G118307Courtesy of SUBARU OF AMERICA, INC.
Fig 4: Flow Chart (3 of 5) - XT6 Fuel Pump Circuit
G121850Courtesy of SUBARU OF AMERICA, INC.
Fig 5: Flow Chart (4 of 5) - XT6 Fuel Pump Circuit
G118308Courtesy of SUBARU OF AMERICA, INC.
Fig 6: Flow Chart (5 of 5) - XT6 Fuel Pump Circuit
G121853Courtesy of SUBARU OF AMERICA, INC.