LEMON Manuals: Even more car manuals for everyone
Home >> Subaru >> 1982 >> GLF Automatic Trans >> Repair and Diagnosis >> Engine Performance >> Engine Control Systems >> Electronic Control Carburetor >> Testing >> Test Chart Abbreviations

Test Chart Abbreviations

NOTE: Disconnect all wiring harness connectors when measuring component resistance. When measuring voltage, connectors must remain hooked up. Use diagnostic test connectors to make measurements. See Fig 1.
Fig 1: ECC System Electrical Test Connections
G09316293Courtesy of SUBARU OF AMERICA, INC.
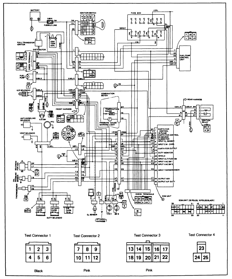
Fig 2: ECC System Wiring Diagram
G09316294Courtesy of SUBARU OF AMERICA, INC.
Fig 3: Electronically Controlled Carburetor Check (All Carburetors)
G09316295Courtesy of SUBARU OF AMERICA, INC.
Fig 4: Electronically Controlled Carburetor Check (Hitachi Carburetors Only)
G09316296Courtesy of SUBARU OF AMERICA, INC.
Fig 5: Electronically Controlled Carburetor Check (Carter Carburetors Only)
G09316297Courtesy of SUBARU OF AMERICA, INC.
Fig 6: Timer Check
G09316298Courtesy of SUBARU OF AMERICA, INC.
Fig 7: Duty Solenoid Check 1
G09316299Courtesy of SUBARU OF AMERICA, INC.
Fig 8: Duty Solenoid Check 2
G09316300Courtesy of SUBARU OF AMERICA, INC.
Fig 9: Feedback Check 1
G09316301Courtesy of SUBARU OF AMERICA, INC.
Fig 10: Feedback Check 2
G09316302Courtesy of SUBARU OF AMERICA, INC.
Fig 11: Clamp Mode Check 1 (Hitachi - All Exc. High Alt.)
G09316303Courtesy of SUBARU OF AMERICA, INC.
Fig 12: Clamp Mode Check 2 (Hitachi - High Alt.)
G09316304Courtesy of SUBARU OF AMERICA, INC.
Fig 13: Clamp Mode Check 3 (Carter - All Exc. High Alt.)
G09316305Courtesy of SUBARU OF AMERICA, INC.
Fig 14: Clamp Mode Check 4 (Carter - All Exc. High Alt.)
G09316306Courtesy of SUBARU OF AMERICA, INC.
Fig 15: Clamp Mode Check 5, Check 6, Check 7
G09316307Courtesy of SUBARU OF AMERICA, INC.
Fig 16: Air Suction Valve Control Check 1 and Check 2
G09316308Courtesy of SUBARU OF AMERICA, INC.