LEMON Manuals: Even more car manuals for everyone
Home >> Subaru >> 1982 >> Brat DL >> Repair and Diagnosis >> Engine Performance >> Engine Control Systems >> Ignition Control System >> Testing >> Revolution Sensor & Fuel Pump Control

Revolution Sensor & Fuel Pump Control

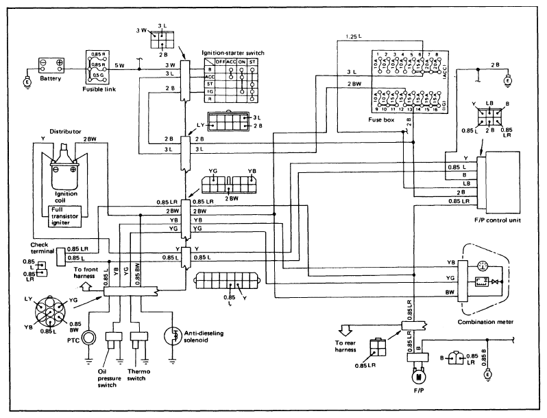
  1. Locate revolution sensor under left side of dash. Disconnect connector. Turn ignition on and ensure 12 volts are present on Black/White and Blue/Black wires.
  2. If not, check ignition switch and related circuits. If 12 volts present, turn ignition off. Using an ohmmeter, ensure Black wire has continuity to ground.
  3. Turn ignition on and jumper Blue wire to ground. Ensure the solenoid valve clicks. If not, check solenoid resistance, 12 volts present on Black/White wire and related circuits.
  4. Turn ignition off. Reconnect harness to revolution sensor. Start engine. If fuel pump does not operate, check for a tachometer signal (voltage pulses) on Yellow wire. If tachometer signal is present, replace revolution sensor. If no tachometer signal, check ignition switch, fuses, ignitor and related circuits.
  5. Start engine and warm to operating temperature. Using a DVOM, backprobe the Blue or Blue/Yellow wire at the revolution sensor. Ensure there is over 5 volts. If not, check solenoid and related circuits for open or short.
  6. Increase engine speed to over 3500 RPM. DVOM should now show 0-4.5 volts at Blue or Blue/Yellow wire. If not, replace revolution sensor.
Fig 1: Wiring Diagram for Federal 4WD Models with Hitachi Carburetors
G09323326Courtesy of SUBARU OF AMERICA, INC.