LEMON Manuals: Even more car manuals for everyone
Home >> Smart >> 2017 >> Fortwo Proxy, 2D Convertible, Standard Trans >> Repair and Diagnosis (Single Page) >> Electrical >> Charging Systems >> Electrical System, Equipment & Instruments - 453 Chassis - 3 Of 3 >> Wiring Diagrams >> Wiring Diagram For Signal Acquisition And Actuation Module (SAM) Control Unit >> Wiring Diagram For Signal Acquisition And Actuation Module (SAM) Control Unit - PE54.21-P-2127-97BBC

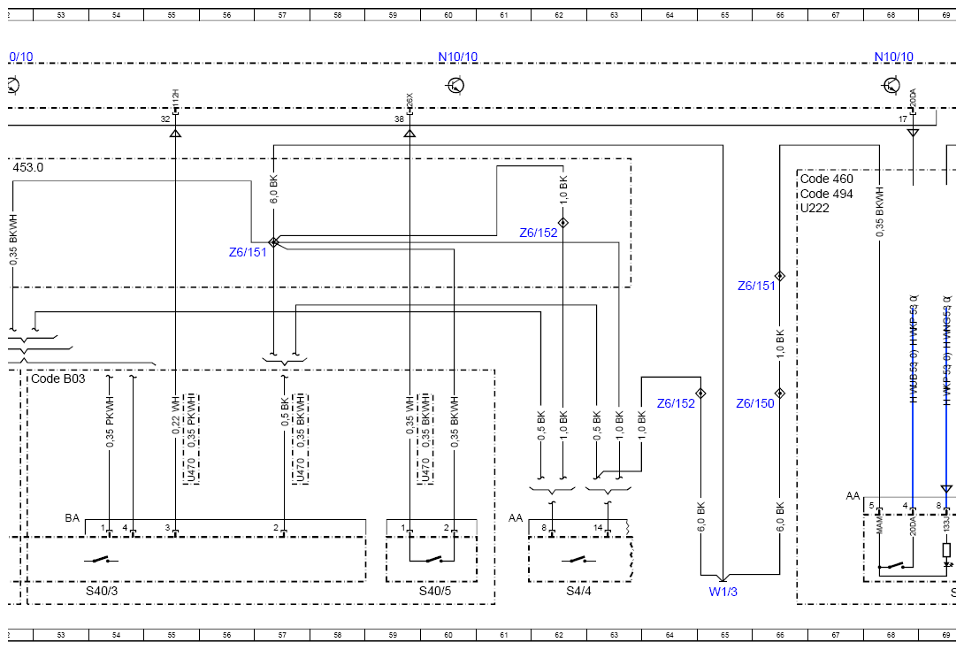
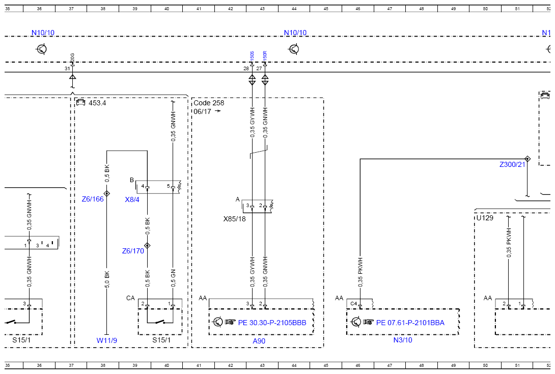
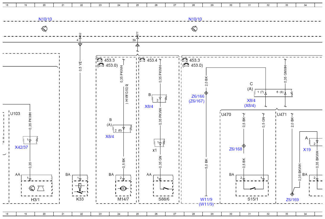
Wiring Diagram For Signal Acquisition And Actuation Module (SAM) Control Unit - PE54.21-P-2127-97BBC

MODEL 453.0 (except 453.091), 453.3 (except 453.391), 453.4 (except 453.491) up to model year 2020 N10/10, connector S2, P1, P 

Code: Designation: Position:
A0 Use of wiring diagrams 113L
A90 Controller unit for distance warning function with active brake intervention 43L
Code 258 Active Brake Assist 41C
Code 460 Canada version 66C
Code 494 USA version 66D
Code B03 Direct starting 52G
Code V19 Anti-theft alarm system 1C
Code V19 Anti-theft alarm system 12C
F2 Vehicle interior fuse and relay module 4L
F2 Vehicle interior fuse and relay module 79L
F2 Vehicle interior fuse and relay module 104L
F2f10 Fuse 10 101K
F2f22 Fuse 22 103K
H3/1 Alarm siren 19L
K33 Air conditioning power supply solenoid switch 22L
M14/7 Rear-end door central locking motor 24L
M6/4 Tailgate wiper motor 99L
N10/10 Center SAM control unit 4A
N10/10 Center SAM control unit 12A
N10/10 Center SAM control unit 20A
N10/10 Center SAM control unit 28A
N10/10 Center SAM control unit 36A
N10/10 Center SAM control unit 44A
N10/10 Center SAM control unit 52A
N10/10 Center SAM control unit 60A
N10/10 Center SAM control unit 68A
N10/10 Center SAM control unit 76A
N10/10 Center SAM control unit 84A
N10/10 Center SAM control unit 92A
N10/10 Center SAM control unit 100A
N3/10 ME-SFI [ME] control unit 47L
S15/1 Trunk lid/liftgate release switch 35L
S15/1 Trunk lid/liftgate release switch 31L
S15/1 Trunk lid/liftgate release switch 40L
S15/3 Driver trunk lid/liftgate control button 69L
S4/4 Windshield wiper system switch 62L
S40/3 Clutch pedal switch 54L
S40/5 Start enable clutch pedal switch 60L
S6/10 Economy mode switch 74L
S85/4 EDW switch, battery 14L
S88/6 Trunk lid contact switch, right 26L
S88/6x1 Trunk lid contact switch electrical connector, right 26H
U103 Valid without code V19 18F
U103 Valid without code V19 12D
U129 Not valid for direct starting 50G
U222 Valid for Korea 66D
U470 Valid for model 453.0 29F
U470 Valid for model 453.0 55J
U470 Valid for model 453.0 57J
U470 Valid for model 453.0 60J
U471 Valid for model 453.3 32F
W1/3 Left cockpit ground point 65L
W1/3 Left cockpit ground point 88H
W11/9 Left rear ground point 29L
W11/9 Left rear ground point 28L
W11/9 Left rear ground point 38L
W22 Ground point 95H
W9 Left front ground point (at lamp unit) 11L
X19 Rear window heater electrical connector 34H
X42/37 ATA alarm siren electrical connector 19H
X8/4 Trunk lid electrical connector 24H
X8/4 Trunk lid electrical connector 39F
X8/4 Trunk lid electrical connector 26F
X8/4 Trunk lid electrical connector 31F
X8/4 Trunk lid electrical connector 31F
X8/4 Trunk lid electrical connector 97G
X85/18 Vehicle interior/vehicle front electrical connector 42G
Z131/2 Time-controlled interior illumination connector sleeve 86E
Z158/7 Central locking Superlocking signal connector sleeve 92E
Z24 ATA [EDW] engine hood connector sleeve 17F
Z30/1 Left turn signal indicator connector sleeve 82E
Z30/2 Right turn signal indicator connector sleeve 84E
Z300/21 Clutch pedal switch signal connector sleeve 51E
Z50/48 Circuit 15 (fused) connector sleeve 103E
Z6/150 Ground connection connector sleeve 66G
Z6/150 Ground connection connector sleeve 88E
Z6/151 Ground connection connector sleeve 56E
Z6/151 Ground connection connector sleeve 73G
Z6/151 Ground connection connector sleeve 66E
Z6/152 Ground connection connector sleeve 64G
Z6/152 Ground connection connector sleeve 62D
Z6/161 Ground connection connector sleeve 11E
Z6/162 Ground connection connector sleeve 13E
Z6/166 Circuit 31 connector sleeve 38F
Z6/166 Circuit 31 connector sleeve 28E
Z6/167 Circuit 31 connector sleeve 28F
Z6/168 Circuit 31 connector sleeve 30H
Z6/169 Circuit 31 connector sleeve 33L
Z6/170 Ground connection connector sleeve 39H
Z81z1 Circuit 58d connector sleeve 72G
G12094197Courtesy of MERCEDES-BENZ USA
G12094198Courtesy of MERCEDES-BENZ USA
G12094199Courtesy of MERCEDES-BENZ USA
G12094200Courtesy of MERCEDES-BENZ USA
G12094201Courtesy of MERCEDES-BENZ USA
G12094202Courtesy of MERCEDES-BENZ USA
G12094203Courtesy of MERCEDES-BENZ USA