Wiring Diagram For Signal Acquisition And Actuation Module (SAM) Control Unit - PE54.21-P-2127-97BBB
MODEL 453.0 (except 453.091), 453.3 (except 453.391), 453.4 (except 453.491) up to model year 2020 N10/10, connector S1
| Code: | Designation: | Position: |
|---|---|---|
| A0 | Use of wiring diagrams | 121L |
| Code 220 | Rear parking assist | 97F |
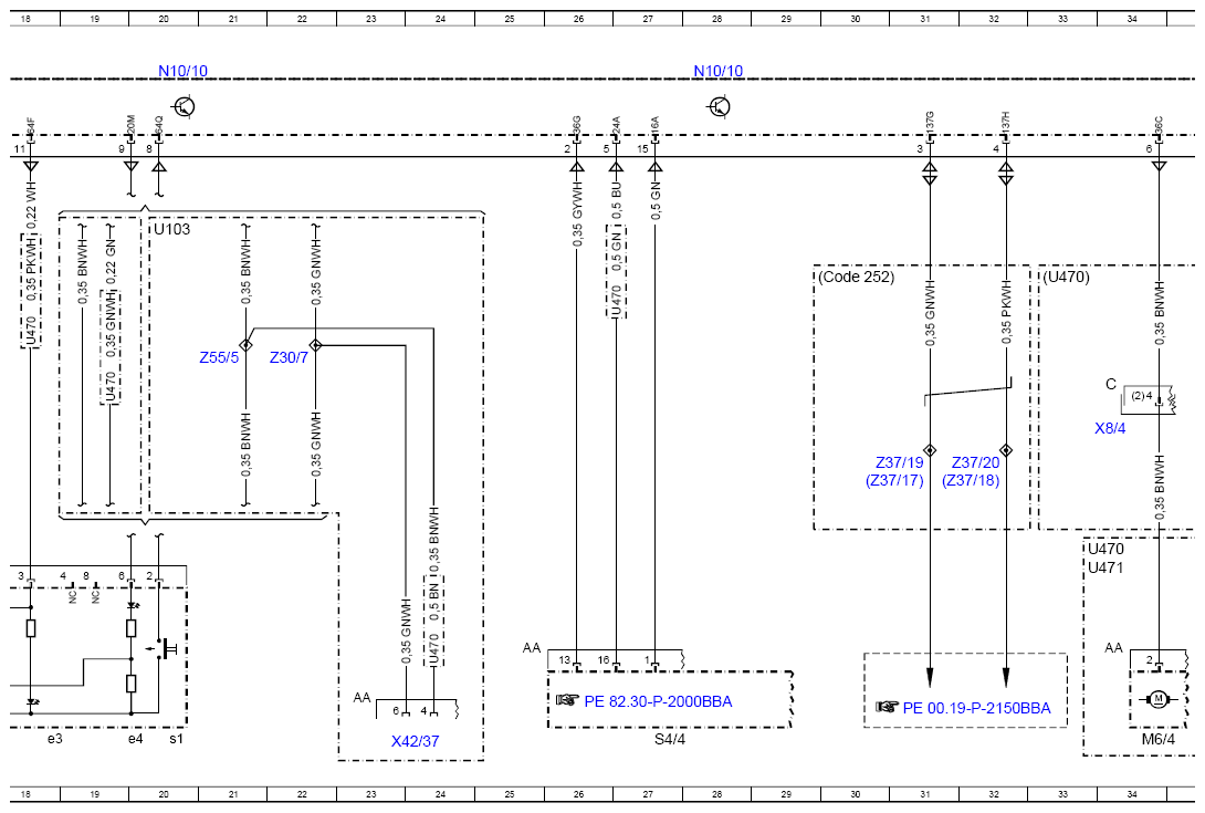
| Code 252 | Collision warning system (FCW) | 29D |
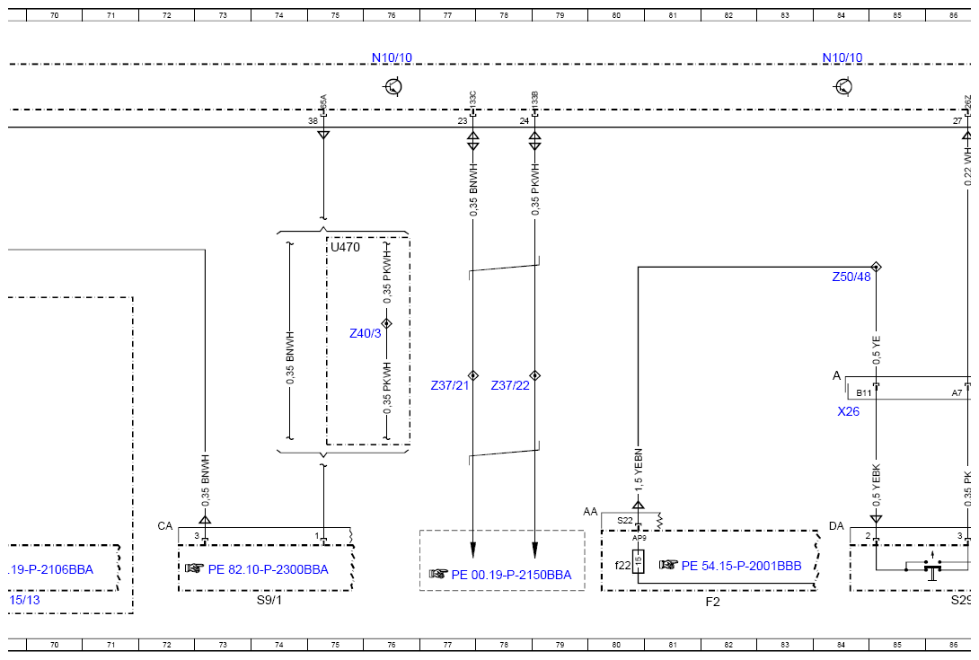
| Code 429 | twinamic | 92F |
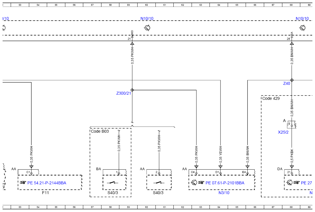
| Code 429 | twinamic | 66F |
| Code 460 | Canada version | 10G |
| Code 494 | USA version | 10G |
| Code B03 | Direct starting | 57G |
| Code 177 | Manual air conditioning | 36A |
| Code 178 | Heating system | 36A |
| E3 | Left rear lamp unit | 104L |
| E4 | Right rear lamp unit | 90L |
| F11 | Combustion engine fuse and relay module | 54L |
| F2 | Vehicle interior fuse and relay module | 48L |
| F2 | Vehicle interior fuse and relay module | 82L |
| F2f1 | Fuse 1 | 47K |
| F2f17 | Fuse 17 | 46K |
| F2f21 | Fuse 21 | 48K |
| F2f22 | Fuse 22 | 80K |
| F2f32 | Fuse 32 | 46K |
| L11 | Transponder coil | 43L |
| M6/4 | Tailgate wiper motor | 34L |
| N10/10 | Center SAM control unit | 4A |
| N10/10 | Center SAM control unit | 12A |
| N10/10 | Center SAM control unit | 20A |
| N10/10 | Center SAM control unit | 28A |
| N10/10 | Center SAM control unit | 35A |
| N10/10 | Center SAM control unit | 44A |
| N10/10 | Center SAM control unit | 52A |
| N10/10 | Center SAM control unit | 60A |
| N10/10 | Center SAM control unit | 68A |
| N10/10 | Center SAM control unit | 76A |
| N10/10 | Center SAM control unit | 84A |
| N10/10 | Center SAM control unit | 92A |
| N10/10 | Center SAM control unit | 100A |
| N10/10 | Center SAM control unit | 107A |
| N10/10 | Center SAM control unit | 113A |
| N10/11 | Driver SAM control unit | 8L |
| N15/13 | Double clutch transmission control unit | 69L |
| N15/5 | Electronic selector lever module control unit | 94L |
| N23 | Climate control and operating unit | 38L |
| N3/10 | ME-SFI [ME] control unit | 64L |
| N62 | Parking system control unit | 99L |
| S29/5 | Backup light activation/idle recognition switch | 86L |
| S4 | Combination switch | 3L |
| S4/4 | Windshield wiper system switch | 27L |
| S40/3 | Clutch pedal switch | 58L |
| S40/3 | Clutch pedal switch | 61L |
| S6/1 | Instrument panel switch group | 17L |
| S6/1e3 | Central locking indicator lamp | 18L |
| S6/1e4 | Hazard warning system indicator lamp | 20L |
| S6/1e5 | Instrument panel switch group symbol illumination | 17L |
| S6/1s1 | Hazard warning system switch | 20L |
| S6/1s2 | Inside door handle central locking switch | 16L |
| S9/1 | Stop lamp switch | 74L |
| U103 | Valid without code V19 | 20D |
| U470 | Valid for model 453.0 | 24K |
| U470 | Valid for model 453.0 | 33H |
| U470 | Valid for model 453.0 | 4E |
| U470 | Valid for model 453.0 | 16E |
| U470 | Valid for model 453.0 | 19F |
| U470 | Valid for model 453.0 | 18E |
| U470 | Valid for model 453.0 | 13C |
| U470 | Valid for model 453.0 | 33D |
| U470 | Valid for model 453.0 | 27E |
| U470 | Valid for model 453.0 | 37E |
| U470 | Valid for model 453.0 | 89H |
| U470 | Valid for model 453.0 | 75E |
| U470 | Valid for model 453.0 | 108A |
| U471 | Valid for model 453.3 | 33H |
| U471 | Valid for model 453.3 | 15C |
| U472 | Valid for model 453.4 | 15C |
| W1/3 | Left cockpit ground point | 6L |
| W22 | Ground point | 42G |
| X25/2 | Engine compartment/vehicle interior electrical connector | 68H |
| X26 | Vehicle interior/engine wiring harness electrical connector | 84H |
| X42/37 | ATA alarm siren electrical connector | 23L |
| X8/4 | Trunk lid electrical connector | 34F |
| Z111/6 | Circuit 58 connector sleeve | 8H |
| Z30/7 | Hazard warning system connector sleeve | 22E |
| Z300/21 | Clutch pedal switch signal connector sleeve | 59E |
| Z37/17 | CAN bus (low) connector sleeve | 31G |
| Z37/18 | CAN databus (high) connector sleeve | 32G |
| Z37/19 | CAN bus (low) connector sleeve | 31G |
| Z37/20 | CAN databus (high) connector sleeve | 32G |
| Z37/21 | CAN bus (low) connector sleeve | 77G |
| Z37/22 | CAN databus (high) connector sleeve | 78G |
| Z38 | Backup lamp connector sleeve | 99E |
| Z40 | Stop lamp signal connector sleeve | 68E |
| Z40/3 | Stop lamp connector sleeve | 76F |
| Z50/46 | Circuit 15 (fused) connector sleeve | 48E |
| Z50/48 | Circuit 15 (fused) connector sleeve | 84E |
| Z50/64 | Circuit 30 (fused) connector sleeve | 44G |
| Z55/5 | Central locking warning lamp connector sleeve | 21E |
| Z6/150 | Ground connection connector sleeve | 5H |
| Z6/152 | Ground connection connector sleeve | 5E |
| Z7/89 | Line signal connector sleeve | 113E |
| Z81z1 | Circuit 58d connector sleeve | 12H |