LEMON Manuals: Even more car manuals for everyone
Home >> Smart >> 2017 >> Fortwo Proxy, 2D Convertible, Standard Trans >> Repair and Diagnosis (Single Page) >> Electrical >> Charging Systems >> Electrical System, Equipment & Instruments - 453 Chassis - 2 Of 3 >> Wiring Diagrams >> Wiring Diagram For Fuse And Relay Module >> Wiring Diagram For Fuse And Relay Module - PE54.15-P-2001-97BBA

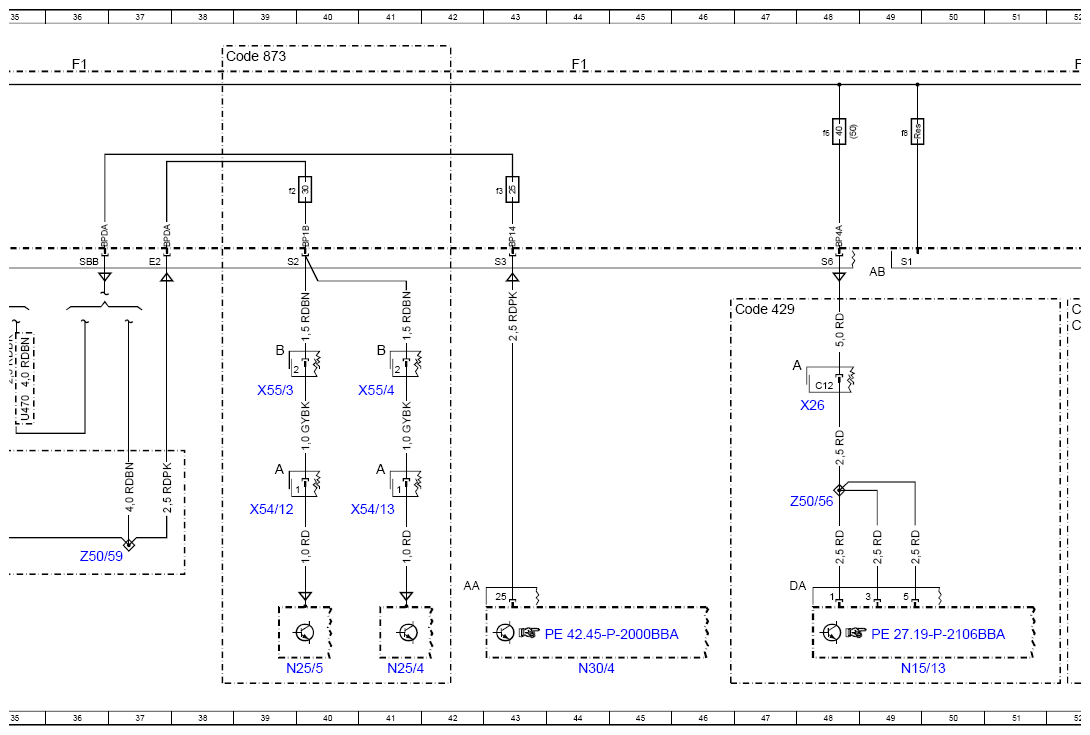
Wiring Diagram For Fuse And Relay Module - PE54.15-P-2001-97BBA

MODEL 453.0 (except 453.091), 453.3 (except 453.391), 453.4 (except 453.491) F1 

Code: Designation: Position:
AO Use of wiring diagrams 56L
Code 429 twinamic 47E
Code 460 Canada version 52E
Code 494 USA version 52E
Code 873 Seat heater 33H
Code 873 Seat heater 38A
Code E55 Folding roof 29A
Code 101 Air conditioning 11F
Code 101 Air conditioning 22A
Code 177 Manual air conditioning 5H
Code 177 Manual air conditioning 11E
Code 177 Manual air conditioning 22A
Code 178 Heating system 14A
F1 Power supply fuse and relay module 4A
F1 Power supply fuse and relay module 12A
F1 Power supply fuse and relay module 20A
F1 Power supply fuse and relay module 28A
F1 Power supply fuse and relay module 36A
F1 Power supply fuse and relay module 44A
F1 Power supply fuse and relay module 52A
F108 Battery clamp fuse 3L
F108f1 Fuse 1 1K
F11 Combustion engine fuse and relay module 12L
F11f5 Fuse 5 10K
F1f1 Fuse 1 32C
F1f2 Fuse 2 39C
F1f3 Fuse 3 43C
F1f4 Fuse 4 27B
F1f4 Fuse 4 30B
F1f5 Fuse 5 13B
F1f6 Fuse 6 48B
F1f7 Fuse 7 19B
F1f7 Fuse 7 22B
F1f8 Fuse 8 49B
F1f9 Fuse 9 53B
F1k1 Fan relay 16B
F2 Vehicle interior fuse and relay module 31L
K32 Fan solenoid switch, ICE combustion engine cooling 7L
K32 Fan solenoid switch, ICE combustion engine cooling 24L
K64 Secondary air injection pump relay 54L
M4/7 Fan motor 15L
N15/13 Double clutch transmission control unit 49L
N25/4 Front passenger seat heater control unit 41L
N25/5 Driver seat heater control unit 39L
N3/10 ME-SFI [ME] control unit 19L
N30/4 Electronic Stability Program control unit 44L
U470 Valid for model 453.0 18F
U470 Valid for model 453.0 11J
U470 Valid for model 453.0 35G
U470 Valid for model 453.0 29A
U472 Valid for model 453.4 27A
W2 Right front ground point 16F
X26 Vehicle interior/engine wiring harness electrical connector 48G
X54/12 Front seat heater electrical connector, driver 39H
X54/13 Front seat heater electrical connector, front passenger 41H
X55/3 Driver seat connector block 39F
X55/4 Front passenger seat connector block 41F
Z50/56 Circuit 30 (fused) connector sleeve 48H
Z50/59 Circuit 30 (fused) connector sleeve 36J
Z50/66 Circuit 30 (fused) connector sleeve 12G
Z6/157 Ground connection connector sleeve 16H
Z7/111 Circuit 87 connector sleeve 10G
Z7/111 Circuit 87 connector sleeve 54G
G12094084Courtesy of MERCEDES-BENZ USA
G12094085Courtesy of MERCEDES-BENZ USA
G12094086Courtesy of MERCEDES-BENZ USA
G12094087Courtesy of MERCEDES-BENZ USA