LEMON Manuals: Even more car manuals for everyone
Home >> Scion >> 2014 >> xB Standard Trans >> Repair and Diagnosis >> Engine Performance >> Testing & Diagnosis >> Engine Control System (Diagnostics - Introduction) >> SFI System >> System Diagram [11/2013 - ] >> System Diagram [11/2013 - ]

System Diagram [11/2013 - ]

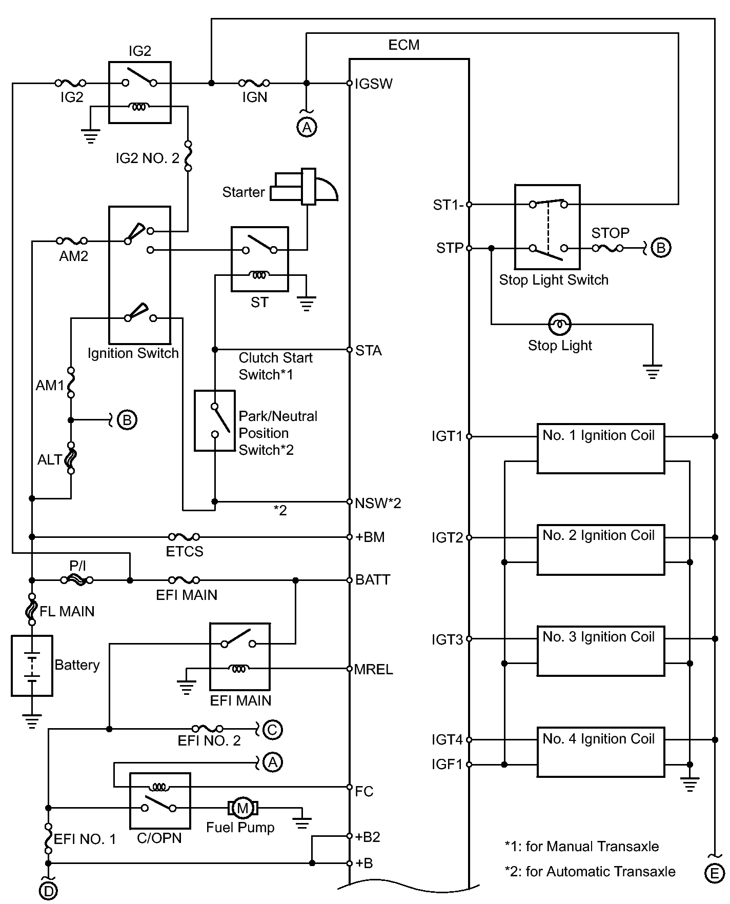
Fig 1: Identifying SFI System Wiring Diagram (1 Of 3)
GTY422379Courtesy of © TOYOTA, LICENSE AGREEMENT TMS1002
Fig 2: Identifying SFI System Wiring Diagram (2 Of 3)
GTY422571Courtesy of © TOYOTA, LICENSE AGREEMENT TMS1002
Fig 3: Identifying SFI System Wiring Diagram (3 Of 3)
GTY422478Courtesy of © TOYOTA, LICENSE AGREEMENT TMS1002