LEMON Manuals: Even more car manuals for everyone
Home >> Scion >> 2014 >> tC Automatic Trans >> Repair and Diagnosis >> Engine Performance >> System >> Engine Control System (Diagnostics & Circuit Tests) >> SFI System >> Circuit Tests >> Fuel Pump Control Circuit [05/2013 - 01/2014] >> Wiring Diagram

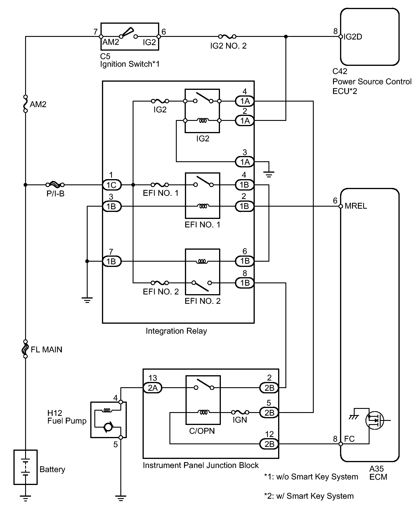
Fuel Pump Control Circuit [05/2013 - 01/2014]: Wiring Diagram

Fig 1: Fuel Pump Control Circuit - Wiring Diagram
GTY422442Courtesy of © TOYOTA, LICENSE AGREEMENT TMS1002