LEMON Manuals: Even more car manuals for everyone
Home >> Scion >> 2013 >> tC Automatic Trans >> Repair and Diagnosis >> Accessories & Equipment >> Anti-Theft Systems >> Smart Key System (For Entry Function) (Diagnostics - Introduction) >> SMART KEY SYSTEM (for Entry Function) >> System Diagram >> System Diagram

System Diagram

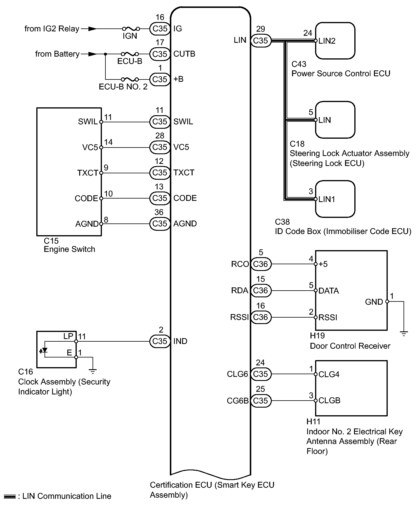
Fig 1: Smart Key System Circuit Diagram (1 Of 2)
GTY311799Courtesy of © TOYOTA, LICENSE AGREEMENT TMS1002
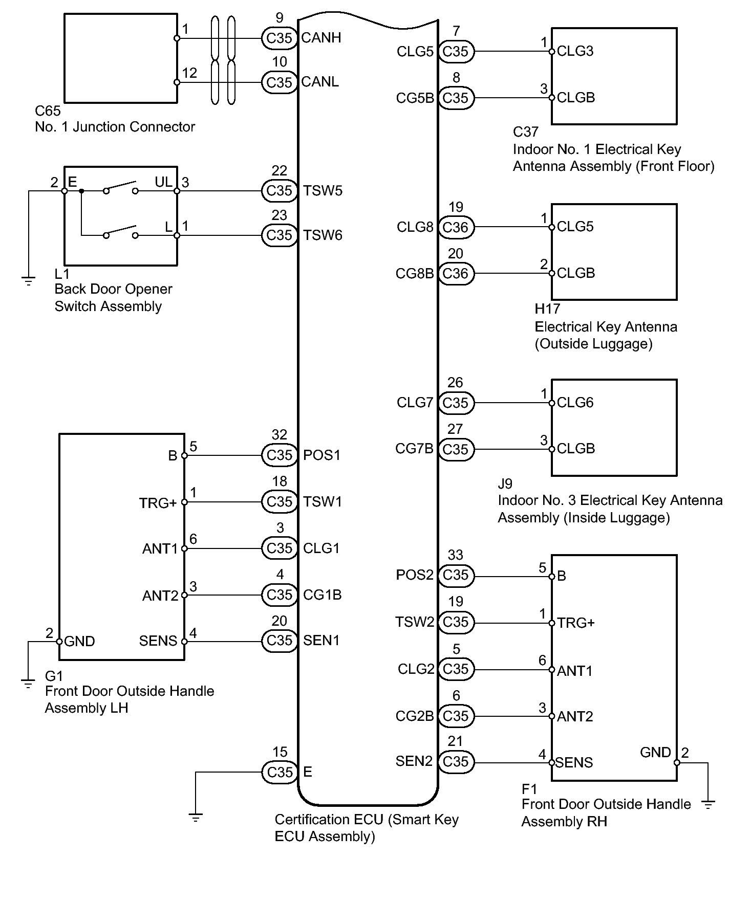
Fig 2: Smart Key System Circuit Diagram (2 Of 2)
GTY312260Courtesy of © TOYOTA, LICENSE AGREEMENT TMS1002
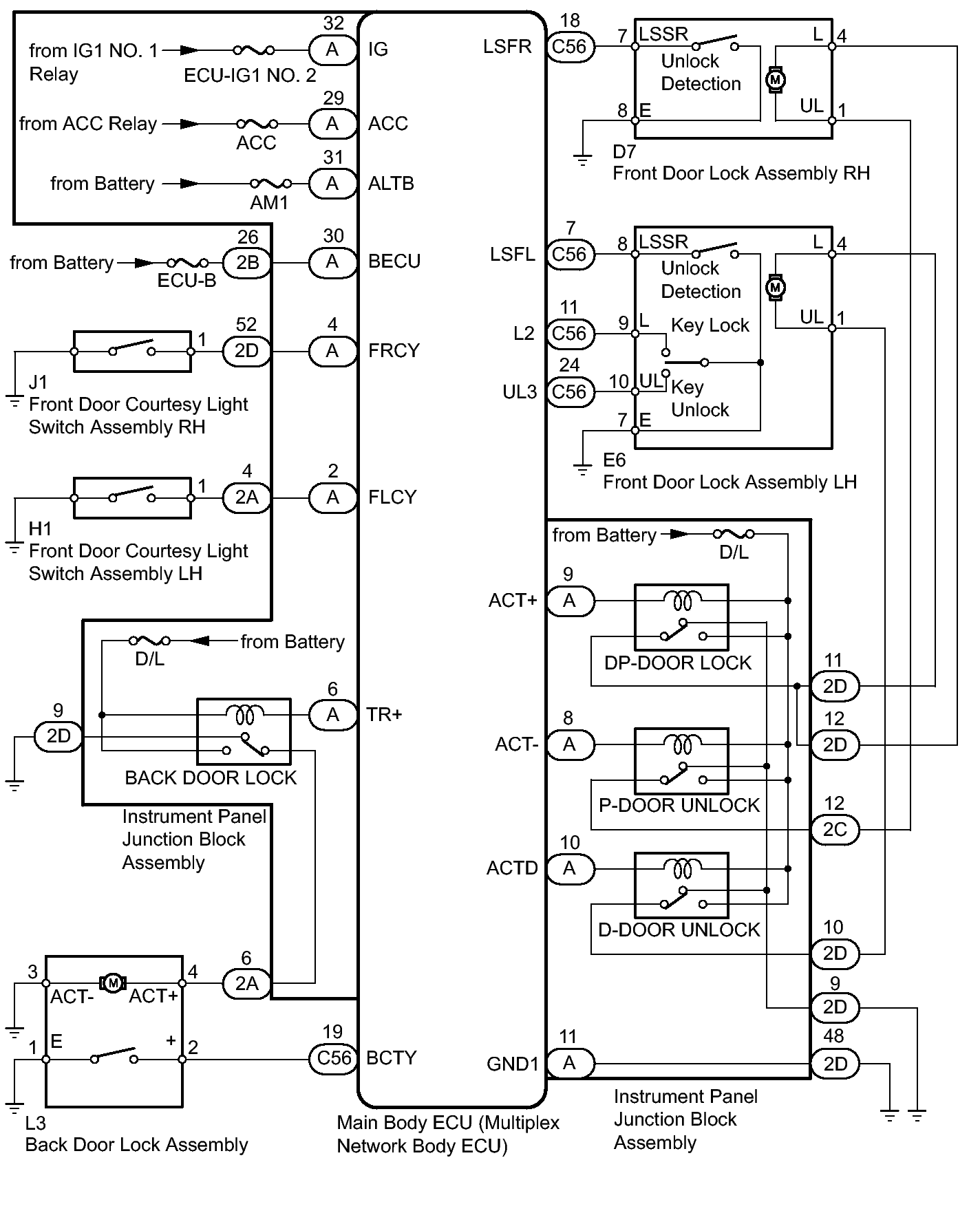
Fig 3: Main Body ECU (Multiplex Network Body ECU) - Wiring Diagram
GTY311940Courtesy of © TOYOTA, LICENSE AGREEMENT TMS1002
Component Function
Front door outside handle assembly LH/RH Sends request signals from the certification ECU (smart key ECU assembly) via the built-in electrical key antenna and forms the vehicle exterior detection area.
Sends door lock switch operation signals to the certification ECU (smart key ECU assembly) (entry lock function).
Uses the built-in touch sensor to detect the operation of the front door outside handle assembly and sends signals to the certification ECU (smart key ECU assembly) (entry unlock function).
Indoor No. 1 electrical key antenna assembly (front floor)
Indoor No. 2 electrical key antenna assembly (rear floor)
Sends the request code from the certification ECU (smart key ECU assembly) and forms the vehicle interior detection area.
Indoor No. 3 electrical key antenna assembly (inside luggage) Sends the request code from the certification ECU (smart key ECU assembly) and forms the luggage compartment interior detection area.
Electrical key antenna (outside luggage) Sends the request code from the certification ECU (smart key ECU assembly) and forms the luggage compartment exterior detection area.
Back door opener switch assembly Sends switch operation signals to the certification ECU (smart key ECU assembly).
Door control receiver Receives the smart key system (for Entry Function) code/wireless code sent from the key and sends it to the certification ECU (smart key ECU assembly).
Turn signal flasher assembly Blinks the hazard warning lights when performing answer-back in accordance with commands from the certification ECU (smart key ECU assembly) sent through the main body ECU (multiplex network body ECU) via CAN communication.
Wireless door lock buzzer Sounds when key diagnostic mode operates in accordance with certification ECU (smart key ECU assembly) control.
Electrical key transmitter Sends the ID code upon receiving a request signal.
Certification ECU (smart key ECU assembly) Sends request codes to each electrical key antenna.
Distinguishes and verifies the ID code from the key and sends signals to each ECU in response to operated functions (controls entire system).
Performs code communication with the ID code box (immobilizer code ECU) when ignition operations are performed.