LEMON Manuals: Even more car manuals for everyone
Home >> Scion >> 2013 >> iQ Base >> Repair and Diagnosis >> External Pages >> Different variant/trim >> Section 84 (Smart Key System (Start Function) (Diagnostic Codes & Symptom Tests) (Electric)) >> SMART KEY SYSTEM (for Start Function) >> Symptom Tests >> Power Source Mode does not Change to ON (IG) >> Wiring Diagram

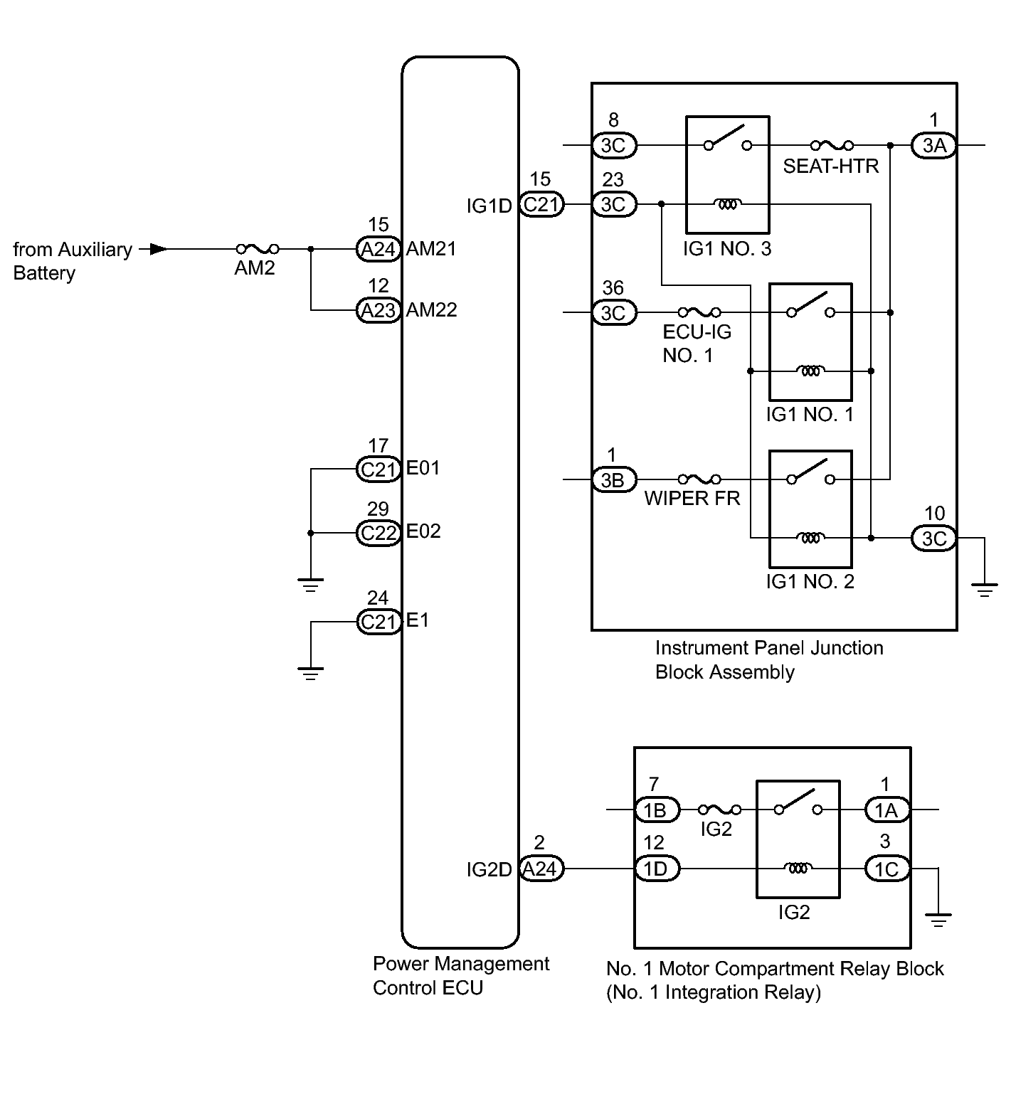
Power Source Mode does not Change to ON (IG): Wiring Diagram

WARNING: This page is about a different variant/trim than selected.
Fig 1: Power Source Wiring Diagram
GTY390918Courtesy of © TOYOTA, LICENSE AGREEMENT TMS1002