LEMON Manuals: Even more car manuals for everyone
Home >> Scion >> 2013 >> iQ Base >> Repair and Diagnosis (Single Page) >> Engine Performance >> Testing & Diagnosis >> Engine Control System (Diagnostics - Introduction) (Except Electric) >> SFI System >> System Diagram >> System Diagram

System Diagram

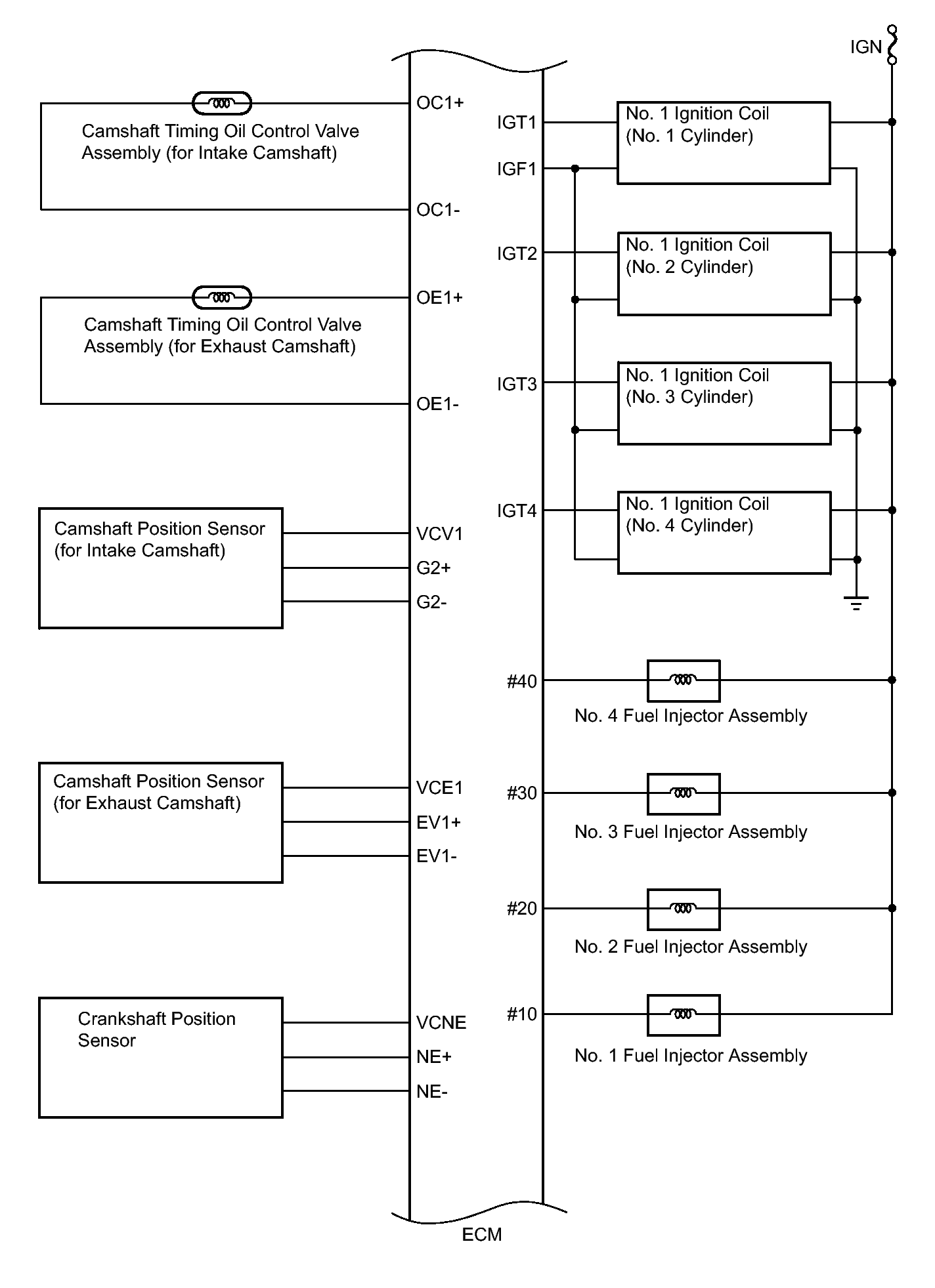
Fig 1: SFI System Circuit Diagram (1 Of 4)
GTY345030Courtesy of © TOYOTA, LICENSE AGREEMENT TMS1002
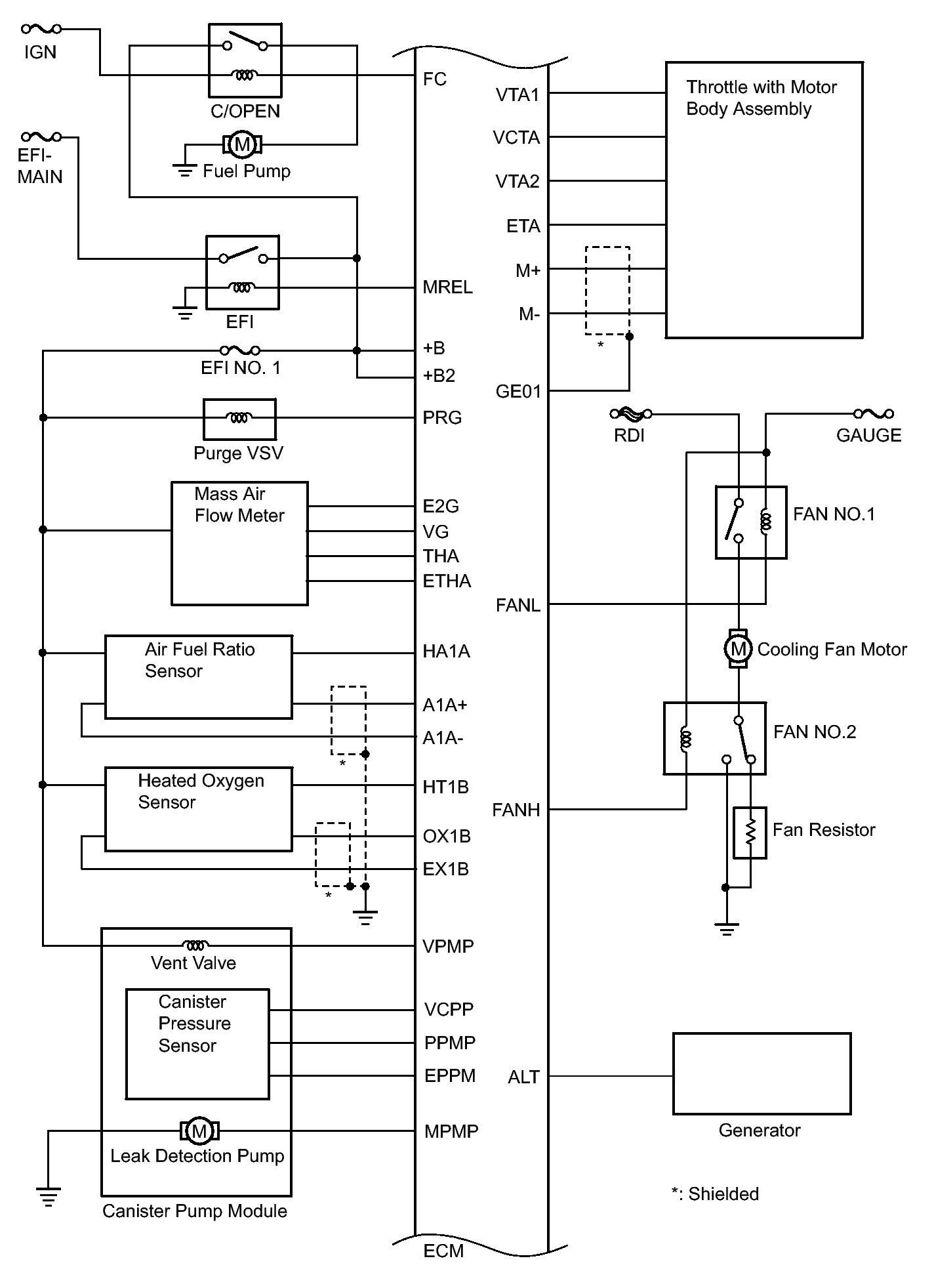
Fig 2: SFI System Circuit Diagram (2 Of 4)
GTY344620Courtesy of © TOYOTA, LICENSE AGREEMENT TMS1002
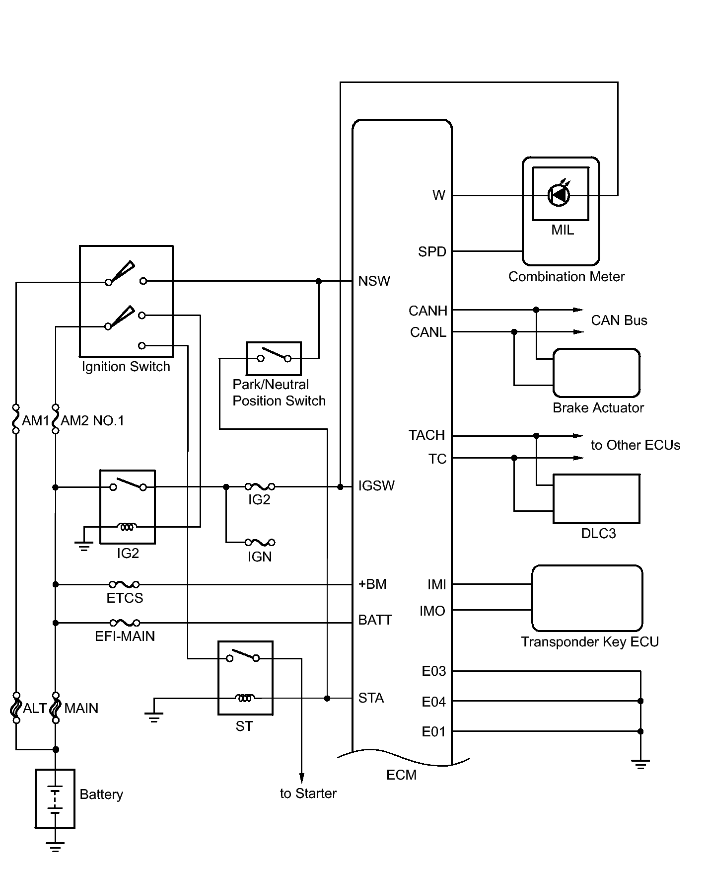
Fig 3: SFI System Circuit Diagram (3 Of 4)
GTY344516Courtesy of © TOYOTA, LICENSE AGREEMENT TMS1002
Fig 4: SFI System Circuit Diagram (4 Of 4)
GTY346433Courtesy of © TOYOTA, LICENSE AGREEMENT TMS1002