LEMON Manuals: Even more car manuals for everyone
Home >> Scion >> 2013 >> iQ Base >> Repair and Diagnosis (Single Page) >> Electrical >> Body Electrical >> OEM System Circuits >> Automatic Light Control and Light Auto Turn Off System >> Notes

Automatic Light Control and Light Auto Turn Off System: Notes

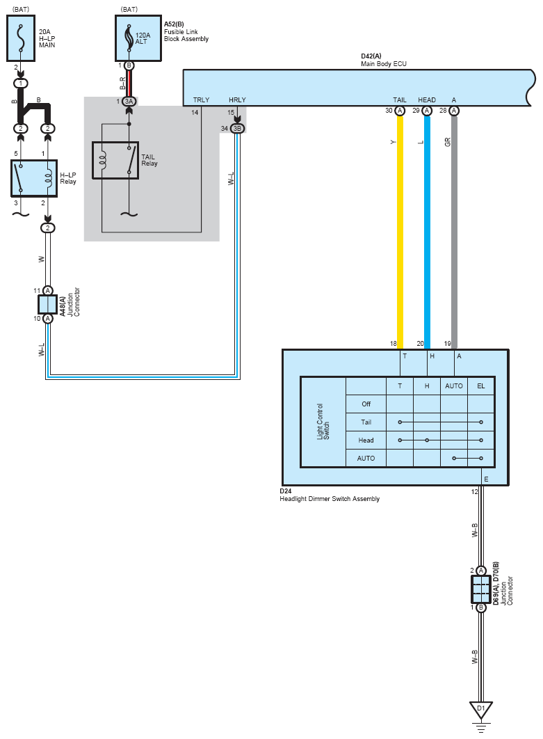
Fig 1: Automatic Light Control And Light Auto Turn Off System - Wiring Diagram (1 Of 3)
G08774663Courtesy of © TOYOTA, LICENSE AGREEMENT TMS1002
Fig 2: Automatic Light Control And Light Auto Turn Off System - Wiring Diagram (2 Of 3)
G08774664Courtesy of © TOYOTA, LICENSE AGREEMENT TMS1002
Fig 3: Automatic Light Control And Light Auto Turn Off System - Wiring Diagram (3 Of 3)
G08774665Courtesy of © TOYOTA, LICENSE AGREEMENT TMS1002