LEMON Manuals: Even more car manuals for everyone
Home >> Scion >> 2013 >> iQ Base >> Repair and Diagnosis (Single Page) >> Electrical >> Body Electrical >> OEM Junction Block, Ecu & Fuse/Relay Locations >> Junction Block Fuse, Relay & Circuit Identification >> Instrument Panel Junction Block Assembly - Lower Finish Panel >> Instrument Panel Junction Block Assembly Inner Circuit

Instrument Panel Junction Block Assembly Inner Circuit

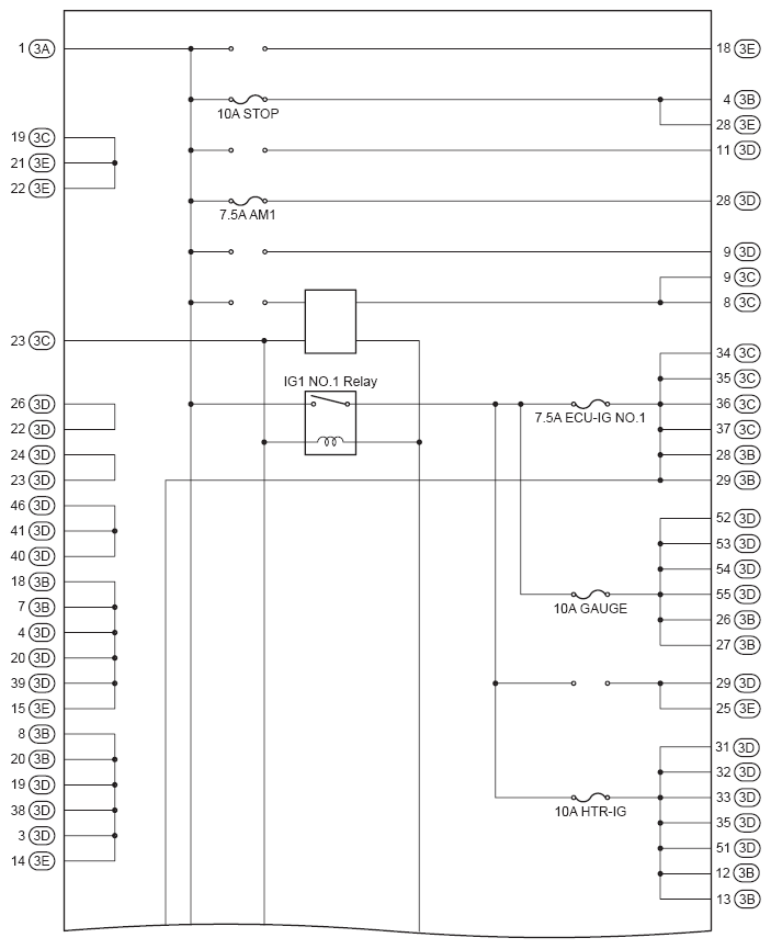
Fig 1: Instrument Panel J/B Assembly Inner Circuit Diagram (1 Of 5) With Relays
G08774608Courtesy of © TOYOTA, LICENSE AGREEMENT TMS1002
INSTRUMENT PANEL J/B INNER CIRCUIT RELAY IDENTIFICATION

RELAY DESCRIPTION
IG1 No.1 Relay
Fig 2: Instrument Panel J/B Assembly Inner Circuit Diagram (2 Of 5) With Relays
G08774609Courtesy of © TOYOTA, LICENSE AGREEMENT TMS1002
INSTRUMENT PANEL J/B INNER CIRCUIT RELAY IDENTIFICATION

RELAY DESCRIPTION
IG1 No.2 Relay
Tail Relay
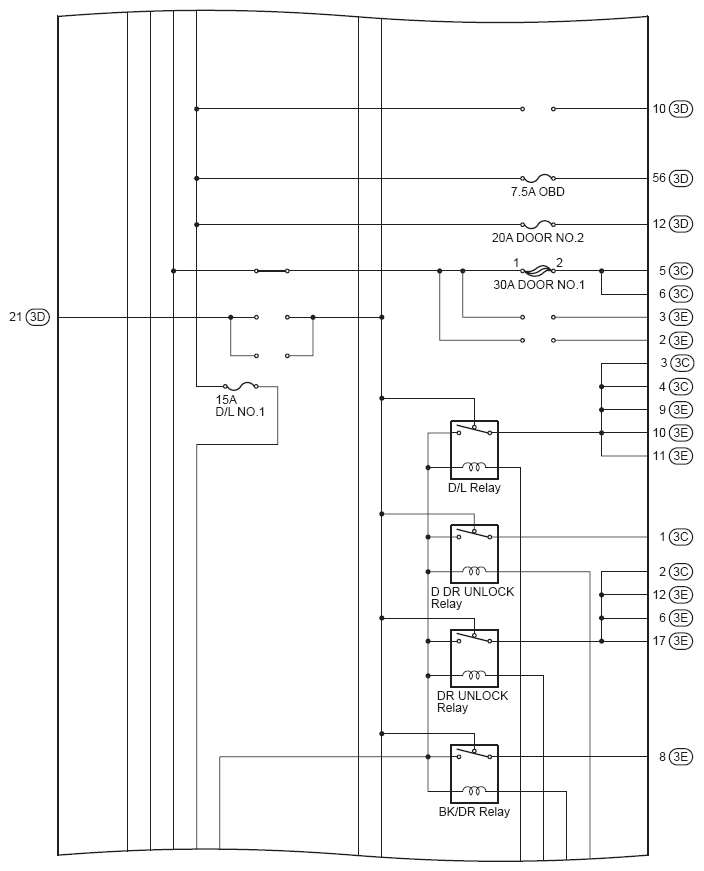
Fig 3: Instrument Panel J/B Assembly Inner Circuit Diagram (3 Of 5) With Relays
G08774610Courtesy of © TOYOTA, LICENSE AGREEMENT TMS1002
INSTRUMENT PANEL J/B INNER CIRCUIT RELAY IDENTIFICATION

RELAY DESCRIPTION
D/L Relay
D DR Unlock Relay
DR Unlock Relay
BK/DR Relay
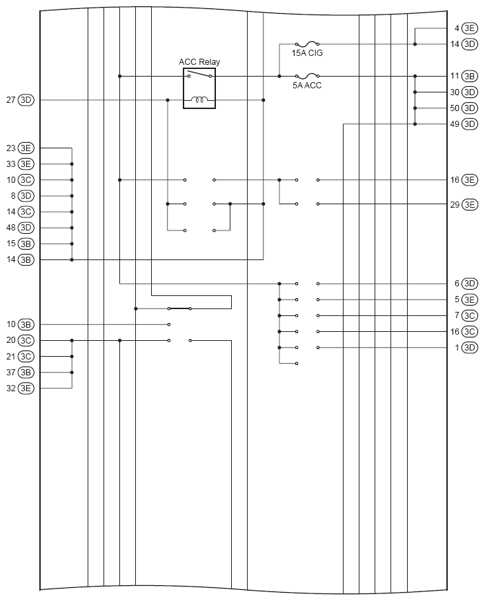
Fig 4: Instrument Panel J/B Assembly Inner Circuit Diagram (4 Of 5) With Relays
G08774611Courtesy of © TOYOTA, LICENSE AGREEMENT TMS1002
INSTRUMENT PANEL J/B INNER CIRCUIT RELAY IDENTIFICATION

RELAY DESCRIPTION
ACC Relay
Fig 5: Instrument Panel J/B Assembly Inner Circuit Diagram (5 Of 5)
G08774612Courtesy of © TOYOTA, LICENSE AGREEMENT TMS1002