LEMON Manuals: Even more car manuals for everyone
Home >> Scion >> 2013 >> FR-S Standard Trans >> Repair and Diagnosis >> Body & Frame >> Windows >> Power Window Control System (Diagnostics - Introduction) >> Power Window Control System >> System Diagram [05/2013 - ] >> System Diagram [05/2013 - ]

System Diagram [05/2013 - ]

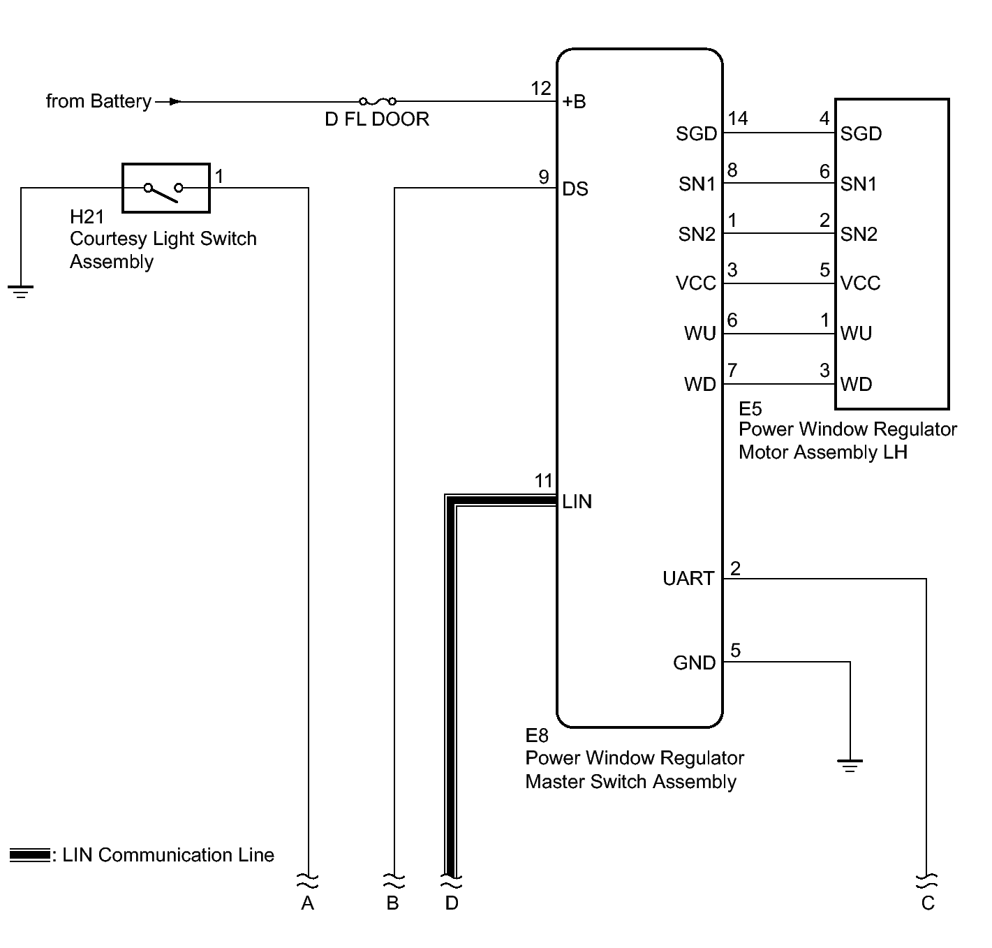
Fig 1: Power Window Control System Diagram (1 Of 2)
GTY388530Courtesy of © TOYOTA, LICENSE AGREEMENT TMS1002
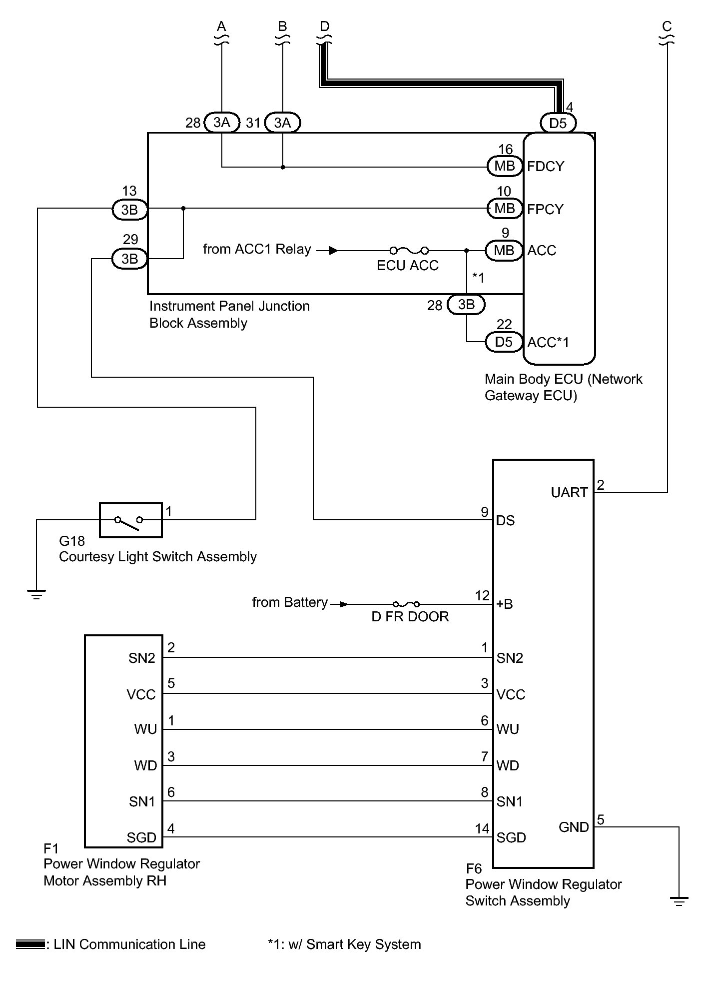
Fig 2: Power Window Control System Diagram (2 Of 2)
GTY391204Courtesy of © TOYOTA, LICENSE AGREEMENT TMS1002
COMMUNICATION TABLE

Transmitting ECU Receiving ECU Signal Communication Method
Power window regulator master switch assembly Power window regulator motor assembly Power window auto up and down signal Local communication
Power window regulator switch assembly Power window remote up and down signal Local communication
Power window regulator switch assembly Power window regulator motor assembly Power window auto up and down signal Local communication
Main Body ECU (Network Gateway ECU) Power window regulator master switch assembly Power window operation permission signal LIN