LEMON Manuals: Even more car manuals for everyone
Home >> Scion >> 2013 >> FR-S Standard Trans >> Repair and Diagnosis >> Accessories & Equipment >> Anti-Theft Systems >> Smart Key System (For Start Function) (Diagnostics - Introduction) >> SMART KEY SYSTEM (for Start Function) >> System Diagram [05/2013 - ] >> System Diagram [05/2013 - ]

System Diagram [05/2013 - ]

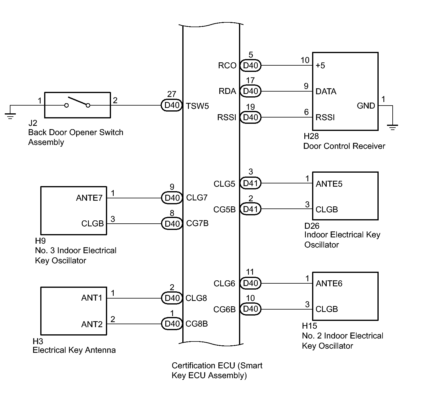
Fig 1: Identifying Smart Key System Wiring Diagram (1 Of 5)
GTY386941Courtesy of © TOYOTA, LICENSE AGREEMENT TMS1002
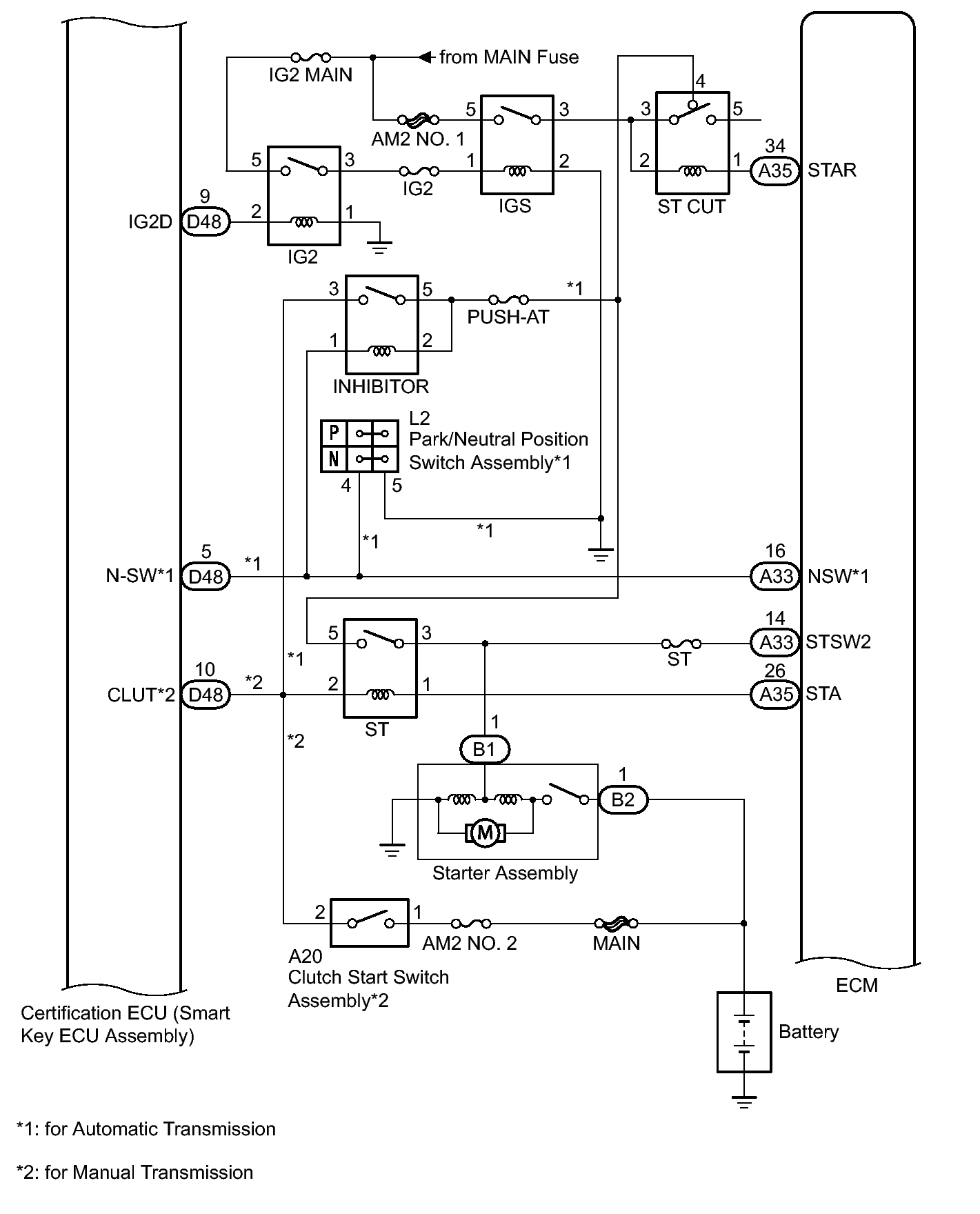
Fig 2: Identifying Smart Key System Wiring Diagram (2 Of 5)
GTY389168Courtesy of © TOYOTA, LICENSE AGREEMENT TMS1002
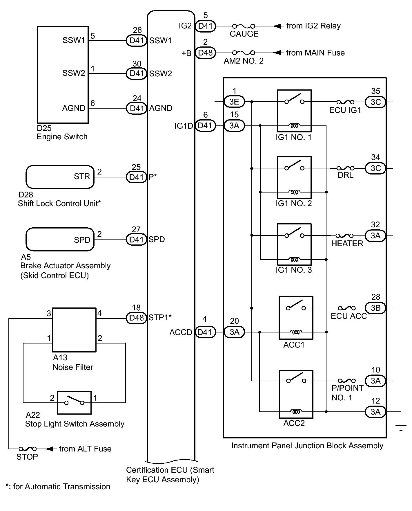
Fig 3: Identifying Smart Key System Wiring Diagram (3 Of 5)
GTY392623Courtesy of © TOYOTA, LICENSE AGREEMENT TMS1002
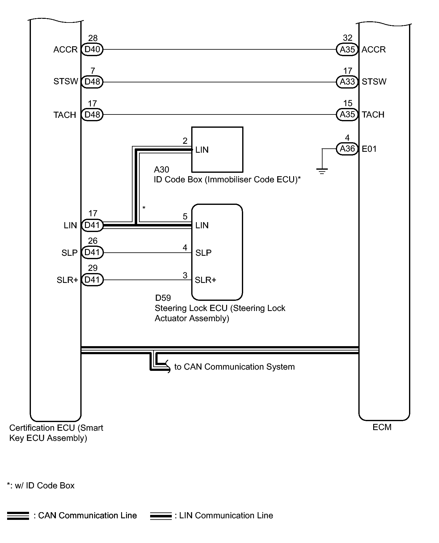
Fig 4: Identifying Smart Key System Wiring Diagram (4 Of 5)
GTY386924Courtesy of © TOYOTA, LICENSE AGREEMENT TMS1002
Fig 5: Identifying Smart Key System Wiring Diagram (5 Of 5)
GTY389675Courtesy of © TOYOTA, LICENSE AGREEMENT TMS1002
Component Outline
Engine switch
  • Turns on the power and starts the engine.
  • Contains a built-in transponder key amplifier to start the engine when the key does not operate properly due to a depleted battery or wave interference.
Certification ECU (smart key ECU assembly)
  • Performs key verification.
  • Controls the electrical key antenna (outside), electrical key antenna (indoor) and door lock/unlock sensor.
  • Receives the open signal from the back door opener switch assembly and outputs a signal to the main body ECU (network gateway ECU) via CAN communication.
  • Outputs entry door lock/unlock commands.
  • Outputs steering lock actuator assembly lock/unlock command signals.
  • Outputs immobilizer set/unset commands.
  • Controls the theft warning indicator light.
  • Controls the entry key indicator light in the combination meter assembly.
  • Changes the power source mode by operating the ACC and IG relays.
  • Forms the entry detection area.
ID code box (immobilizer code ECU)*1
  • Receives command signals from the certification ECU (smart key ECU assembly) and outputs immobilizer set and unset command signals to the ECM.
  • Records codes for verification.
ECM
  • Outputs a signal indicating that the engine has started to the certification ECU (smart key ECU assembly) when starting the engine.
  • Controls starting by operating the starter relay.
Steering lock ECU (steering lock actuator assembly)
  • Receives command signals from the certification ECU (smart key ECU assembly) and activates the steering lock actuator assembly.
  • Records codes for verification.
Combination meter assembly
  • Operates various warnings (sounding of the buzzer in the combination meter) according to the command signals from the certification ECU (smart key ECU assembly).
  • Notifies the user when the smart key system has a malfunction.
Brake Actuator Assembly (Skid Control ECU) Outputs a vehicle speed signal to the certification ECU (smart key ECU assembly).
IG, ACC relay Turns on/off according to certification ECU (smart key ECU assembly) control and provides power to each system.
Stop light switch assembly*2 Detects that the brake pedal has been depressed (switch is on) and outputs a signal to the certification ECU (smart key ECU assembly).
Clutch start switch assembly*3 Detects that the clutch pedal has been depressed (switch is on) and outputs a signal to the certification ECU (smart key ECU assembly).
Park/neutral position switch assembly*2 Outputs the shift position to the certification ECU (smart key ECU assembly)
Shift lock control ECU*2 Outputs a shift lock control ECU signal to the certification ECU (smart key ECU assembly).
Indoor electrical key oscillator (front floor)
No. 2 indoor electrical key oscillator (rear floor)
Sends the request code from the certification ECU (smart key ECU assembly) and forms the vehicle interior detection area.
Door control receiver Receives the smart key system code / wireless code sent from the key and sends it to the certification ECU (smart key ECU assembly).
Electrical key transmitter sub-assembly Sends the ID code upon receiving a request signal.