LEMON Manuals: Even more car manuals for everyone
Home >> Scion >> 2012 >> tC Standard Trans >> Repair and Diagnosis >> Engine Performance >> Testing & Diagnosis >> Engine Control System (Diagnostics - Introduction) >> SFI System >> System Diagram >> System Diagram

System Diagram

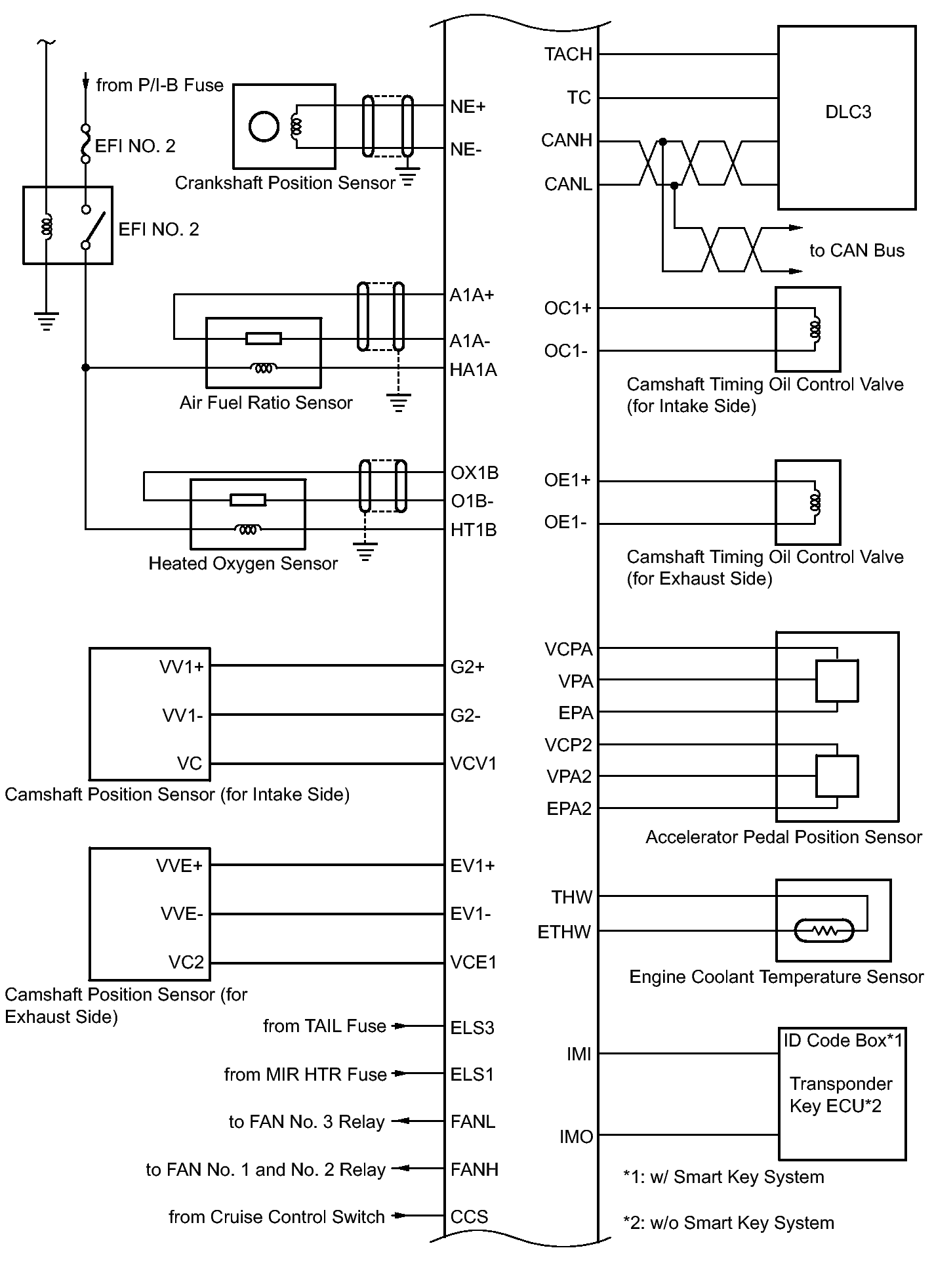
Fig 1: SFI System Circuit Diagram (1 Of 5)
GTY314093Courtesy of © TOYOTA, LICENSE AGREEMENT TMS1002
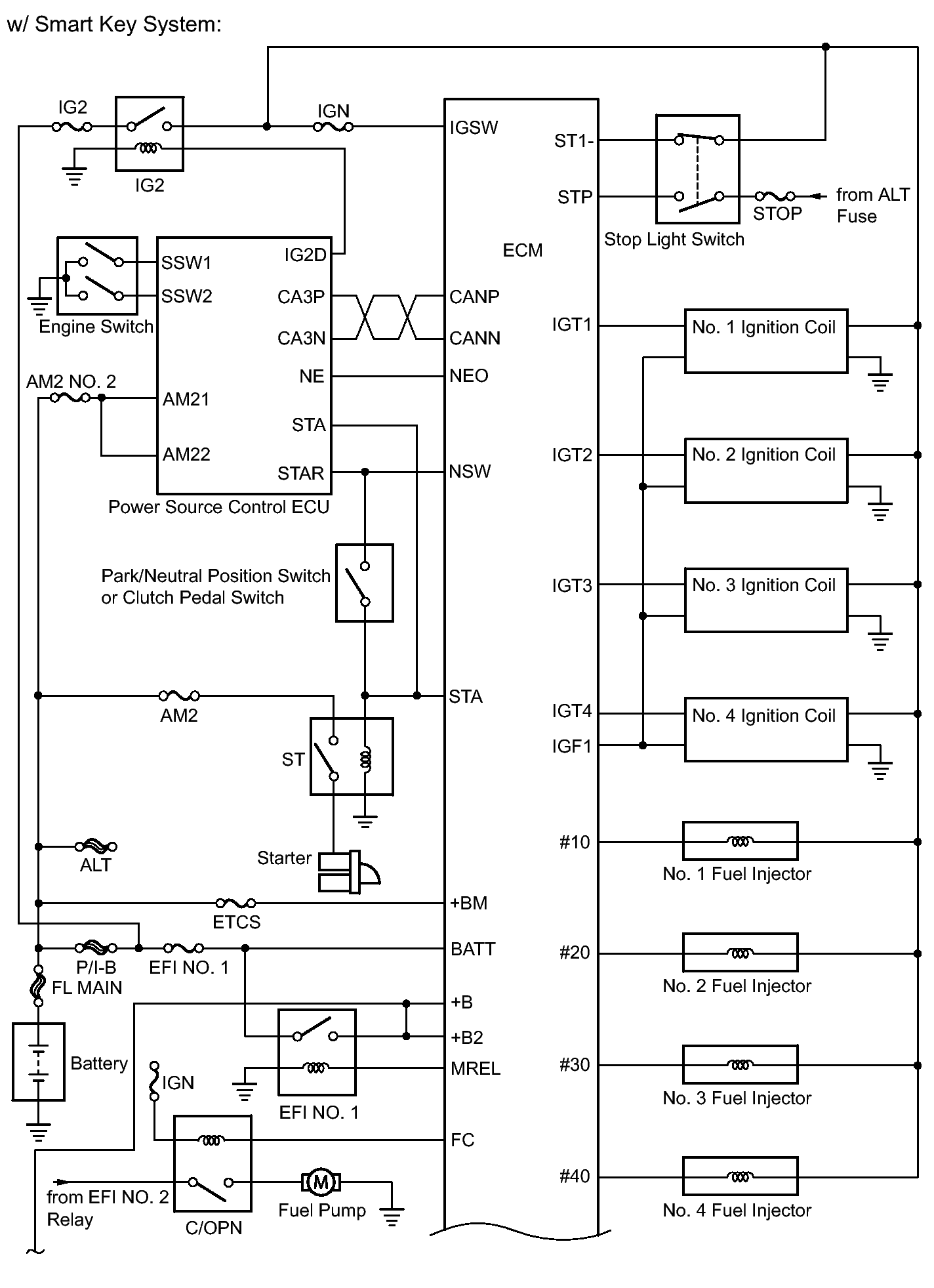
Fig 2: SFI System Circuit Diagram (2 Of 5)
GTY345291Courtesy of © TOYOTA, LICENSE AGREEMENT TMS1002
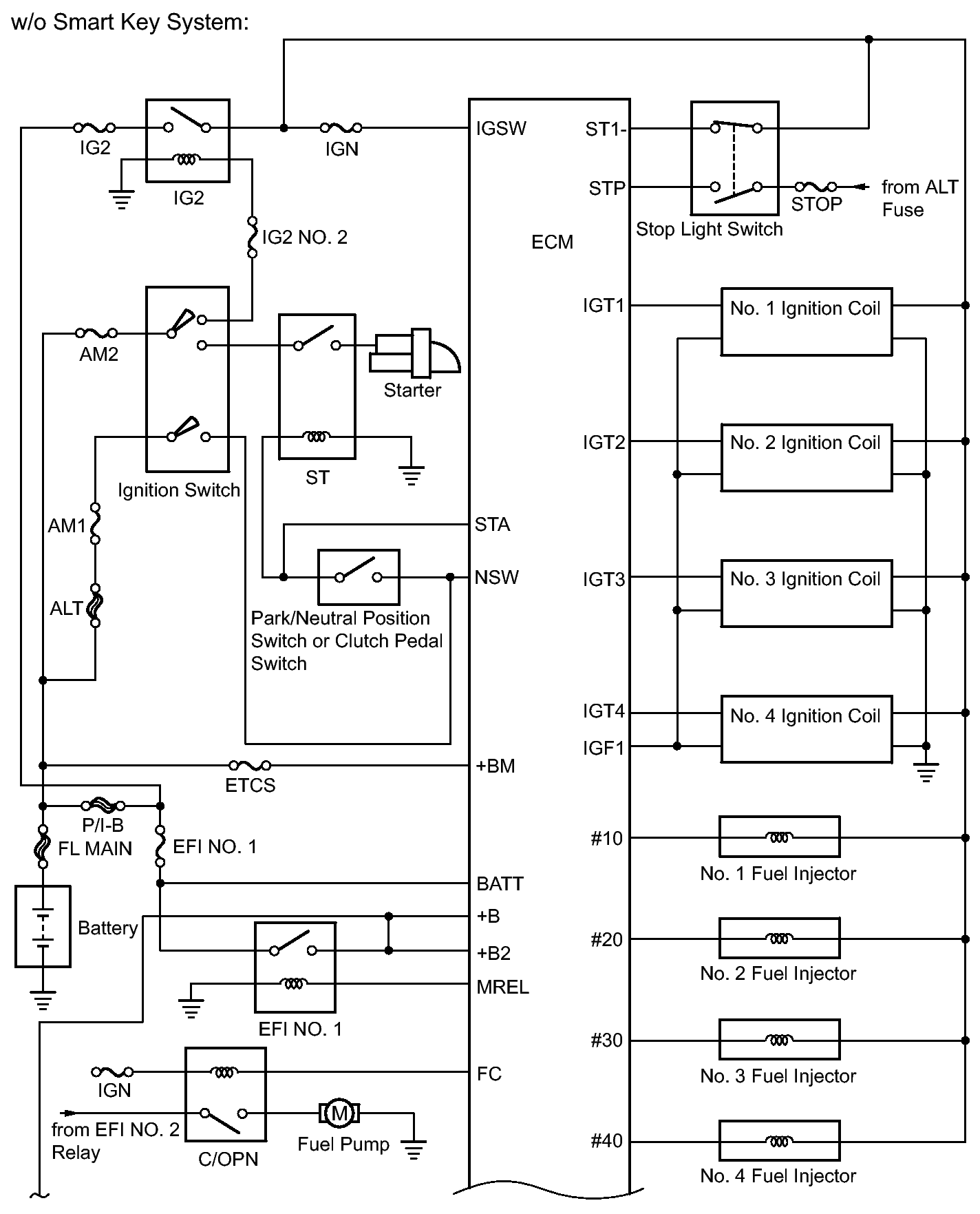
Fig 3: SFI System Circuit Diagram (3 Of 5)
GTY311747Courtesy of © TOYOTA, LICENSE AGREEMENT TMS1002
Fig 4: SFI System Circuit Diagram (4 Of 5)
GTY312311Courtesy of © TOYOTA, LICENSE AGREEMENT TMS1002
Fig 5: SFI System Circuit Diagram (5 Of 5)
GTY313314Courtesy of © TOYOTA, LICENSE AGREEMENT TMS1002