LEMON Manuals: Even more car manuals for everyone
Home >> Scion >> 2012 >> iQ >> Repair and Diagnosis (Single Page) >> Electrical >> Body Electrical >> OEM System Circuits >> Power Source >> Notes

Power Source: Notes

Fig 1: Power Source System Wiring Diagram (1 Of 4)
G08759774Courtesy of © TOYOTA, LICENSE AGREEMENT TMS1002
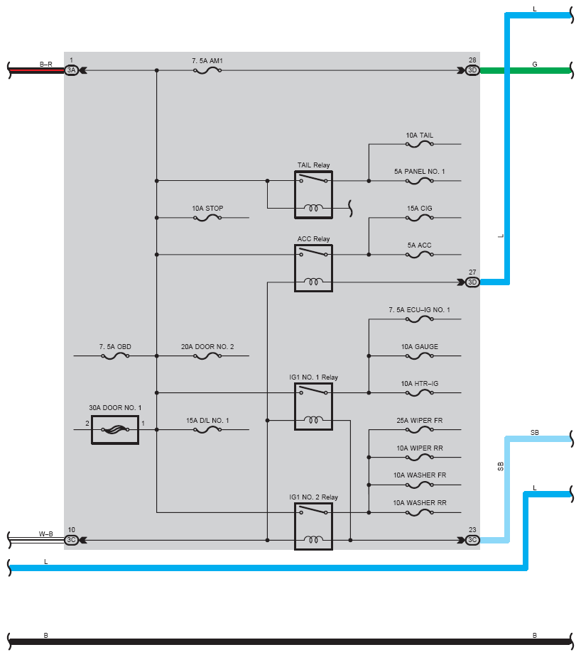
Fig 2: Power Source System Wiring Diagram (2 Of 4)
G08759775Courtesy of © TOYOTA, LICENSE AGREEMENT TMS1002
Fig 3: Power Source System Wiring Diagram (3 Of 4)
G08759776Courtesy of © TOYOTA, LICENSE AGREEMENT TMS1002
Fig 4: Power Source System Wiring Diagram (4 Of 4)
G08759777Courtesy of © TOYOTA, LICENSE AGREEMENT TMS1002