LEMON Manuals: Even more car manuals for everyone
Home >> Scion >> 2009 >> xD Standard >> Repair and Diagnosis >> Engine Performance >> Remove, Overhaul & Install >> 2ZR-FE Engine Control System - SFI System Precautions And Diagnostic Introduction, Problem Symptoms Table, Diagnostic Trouble Code Chart >> SFI System >> System Diagram

System Diagram

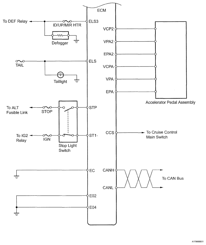
Fig 1: Engine Control System Diagram (1 Of 4)
G05398371Courtesy of © TOYOTA, LICENSE AGREEMENT TMS1002
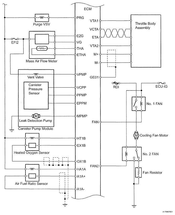
Fig 2: Engine Control System Diagram (2 Of 4)
G05398372Courtesy of © TOYOTA, LICENSE AGREEMENT TMS1002
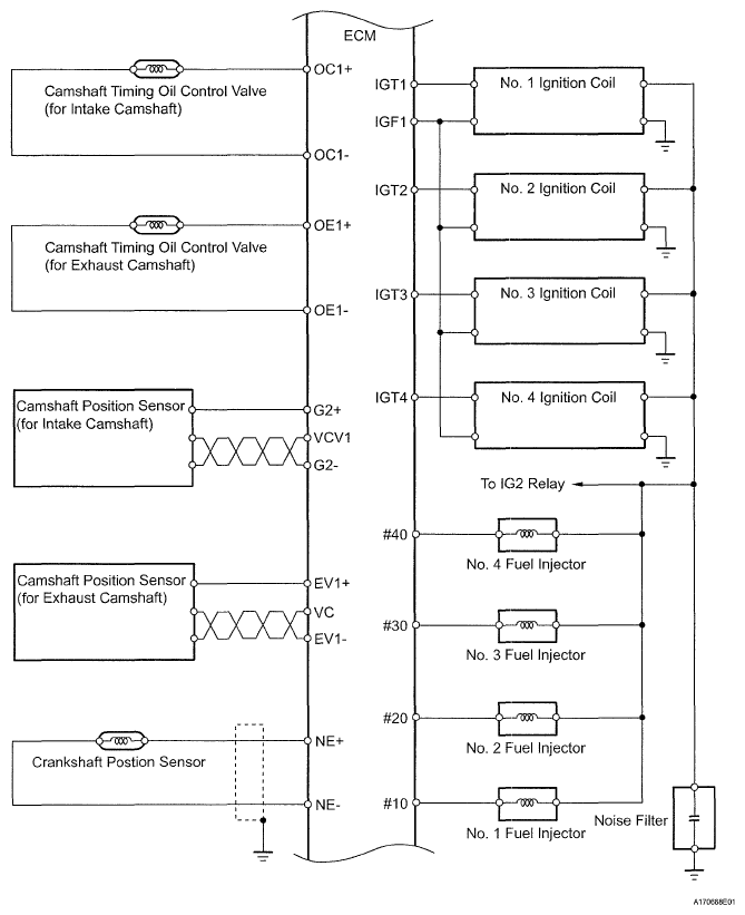
Fig 3: Engine Control System Diagram (3 Of 4)
G05398373Courtesy of © TOYOTA, LICENSE AGREEMENT TMS1002
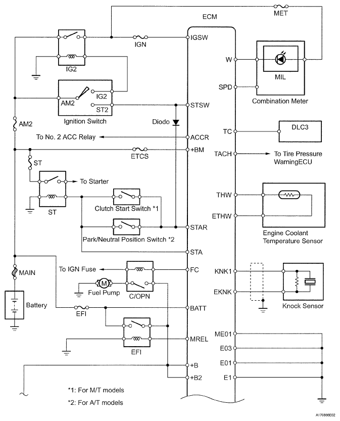
Fig 4: Engine Control System Diagram (4 Of 4)
G05398374Courtesy of © TOYOTA, LICENSE AGREEMENT TMS1002