LEMON Manuals: Even more car manuals for everyone
Home >> Scion >> 2008 >> xD Automatic >> Repair and Diagnosis >> Engine Performance >> 2ZR-FE Engine Control System >> SFI System >> ECM Power Source Circuit >> Wiring Diagram

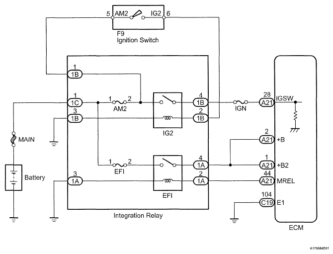
ECM Power Source Circuit: Wiring Diagram

Fig 1: ECM Power Source Circuit - Wiring Diagram
G05398660Courtesy of © TOYOTA, LICENSE AGREEMENT TMS1002