LEMON Manuals: Even more car manuals for everyone
Home >> Scion >> 2008 >> xB Standard >> Repair and Diagnosis >> Engine Performance >> System >> 2AZ-FE Engine Control System - SFI System Precautions And Diagnostic Introduction, Problem Symptoms Table, Diagnostic Trouble Code Chart >> SFI System >> System Diagram

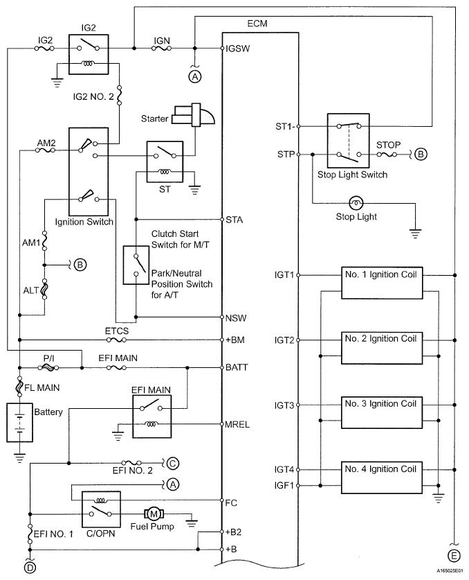
System Diagram

Fig 1: Engine Control System Diagram (1 Of 3)
G05386582Courtesy of © TOYOTA, LICENSE AGREEMENT TMS1002
Fig 2: Engine Control System Diagram (2 Of 3)
G05386583Courtesy of © TOYOTA, LICENSE AGREEMENT TMS1002
Fig 3: Engine Control System Diagram (3 Of 3)
G05386584Courtesy of © TOYOTA, LICENSE AGREEMENT TMS1002