LEMON Manuals: Even more car manuals for everyone
Home >> Scion >> 2008 >> tC Base, Standard >> Repair and Diagnosis >> Engine Performance >> Remove, Overhaul & Install >> 2AZ-FE Engine Control System >> SFI System >> VC Output Circuit >> Wiring Diagram

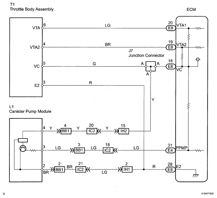
VC Output Circuit: Wiring Diagram

Fig 1: Canister Pump Module - Wiring Diagram
G05539161Courtesy of © TOYOTA, LICENSE AGREEMENT TMS1002