LEMON Manuals: Even more car manuals for everyone
Home >> Scion >> 2007 >> tC Base, Standard >> Repair and Diagnosis >> General Information >> Computer Relearn >> Engine Control System (2AZ-FE) >> SFI System >> VC Output Circuit >> Wiring Diagram

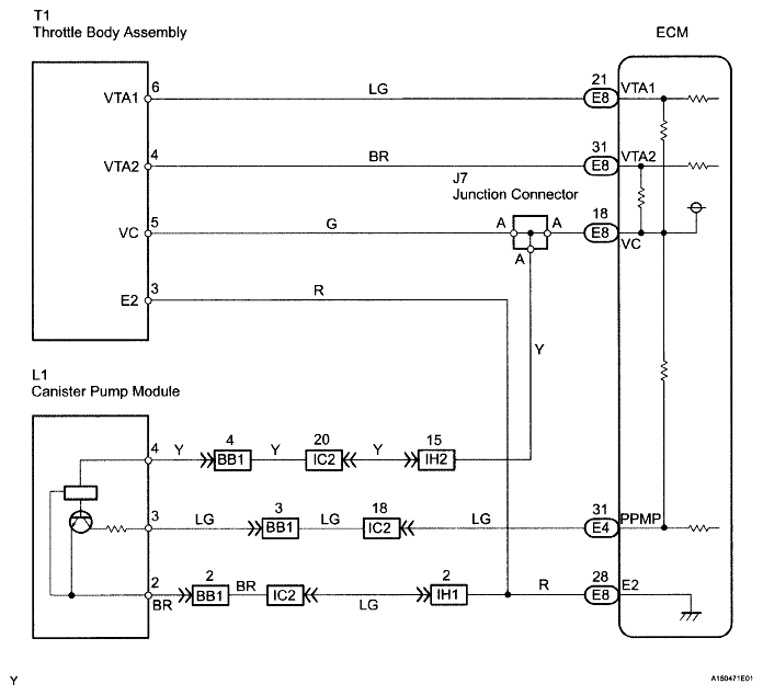
VC Output Circuit: Wiring Diagram

Fig 1: Identifying VC Output Wiring Diagram
G04869298Courtesy of © TOYOTA, LICENSE AGREEMENT TMS1002