LEMON Manuals: Even more car manuals for everyone
Home >> Scion >> 2007 >> tC Base, Automatic >> Repair and Diagnosis >> External Pages >> Different car >> Section 2 (OEM System Circuits) >> Starting >> Notes

Section 2 (OEM System Circuits): Starting: Notes

WARNING: This page is about a different car, the 2012 Scion xD. However, it is still accessible from the selected car via links, so may be relevant.
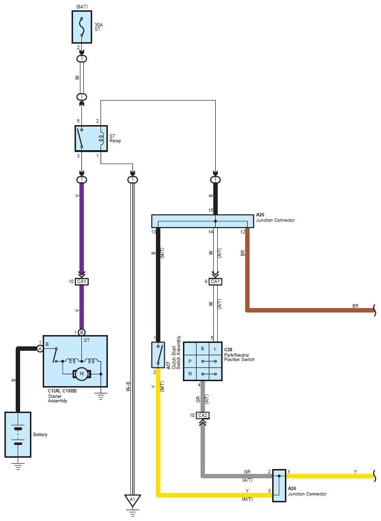
Fig 1: Starting System Wiring Diagram (1 Of 2)
G08761145Courtesy of © TOYOTA, LICENSE AGREEMENT TMS1002
Fig 2: Starting System Wiring Diagram (2 Of 2)
G08761146Courtesy of © TOYOTA, LICENSE AGREEMENT TMS1002