LEMON Manuals: Even more car manuals for everyone
Home >> Scion >> 2007 >> tC Base, Automatic >> Repair and Diagnosis >> External Pages >> Different car >> Section 2 (OEM System Circuits) >> Remote Control Mirror >> Notes

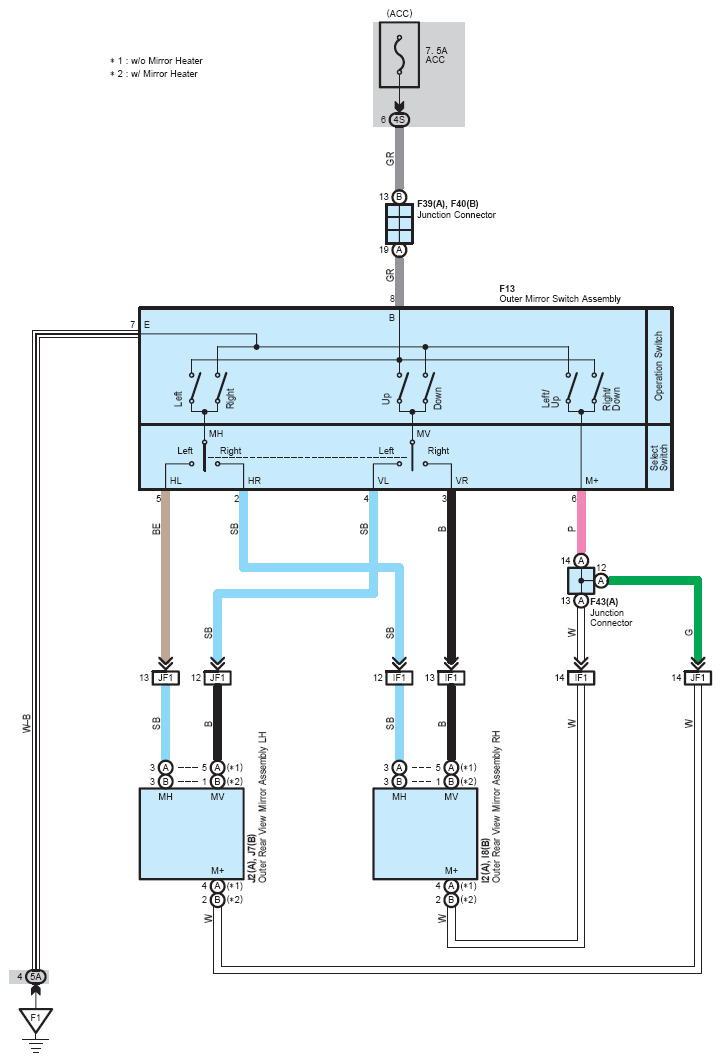
Remote Control Mirror: Notes

WARNING: This page is about a different car, the 2012 Scion xD. However, it is still accessible from the selected car via links, so may be relevant.
Fig 1: Remote Control Mirror System Wiring Diagram
G08761234Courtesy of © TOYOTA, LICENSE AGREEMENT TMS1002