LEMON Manuals: Even more car manuals for everyone
Home >> Scion >> 2007 >> tC Base, Automatic >> Repair and Diagnosis >> External Pages >> Different car >> Section 2 (OEM System Circuits) >> Key Reminder and Light Reminder >> Notes

Key Reminder and Light Reminder: Notes

WARNING: This page is about a different car, the 2012 Scion xD. However, it is still accessible from the selected car via links, so may be relevant.
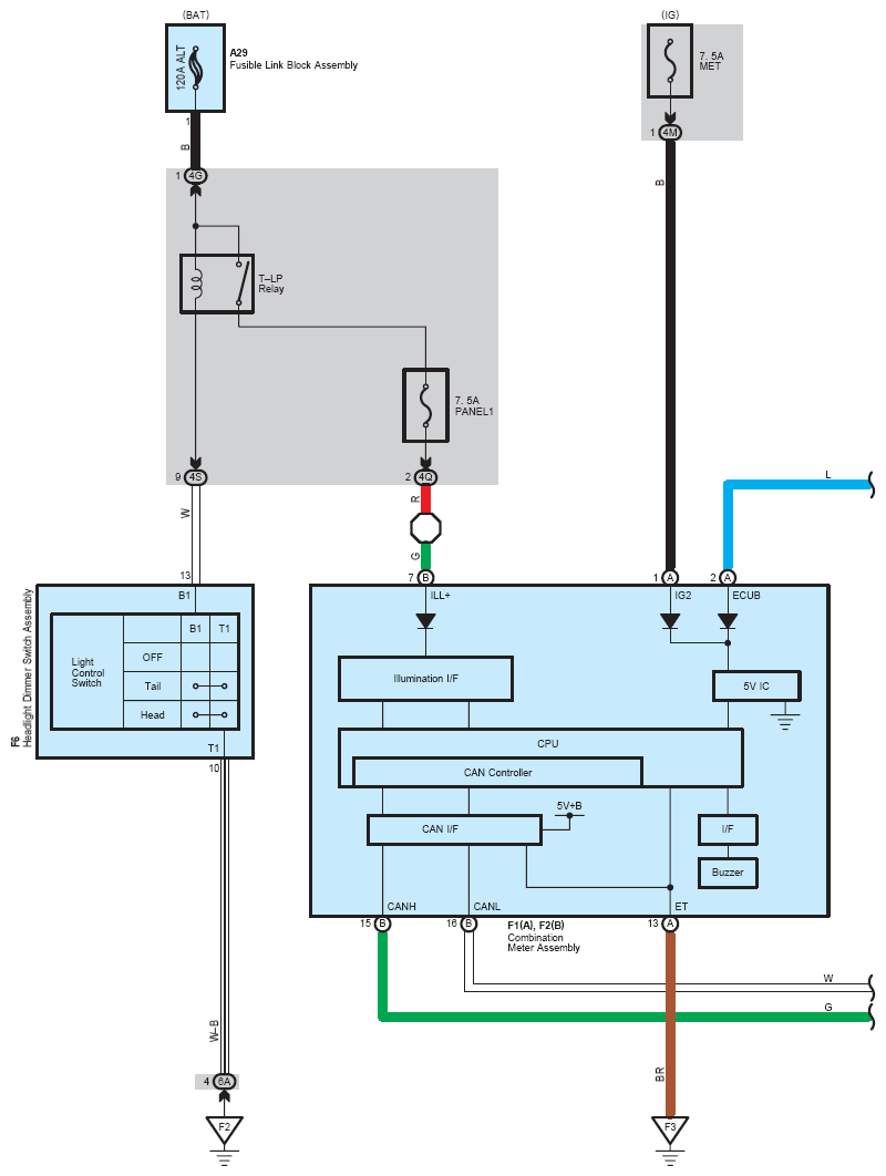
Fig 1: Key Reminder And Light Reminder System Wiring Diagram (1 Of 2)
G08761187Courtesy of © TOYOTA, LICENSE AGREEMENT TMS1002
Fig 2: Key Reminder And Light Reminder System Wiring Diagram (2 Of 2)
G08761188Courtesy of © TOYOTA, LICENSE AGREEMENT TMS1002