LEMON Manuals: Even more car manuals for everyone
Home >> Scion >> 2007 >> tC Base, Automatic >> Repair and Diagnosis >> External Pages >> Different car >> Section 2 (OEM System Circuits) >> Interior Light >> Notes

Interior Light: Notes

WARNING: This page is about a different car, the 2012 Scion xD. However, it is still accessible from the selected car via links, so may be relevant.
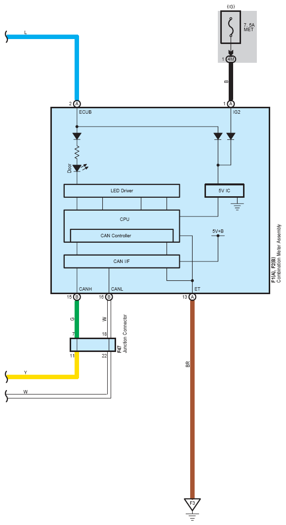
Fig 1: Interior Light System Wiring Diagram (1 Of 3)
G08761176Courtesy of © TOYOTA, LICENSE AGREEMENT TMS1002
Fig 2: Interior Light System Wiring Diagram (2 Of 3)
G08761177Courtesy of © TOYOTA, LICENSE AGREEMENT TMS1002
Fig 3: Interior Light System Wiring Diagram (3 Of 3)
G08761178Courtesy of © TOYOTA, LICENSE AGREEMENT TMS1002